вконтакте

Контактный телефон: +7 (981) 121-46-93, +7 (800) 200-90-76 , Email: parts-katalog@yandex.ru, где купить

 
 

  Логин:

Пароль:

Регистрация

www.partskatalog.ru Все каталоги Запчасти Mercury Запчасти Suzuki Запчасти Tohatsu Запчасти Honda Контакты


Все разделы каталога запчастей на этот двигатель

назад Раздел:   вперёд

вернуться к списку узлов и деталей

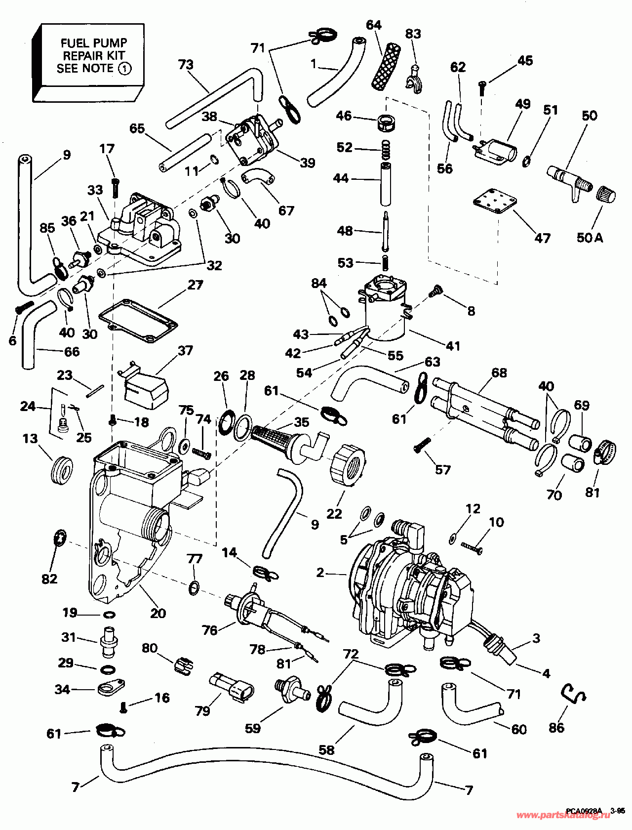
ДЕТАЛИРОВКА ДЛЯ МОДЕЛИ: EVINRUDE BE20SELEUM 1997

КАРБЮРАТОР 20SE, 20SEL, 25E, 25EL | CARBURETOR 20SE, 20SEL, 25E, 25EL;


Двигатель Evinrude BE20SELEUM 1997  - rburetor 20se, 20sel, 25e, 25el

Номер на
рисунке
АртикулНаименованиеКол-во
на складе
Цена
0432704 0432704

Карбюратор в сборе. Not Shown (CARBURETOR ASSEMBLY. Not Shown)

нет в наличии, поставок нет
0432704 0439388

   (последний код) CARBURETOR AY.

нет в наличии, поставок нет
1 0317473

ORIFICE Заглушка, № 30 (ORIFICE PLUG, No. 30)

нет в наличии, поставок нет
2 0304201

LEAD SHOT (LEAD SHOT)

нет в наличии, поставок нет
3 0202310

CORE Заглушка (CORE PLUG)

нет в наличии, поставок нет
4 0307542

CORE Заглушка (CORE PLUG)

нет в наличии, поставок нет
5 0313973

Гайка, Push (NUT, Push)

нет в наличии, поставок нет
6 0324064

Винт дросселя Рычаг (SCREW, Throttle lever)

нет в наличии, поставок нет
7 0328735

Шайба, Винт дросселя Рычаг (WASHER, Screw, throttle lever)

нет в наличии, поставок нет
7 3852188

   (последний код) WASHER

нет в наличии, поставок нет
8 0303701

Шайба с блокировкой, Винт дросселя Рычаг (LOCK WASHER, Screw, throttle lever)

нет в наличии, поставок нет
9 0302661

HINGE Стопор поплавка (HINGE PIN, Float)

нет в наличии, поставок нет
10 0334746

Уплотнительное кольцо, Adapter to carb. Корпус (O-RING, Adapter to carb. body)

нет в наличии, поставок нет
11 0335564

ADAPTER, Игольчатый клапан (ADAPTER, Needle valve)

нет в наличии, поставок нет
11 0335013

   (последний код) ADAPTOR

нет в наличии, поставок нет
12 0332576

Пружина, Игольчатый клапан (SPRING, Needle valve)

нет в наличии, поставок нет
12 0329388

   (последний код) SPRING

нет в наличии, поставок нет
13 0334746

Уплотнительное кольцо, Игольчатый клапан (O-RING, Needle valve)

нет в наличии, поставок нет
14 0335015

Игольчатый клапан, Slow speed adj. (NEEDLE VALVE, Slow speed adj.)

нет в наличии, поставок нет
15 0338880

Прокладка, Поплавок bowl (GASKET, Float bowl)

нет в наличии, поставок нет
15 0332696

   (последний код) GASKET,-DLR

нет в наличии, поставок нет
16 0396521

Клапан поплавка & Седло в сборе. (FLOAT VALVE & SEAT ASSY.)

нет в наличии, поставок нет
16 0678882

   (последний код) VALVE-&-SEAT

нет в наличии, поставок нет
17 0301996

Шайба (WASHER)

1 шт140 руб.
18 0336842

Пружина Зажим (SPRING CLIP)

нет в наличии, поставок нет
18 0603145

   (последний код) CLIP

нет в наличии, поставок нет
19 0382363

Поплавок & Рычаг ASSEMBLY (FLOAT & ARM ASSEMBLY)

нет в наличии, поставок нет
20 0343512

Прокладка, Nozzle (GASKET, Nozzle)

нет в наличии, поставок нет
20 0338881

   (последний код) GASKET

нет в наличии, поставок нет
21 0393131

Поплавковая камера (FLOAT CHAMBER)

нет в наличии, поставок нет
21 0439383

   (последний код) CHAMBER&NIPPLE

нет в наличии, поставок нет
22 0331567

ORIFICE Заглушка, № 51D (ORIFICE PLUG, No. 51D)

нет в наличии, поставок нет
23 0303630

Шайба, Сливной винт (WASHER, Screw plug)

нет в наличии, поставок нет
24 0329513

Винт, Поплавок bowl to Карбюратор (SCREW, Float bowl to carburetor)

нет в наличии, поставок нет
25 0327706

Ниппель, Primer (NIPPLE, Primer)

нет в наличии, поставок нет
26 0313329

Фиксатор, Соединитель to Карбюратор (RETAINER, Link to carburetor)

нет в наличии, поставок нет
27 0325092

Прокладка карбюратора to Коллектор (GASKET, Carburetor to manifold)

нет в наличии, поставок нет
27 0314477

   (последний код) GASKET

нет в наличии, поставок нет
28 0315204

Гайка, Карбюратор Креплениеing (NUT, Carburetor mounting)

нет в наличии, поставок нет
28 0316355

   (последний код) NUT

нет в наличии, поставок нет
29 0329594

Винт зажима (SCREW, Clamp)

нет в наличии, поставок нет
30 0328907

Струбцина (CLAMP)

нет в наличии, поставок нет
30 0303740

   (последний код) YOKE

нет в наличии, поставок нет
31 0396701

Ремкомплект карбюратора (CARBURETOR REPAIR KIT)

нет в наличии, поставок нет
31 0398729

   (последний код) KIT AY,CARB REPAIR

нет в наличии, поставок нет
32 0330057

Заглушка, Поплавок bowl (PLUG, Float bowl)

нет в наличии, поставок нет
evinrude

Время выполнения запроса 0.6364860534668 сек.


 
 

данный сайт носит информационный характер и не является публичной офертой

склад запчастей для водомоторной техники