вконтакте

Контактный телефон: +7 (981) 121-46-93, +7 (800) 200-90-76 , Email: parts-katalog@yandex.ru, где купить

 
 

  Логин:

Пароль:

Регистрация

www.partskatalog.ru Все каталоги Запчасти Mercury Запчасти Suzuki Запчасти Tohatsu Запчасти Honda Контакты


Все разделы каталога запчастей на этот двигатель

назад Раздел:   вперёд

вернуться к списку узлов и деталей

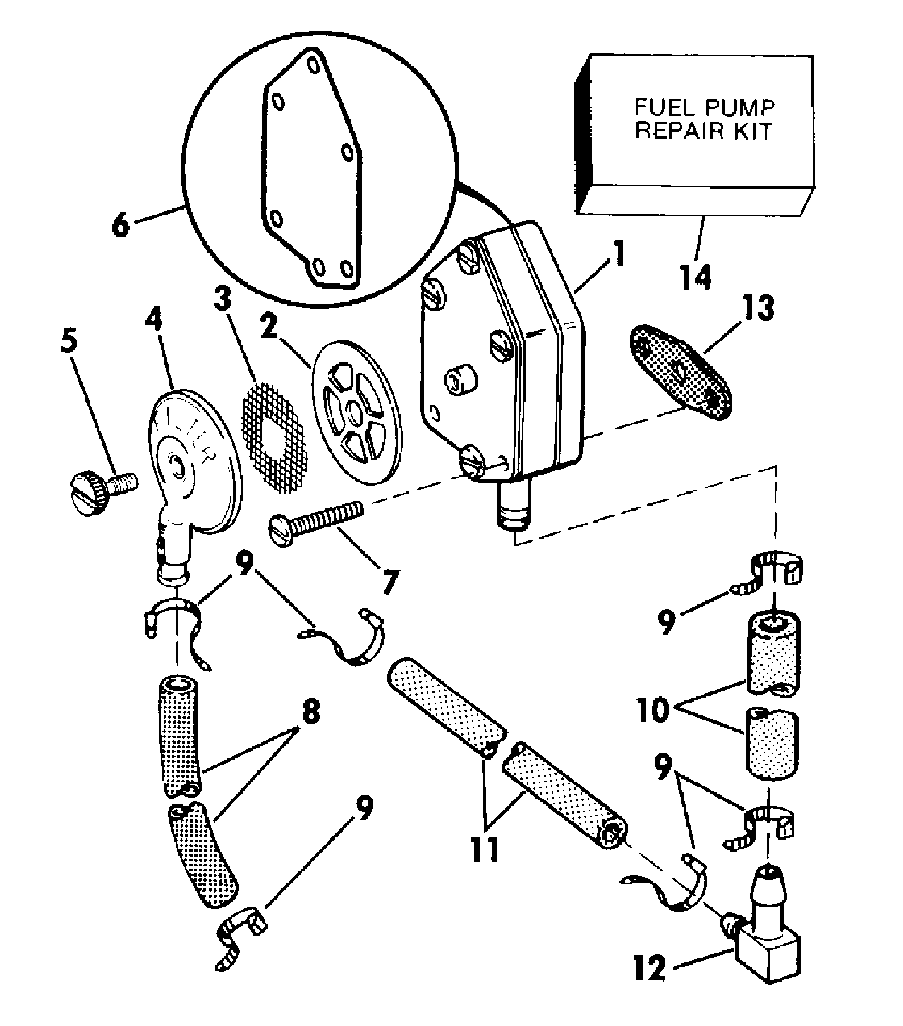
ДЕТАЛИРОВКА ДЛЯ МОДЕЛИ: EVINRUDE HE10FTLEUR 1997

ДВИГАТЕЛЬ СТАРТЕРА & SOLENOID | STARTER MOTOR & SOLENOID;


 EVINRUDE HE10FTLEUR 1997  - arter Motor & Solenoid / arter Motor & Solenoid

Номер на
рисунке
АртикулНаименованиеКол-во
на складе
Цена
0386430 0386430

Двигатель стартера. Not Shown (STARTER MOTOR. Not Shown)

нет в наличии, поставок нет
1 0395264

Гайка пружины & Проставка KIT (NUT, SPRING & SPACER KIT)

нет в наличии, поставок нет
1 0319970

   (последний код) SPRING ANTI DRIFT

нет в наличии, поставок нет
2 0319976

Диск, , Thrust (DISC,, Thrust)

нет в наличии, поставок нет
3 0386678

Колпачок ASSEMBLY (CAP ASSEMBLY)

нет в наличии, поставок нет
4 0319977

DRIVE, Шестерня assembly (DRIVE, Pinion assembly)

нет в наличии, поставок нет
5 0319971

THRU Болт PACKAGE (THRU BOLT PACKAGE)

нет в наличии, поставок нет
6 0319972

Шайба с блокировкой thru Болт (WASHER, Lock thru bolt)

нет в наличии, поставок нет
7 0386677

Колпачок ASSEMBLY, Drive end (CAP ASSEMBLY, Drive end)

нет в наличии, поставок нет
8 0319973

Шайба, Якорь Вал (WASHER, Armature shaft)

нет в наличии, поставок нет
9 0386679

Якорь в сборе (ARMATURE ASSEMBLY)

нет в наличии, поставок нет
10 0319974

Прокладка, Корпус (GASKET, Housing)

нет в наличии, поставок нет
11 0319975

Пружина щётки (SPRING, Brush)

нет в наличии, поставок нет
12 0446088

Винт, Двигатель стартера to block (SCREW, Starter motor to block)

нет в наличии, поставок нет
13 0445092

LEAD в сборе., Solenoid to Стартер. Remote Models Only (LEAD ASSY., Solenoid to starter. Remote Models Only)

нет в наличии, поставок нет
14 0204039

Клемма, Кольцо (TERMINAL, Ring)

нет в наличии, поставок нет
14 3852036

   (последний код) TERMINAL,RIN

нет в наличии, поставок нет
15 0204363

Клемма, Кольцо (TERMINAL, Ring)

нет в наличии, поставок нет
15 3852038

   (последний код) TERMINAL,RIN

нет в наличии, поставок нет
16 0200712

Гайка, Solenoid, small. Remote Models Only (NUT, Solenoid, small. Remote Models Only)

нет в наличии, поставок нет
17 0328741

Гайка, Solenoid, large. Remote Models Only (NUT, Solenoid, large. Remote Models Only)

нет в наличии, поставок нет
17 0304753

   (последний код) NUT

нет в наличии, поставок нет
18 0584580

Соленоид, в сборе.. Remote Models Only (SOLENOID ASSY.. Remote Models Only)

нет в наличии, поставок нет
19 0446319

Проставка, Пыльник, solenoid. Remote Models Only (SPACER, Grommet, solenoid. Remote Models Only)

нет в наличии, поставок нет
20 0319453

Шайба, Винт, solenoid. Remote Models Only (WASHER, Screw, solenoid. Remote Models Only)

нет в наличии, поставок нет
20 3852155

   (последний код) WASHER

нет в наличии, поставок нет
21 0446099

Винт, Проставка. Remote Models Only (SCREW, Spacer. Remote Models Only)

нет в наличии, поставок нет
22 0328701

Шайба, Гайка, large. Remote Models Only (WASHER, Nut, large. Remote Models Only)

нет в наличии, поставок нет
22 3852182

   (последний код) WASHER,LOCK

нет в наличии, поставок нет
23 0304454

Шайба, Гайка, small. Remote Models Only (WASHER, Nut, small. Remote Models Only)

нет в наличии, поставок нет
24 0303701

Шайба, Lead to Стартер. Remote Models Only (WASHER, Lead to starter. Remote Models Only)

нет в наличии, поставок нет
evinrude

Время выполнения запроса 0.67517495155334 сек.


 
 

данный сайт носит информационный характер и не является публичной офертой

склад запчастей для водомоторной техники