вконтакте

Контактный телефон: +7 (981) 121-46-93, +7 (800) 200-90-76 , Email: parts-katalog@yandex.ru, где купить

 
 

  Логин:

Пароль:

Регистрация

www.partskatalog.ru Все каталоги Запчасти Mercury Запчасти Suzuki Запчасти Tohatsu Запчасти Honda Контакты



УВАЖАЕМЫЕ КЛИЕНТЫ!
C 19 ДЕКАБРЯ 2025 ПО 02 МАРТА 2026 ГОДА ОТДЕЛ ЗАПЧАСТЕЙ И СЕРВИС РАБОТАТЬ НЕ БУДУТ
ПРОДАЖА ЛОДОЧНЫХ МОТОРОВ В ШТАТНОМ РЕЖИМЕ
ОБ ИЗМЕНЕНИЯХ В ГРАФИКЕ РАБОТЫ ЧИТАЙТЕ НА САЙТА




Все разделы каталога запчастей на этот двигатель

назад Раздел:   вперёд

вернуться к списку узлов и деталей

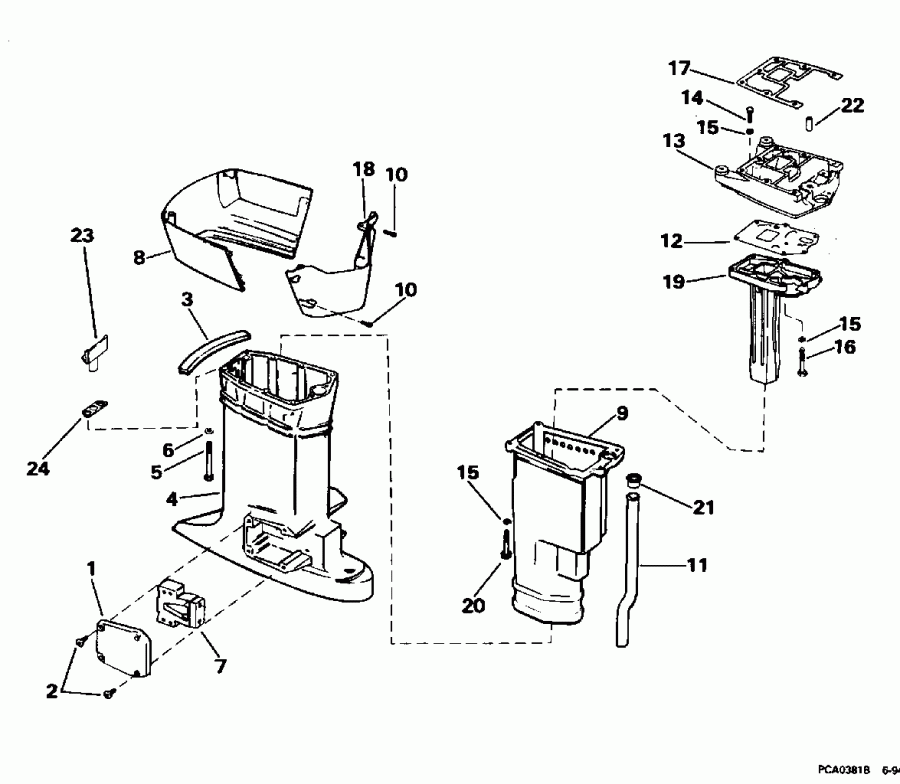
ДЕТАЛИРОВКА ДЛЯ МОДЕЛИ: EVINRUDE BE70TLEDA 1996

УДЛИНИТЕЛЬ КОРПУСА | EXHAUST HOUSING;


 EVINRUDE BE70TLEDA 1996  - haust Корпус

Номер на
рисунке
АртикулНаименованиеКол-во
на складе
Цена
1 0321673

Крышка, Монтажный кронштейн, нижний (COVER, Mount bracket, lower)

нет в наличии, поставок нет
1 0329288

   (последний код) COVER

нет в наличии, поставок нет
2 0329894

Винт, Крышка (SCREW, Cover)

нет в наличии, поставок нет
2 0302510

   (последний код) SCREW

нет в наличии, поставок нет
3 0314024

Сальник, Удлинитель корпуса (SEAL, Exhaust housing)

нет в наличии, поставок нет
4 0340772

Удлинитель корпуса, Outer (EXHAUST HOUSING, Outer)

нет в наличии, поставок нет
4 0342868

Удлинитель корпуса, Outer, J70JLEO only (EXHAUST HOUSING, Outer, J70JLEO only)

нет в наличии, поставок нет
5 0326900

Винт, Удлинитель корпуса (SCREW, Exhaust housing)

нет в наличии, поставок нет
5 0330714

   (последний код) SCREW

нет в наличии, поставок нет
6 0307708

Шайба, Удлинитель корпуса (WASHER, Exhaust housing)

нет в наличии, поставок нет
6 0302865

   (последний код) LOCKWASHER

нет в наличии, поставок нет
7 0434331

RUBBER Крепление нижнее (RUBBER MOUNT, Lower)

нет в наличии, поставок нет
8 0340777

Крышка, Задний корпус (COVER, Housing, rear)

нет в наличии, поставок нет
8 0206006

   (последний код) COVER EXH HSG

нет в наличии, поставок нет
9 0337023

Удлинитель корпуса (EXHAUST HOUSING)

нет в наличии, поставок нет
9 0336319

   (последний код) HOUSING,EXHAUST

нет в наличии, поставок нет
10 0328694

Винт, Front to rear Крышка (SCREW, Front to rear cover)

нет в наличии, поставок нет
10 0911122

   (последний код) SCREW

нет в наличии, поставок нет
11 0319281

Водяная трубка (WATER TUBE)

нет в наличии, поставок нет
12 0336308

Прокладка (GASKET)

нет в наличии, поставок нет
12 0330984

   (последний код) GASKET

нет в наличии, поставок нет
13 0336274

ADAPTER, Удлинитель корпуса (ADAPTER, Exhaust housing)

нет в наличии, поставок нет
13 0344363

   (последний код) ADAPTOR

нет в наличии, поставок нет
14 0329894

Винт, Adapter to Корпус (SCREW, Adapter to housing)

нет в наличии, поставок нет
14 0302510

   (последний код) SCREW

нет в наличии, поставок нет
15 0302290

Шайба с блокировкой (LOCK WASHER)

нет в наличии, поставок нет
15 0338307

   (последний код) WASHER,LOCK

нет в наличии, поставок нет
16 0324334

Винт, Megaphone (SCREW, Megaphone)

нет в наличии, поставок нет
16 0302820

   (последний код) SCREW

нет в наличии, поставок нет
17 0329828

Прокладка, Adapter to powerhead (GASKET, Adapter to powerhead)

нет в наличии, поставок нет
18 0340778

Выхлопная крышка Передний корпус (COVER, Exhaust housing, front)

нет в наличии, поставок нет
19 0337024

MEGAPHONE (MEGAPHONE)

нет в наличии, поставок нет
19 0336346

   (последний код) MEGAPHONE

нет в наличии, поставок нет
20 0319358

Винт (SCREW)

нет в наличии, поставок нет
20 0329110

   (последний код) SCREW

нет в наличии, поставок нет
21 0319043

Сальник, Водяная трубка, верхний (SEAL, Water tube, upper)

нет в наличии, поставок нет
22 0331019

DOWEL, Гильза, adapter (DOWEL, Sleeve, adapter)

нет в наличии, поставок нет
23 0336448

BAFFLE, Удлинитель корпуса (BAFFLE, Exhaust housing)

нет в наличии, поставок нет
24 0336418

Прокладка, Baffle (GASKET, Baffle)

нет в наличии, поставок нет
evinrude

Время выполнения запроса 1.6165480613708 сек.


 
 

данный сайт носит информационный характер и не является публичной офертой

склад запчастей для водомоторной техники