вконтакте

Контактный телефон: +7 (981) 121-46-93, +7 (800) 200-90-76 , Email: parts-katalog@yandex.ru, где купить

 
 

  Логин:

Пароль:

Регистрация

www.partskatalog.ru Все каталоги Запчасти Mercury Запчасти Suzuki Запчасти Tohatsu Запчасти Honda Контакты



УВАЖАЕМЫЕ КЛИЕНТЫ!
C 19 ДЕКАБРЯ 2025 ПО 02 МАРТА 2026 ГОДА ОТДЕЛ ЗАПЧАСТЕЙ И СЕРВИС РАБОТАТЬ НЕ БУДУТ
ПРОДАЖА ЛОДОЧНЫХ МОТОРОВ В ШТАТНОМ РЕЖИМЕ
ОБ ИЗМЕНЕНИЯХ В ГРАФИКЕ РАБОТЫ ЧИТАЙТЕ НА САЙТА




Все разделы каталога запчастей на этот двигатель

назад Раздел:   вперёд

вернуться к списку узлов и деталей

ДЕТАЛИРОВКА ДЛЯ МОДЕЛИ: EVINRUDE SE55RSYW 1996

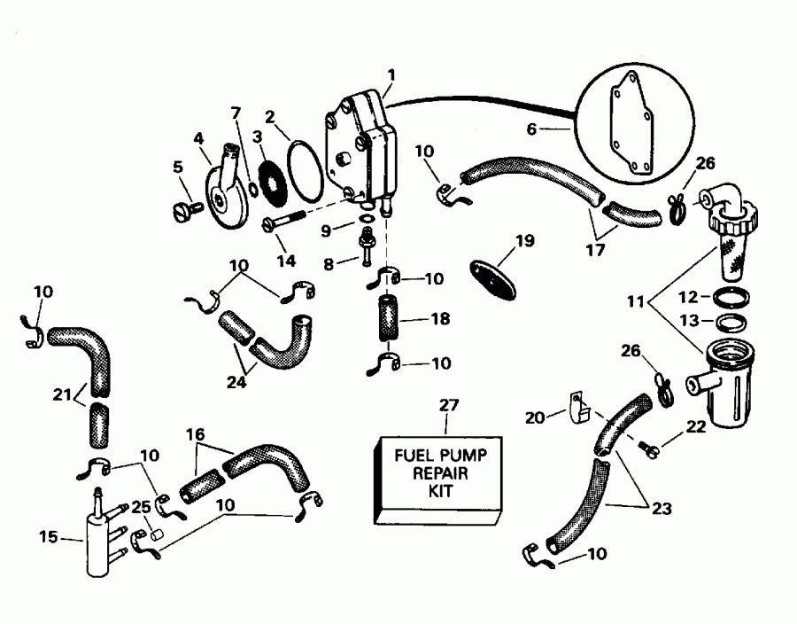
ТОПЛИВНЫЙ НАСОС & ФИЛЬТР | FUEL PUMP & FILTER;


Подвесной мотор EVINRUDE SE55RSYW 1996  - el Pump & Filter - el Помпа & Фильтр

Номер на
рисунке
АртикулНаименованиеКол-во
на складе
Цена
1 0433388

Топливный насос в сборе. (FUEL PUMP ASSY.)

нет в наличии, поставок нет
1 0438557

   (последний код) PUMP AY,FUEL

нет в наличии, поставок нет
2 0319528

Уплотнительное кольцо, Колпачок to Помпа (O-RING, Cap to pump)

нет в наличии, поставок нет
3 0312675

SCREEN, Фильтр (SCREEN, Filter)

нет в наличии, поставок нет
4 0335335

Крышка фильтра (CAP, Filter)

нет в наличии, поставок нет
5 0330061

Винт, Колпачок (SCREW, Cap)

нет в наличии, поставок нет
5 0312677

   (последний код) SCREW

нет в наличии, поставок нет
6 0332678

Диафрагма (DIAPHRAGM)

нет в наличии, поставок нет
6 0328780

   (последний код) DIAPHRAGM

нет в наличии, поставок нет
7 0324660

Уплотнительное кольцо (O-RING)

нет в наличии, поставок нет
8 0335233

FITTING, выход (FITTING, Outlet)

нет в наличии, поставок нет
8 0343576

   (последний код) NIPPLE

нет в наличии, поставок нет
9 0332437

Уплотнительное кольцо, Fitting (O-RING, Fitting)

нет в наличии, поставок нет
10 0320107

Крепёжный хомут, Шланг to Карбюратор (TIE STRAP, Hose to carburetor)

нет в наличии, поставок нет
10 5035626

   (последний код) BAND,REM CON

нет в наличии, поставок нет
11 0397715

Топливный фильтр (FUEL FILTER)

нет в наличии, поставок нет
11 0394375

   (последний код) FUEL-FILTER

нет в наличии, поставок нет
12 0327270

Прокладка, Фильтр (GASKET, Filter)

нет в наличии, поставок нет
12 0329716

   (последний код) GASKET

нет в наличии, поставок нет
13 0124369

Сальник (SEAL)

нет в наличии, поставок нет
14 0314417

Винт, Помпа Креплениеing (SCREW, Pump mounting)

нет в наличии, поставок нет
14 3852126

   (последний код) SCREW

нет в наличии, поставок нет
15 0395540

Коллектор, Fuel (MANIFOLD, Fuel)

нет в наличии, поставок нет
16 0

Шланг, Коллектор to low. carb., 3 1 / 2 дюйм (90m ) сокращёная длина From 327228 - 5 / 32 дюйм I.D., 25 фут (7, 6m) Roll (HOSE, Manifold to low. carb., 3 1/2 in. (90m ). Cut to Length From 327228 - 5/32 in. I.D., 25 ft. (7,6m) Roll)

нет в наличии, поставок нет
17 0

Топливный шланг Фильтр to Топливный насос, 3 дюйм (76 мм) сокращёная длина From 333341 - 5 / 16 дюйм I.D., 25 фут (7, 6m) Roll (HOSE, Fuel filter to fuel pump, 3 in. (76mm). Cut to Length From 333341 - 5/16 in. I.D., 25 ft. (7,6m) Roll)

нет в наличии, поставок нет
18 0

Шланг, Pulse 16 дюйм (406 мм) сокращёная длина From 333485 - 1 / 4 дюйм I.D., 25 фут (7, 6m) Roll (HOSE, Pulse 16 in. (406mm). Cut to Length From 333485 - 1/4 in. I.D., 25 ft. (7,6m) Roll)

нет в наличии, поставок нет
19 0303615

Прокладка топливного насоса to Цилиндр (GASKET, Fuel pump to cylinder)

нет в наличии, поставок нет
20 0310947

Струбцина топливного шланга to Картер двигателя (CLAMP, Fuel hose to crankcase)

нет в наличии, поставок нет
21 0

Шланг, Коллектор to верхний carb., 3 1 / 2 дюйм (90 m) сокращёная длина From 327228 - 5 / 32 дюйм I.D., 25 фут (7, 6m) Roll (HOSE, Manifold to upper carb., 3 1/2 in. (90 m). Cut to Length From 327228 - 5/32 in. I.D., 25 ft. (7,6m) Roll)

нет в наличии, поставок нет
22 0330437

Винт зажима (SCREW, Clamp)

нет в наличии, поставок нет
22 3852201

   (последний код) SCREW

нет в наличии, поставок нет
23 0336225

Шланг, Коннектор to Фильтр (HOSE, Connector to filter)

нет в наличии, поставок нет
24 0336224

Шланг, Помпа to Коллектор (HOSE, Pump to manifold)

нет в наличии, поставок нет
25 0333264

Заглушка, Коллектор (PLUG, Manifold)

нет в наличии, поставок нет
26 0339278

Провод Струбцина (WIRE CLAMP)

нет в наличии, поставок нет
27 0433519

Топливный насос Ремонтный комплект (FUEL PUMP REPAIR KIT)

нет в наличии, поставок нет
27 0438616

   (последний код) KIT AY,F PUMP RPR

нет в наличии, поставок нет
evinrude

Время выполнения запроса 0.52652502059937 сек.


 
 

данный сайт носит информационный характер и не является публичной офертой

склад запчастей для водомоторной техники