вконтакте

Контактный телефон: +7 (981) 121-46-93, +7 (800) 200-90-76 , Email: parts-katalog@yandex.ru, где купить

 
 

  Логин:

Пароль:

Регистрация

www.partskatalog.ru Все каталоги Запчасти Mercury Запчасти Suzuki Запчасти Tohatsu Запчасти Honda Контакты


Все разделы каталога запчастей на этот двигатель

назад Раздел:   вперёд

вернуться к списку узлов и деталей

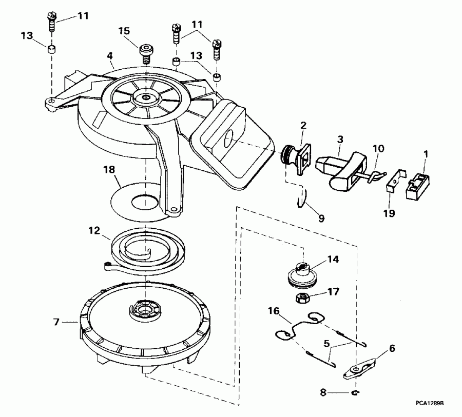
ДЕТАЛИРОВКА ДЛЯ МОДЕЛИ: EVINRUDE BE8RCLH 1996

REWIND СТАРТЕР | REWIND STARTER;


Подвесной мотор Эвинруд BE8RCLH 1996  - wind Стартер

Номер на
рисунке
АртикулНаименованиеКол-во
на складе
Цена
1 0338507

ANCHOR, Шнур стартера (ANCHOR, Starter rope)

нет в наличии, поставок нет
1 5000510

   (последний код) HANDLE AY,STARTER

нет в наличии, поставок нет
2 0336148

Направляющая шнура (GUIDE, Rope)

нет в наличии, поставок нет
3 0342465

Рукоятка стартера (HANDLE, Starter)

нет в наличии, поставок нет
3 5000510

   (последний код) HANDLE AY,STARTER

нет в наличии, поставок нет
4 0339037

Корпус, Стартер (HOUSING, Starter)

нет в наличии, поставок нет
5 0335905

Соединитель, Фрикционная пружина (LINK, Friction spring)

нет в наличии, поставок нет
6 0203698

PAWL, Стартер (PAWL, Starter)

нет в наличии, поставок нет
7 0435741

Шкив & Штифт, Стартер (PULLEY & PIN, Starter)

нет в наличии, поставок нет
8 0203470

Кольцо, Retaining, pawl (RING, Retaining, pawl)

нет в наличии, поставок нет
8 0202139

   (последний код) RETAINING RIN

нет в наличии, поставок нет
9 0336110

Кольцо, Retaining, Направляющая (RING, Retaining, guide)

нет в наличии, поставок нет
10 0336118

Шнур стартера (ROPE, Starter)

нет в наличии, поставок нет
11 0333706

Винт, Корпус стартера (SCREW, Starter housing)

нет в наличии, поставок нет
12 0336681

Пружина стартера (SPRING, Starter)

нет в наличии, поставок нет
12 0335967

   (последний код) SPRING

нет в наличии, поставок нет
13 0336096

Проставка, Корпус стартера (SPACER, Starter housing)

нет в наличии, поставок нет
14 0339038

SШтифтDLE в сборе. (SPINDLE ASSY.)

нет в наличии, поставок нет
15 0339043

Винт, SШтифтdle (SCREW, Spindle)

нет в наличии, поставок нет
16 0331970

Фрикционная пружина (SPRING, Friction)

нет в наличии, поставок нет
17 0121674

LOCKГайка, SШтифтdle (LOCKNUT, Spindle)

нет в наличии, поставок нет
17 3852004

   (последний код) NUT,LOCK

нет в наличии, поставок нет
18 0339030

SHIELD, Пружина (SHIELD, Spring)

нет в наличии, поставок нет
19 0340841

Фиксатор, Anchor (RETAINER, Anchor)

нет в наличии, поставок нет
19 5000510

   (последний код) HANDLE AY,STARTER

нет в наличии, поставок нет
evinrude

Время выполнения запроса 0.40368294715881 сек.


 
 

данный сайт носит информационный характер и не является публичной офертой

склад запчастей для водомоторной техники