вконтакте

Контактный телефон: +7 (981) 121-46-93, +7 (800) 200-90-76 , Email: parts-katalog@yandex.ru, где купить

 
 

  Логин:

Пароль:

Регистрация

www.partskatalog.ru Все каталоги Запчасти Mercury Запчасти Suzuki Запчасти Tohatsu Запчасти Honda Контакты


Все разделы каталога запчастей на этот двигатель

назад Раздел:   вперёд

вернуться к списку узлов и деталей

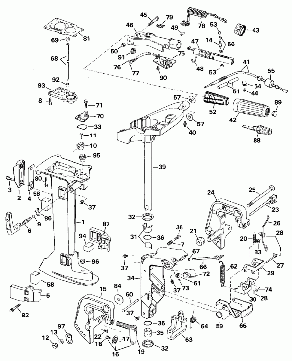
ДЕТАЛИРОВКА ДЛЯ МОДЕЛИ: EVINRUDE BE4RDHEDS 1996

MIDSECTION | MIDSECTION;


Подвесной мотор EVINRUDE BE4RDHEDS 1996  - dsection / dsection

Номер на
рисунке
АртикулНаименованиеКол-во
на складе
Цена
1 0431967

Удлинитель корпуса в сборе. (EXHAUST HOUSING ASSY.)

нет в наличии, поставок нет
1 0334034

   (последний код) EXH.HOUSING

нет в наличии, поставок нет
2 0432016

MUFFLER ASSEMBLY (MUFFLER ASSEMBLY)

нет в наличии, поставок нет
2 0334243

   (последний код) MUFFLER

нет в наличии, поставок нет
3 0334256

Винт, Muffler (SCREW, Muffler)

нет в наличии, поставок нет
4 0334278

Прокладка глушителя (GASKET, Muffler)

нет в наличии, поставок нет
5 0324597

Корпус, нижний Крепление, stbd. (HOUSING, Lower mount, stbd.)

нет в наличии, поставок нет
6 0397702

HANDLE, ШестерняПереключатель (HANDLE, Gearshift)

нет в наличии, поставок нет
6 0389569

   (последний код) SHIFT-LVR&SH

нет в наличии, поставок нет
7 0551113

Фрикционная пружина (SPRING, Friction)

нет в наличии, поставок нет
8 0328744

Винт, Выхлоп Трубка to powerhead (SCREW, Exhaust tube to powerhead)

нет в наличии, поставок нет
8 0308741

   (последний код) SCREW

нет в наличии, поставок нет
9 0303191

Уплотнительное кольцо, Переключатель handle (O-RING, Shift handle)

нет в наличии, поставок нет
10 0324608

Шестерни переключения, Вал (GEAR, Shift, shaft)

нет в наличии, поставок нет
11 0327794

Винт, Шестерня to Вал (SCREW, Gear to shaft)

нет в наличии, поставок нет
11 0323044

   (последний код) SCREW

нет в наличии, поставок нет
12 0307160

Гайка, Tilting Болт (NUT, Tilting bolt)

нет в наличии, поставок нет
13 0312874

Шайба, Пружина наклонаing Болт (WASHER, Spring, tilting bolt)

нет в наличии, поставок нет
14 0329880

Штифт, Кабели to Роликs (PIN, Cable to rollers)

нет в наличии, поставок нет
15 0335892

Кронштейн транца в сборе., Stbd. (STERN BRACKET ASSY., Stbd.)

нет в наличии, поставок нет
16 0433675

Винт струбцины в сборе., Aluminum (CLAMP SCREW ASSY., Aluminum)

нет в наличии, поставок нет
16 0433674

   (последний код) KIT AY,CLAMPSCREW

нет в наличии, поставок нет
16 0391421

Винт струбцины в сборе., Stainless (CLAMP SCREW ASSY., Stainless)

нет в наличии, поставок нет
16 0389959

   (последний код) CLAMPSCREW

нет в наличии, поставок нет
17 0337017

Пластина, Swivel (PLATE, Swivel)

нет в наличии, поставок нет
17 0307561

   (последний код) SWIVEL PLATE

нет в наличии, поставок нет
18 0321922

Винт (SCREW)

нет в наличии, поставок нет
19 0398001

REPLACEMENT HANDLE в сборе. (REPLACEMENT HANDLE ASSY.)

нет в наличии, поставок нет
20 0202021

Пружина, Соединитель to shallow water drive (SPRING, Link to shallow water drive)

нет в наличии, поставок нет
21 0301983

Шайба, Conical (WASHER, Conical)

нет в наличии, поставок нет
22 0901889

Винт, Кронштейн транцаs (SCREW, Stern brackets)

нет в наличии, поставок нет
22 0303396

   (последний код) SCREW

нет в наличии, поставок нет
23 0432453

Ручка & TILT Штифт в сборе. (KNOB & TILT PIN ASSY.)

нет в наличии, поставок нет
23 0390441

   (последний код) KNOB&TILT-PI

нет в наличии, поставок нет
24 0335891

STERN BRKT. в сборе., Port (STERN BRKT. ASSY., Port)

нет в наличии, поставок нет
25 0336158

Болт опрокидывания (BOLT, Tilting)

нет в наличии, поставок нет
26 0324588

Тяга рычага блокировки реверса (LINK, Reverse lock arm)

нет в наличии, поставок нет
27 0324582

Штифт тяги to locking Рычаг (PIN, Link to locking lever)

нет в наличии, поставок нет
28 0305650

Шплинт, Tilt Штифт (COTTER PIN, Tilt pin)

нет в наличии, поставок нет
28 3852052

   (последний код) PIN,COTTER

нет в наличии, поставок нет
29 0324580

Соединитель, Блокировка задней передачи (LINK, Reverse lock)

нет в наличии, поставок нет
30 0324581

Рычаг, Блокировка задней передачиing (LEVER, Reverse locking)

нет в наличии, поставок нет
31 0392319

Фрикционный диск, Pad & Втулка (FRICTION PLATE, Pad & bushing)

нет в наличии, поставок нет
31 0324575

   (последний код) FRICTION PLATE

нет в наличии, поставок нет
32 0324576

Упорная шайба, Сальник & Стержень Трубка (WASHER, Thrust, seal & pivot tube)

нет в наличии, поставок нет
33 0328007

Уплотнительное кольцо, Крышка to Удлинитель корпуса (O-RING, Cover to exhaust housing)

нет в наличии, поставок нет
34 0434024

Поворотный кронштейн в сборе. (SWIVEL BRACKET ASSY.)

нет в наличии, поставок нет
34 0394568

   (последний код) BRACKET-AY

нет в наличии, поставок нет
35 0334360

Втулка, нижний , Поворотный кронштейн (BUSHING, Lower, swivel bracket)

нет в наличии, поставок нет
35 0324573

   (последний код) BUSHING

нет в наличии, поставок нет
36 0554545

Уплотнительное кольцо, Поворотный кронштейн (O-RING, Swivel bracket)

нет в наличии, поставок нет
37 0313607

FITTING, Lube, Удлинитель корпуса (FITTING, Lube, exhaust housing)

нет в наличии, поставок нет
37 3852121

   (последний код) FITTING,LUB

нет в наличии, поставок нет
38 0324603

Винт, Рулевая система friction (SCREW, Steering friction)

нет в наличии, поставок нет
38 0329759

   (последний код) WING-SCREW

нет в наличии, поставок нет
39 0394059

Кронштейн рулевого управления (STEERING BRACKET)

нет в наличии, поставок нет
39 0393278

   (последний код) STEERING-BRA

нет в наличии, поставок нет
40 0313607

LUBE FITTING (LUBE FITTING)

нет в наличии, поставок нет
40 3852121

   (последний код) FITTING,LUB

нет в наличии, поставок нет
41 0397003

Тросик дросселя в сборе. (THROTTLE CABLE ASSY.)

нет в наличии, поставок нет
41 0392965

   (последний код) CABLE AY,THROTTLE

нет в наличии, поставок нет
42 0436216

Рукоятка в сборе. (GRIP ASSY.)

нет в наличии, поставок нет
43 0327944

Пластина, Управление дросселем (PLATE, Throttle control)

нет в наличии, поставок нет
43 0324771

   (последний код) PLATE

нет в наличии, поставок нет
44 0909676

Винт, Струбцина кабеля дросселя (SCREW, Clamp, throttle cable)

нет в наличии, поставок нет
45 0324602

Винт, Румпель (SCREW, Steering handle)

нет в наличии, поставок нет
46 0434124

Ручка руля (румпель) (HANDLE, Steering)

нет в наличии, поставок нет
47 0397001

Румпель & Фиксатор Зажим (STEERING HANDLE & RETAINER CLIP)

нет в наличии, поставок нет
48 0332089

Фиксатор Зажим (RETAINER CLIP)

нет в наличии, поставок нет
49 0334960

SPIRAL Штифт (SPIRAL PIN)

нет в наличии, поставок нет
49 0330841

   (последний код) SPIRAL PIN

нет в наличии, поставок нет
50 0313838

Гайка, Румпель (NUT, Steering handle)

нет в наличии, поставок нет
51 0323912

Гильза, Тросик дросселя & Провод (SLEEVE, Throttle cable & wire)

нет в наличии, поставок нет
51 0330101

   (последний код) SLEEVE

нет в наличии, поставок нет
52 0339722

HELIX, Twist Рукоятка (HELIX, Twist grip)

нет в наличии, поставок нет
53 0329881

Ролик, Helix to Кабели (ROLLER, Helix to cable)

нет в наличии, поставок нет
54 0324952

Струбцина кабеля дросселя to handle (CLAMP, Throttle cable to handle)

нет в наличии, поставок нет
55 0329063

Сальник, Румпель (SEAL, Steering handle)

нет в наличии, поставок нет
56 0329879

Направляющая, Штифт (GUIDE, Pin)

нет в наличии, поставок нет
57 0335426

Втулка, Румпель (BUSHING, Steering handle)

нет в наличии, поставок нет
57 0324594

   (последний код) BUSHING-STR

нет в наличии, поставок нет
58 0318997

Монтажная резинка (RUBBER MOUNT)

нет в наличии, поставок нет
59 0324355

Пружина системы движения по мелководью (SPRING, Shallow water drive)

нет в наличии, поставок нет
60 0324583

Штифт, Shallow water drive (PIN, Shallow water drive)

нет в наличии, поставок нет
61 0324586

Рычаг, Блокировка задней передачи release (LEVER, Reverse lock release)

нет в наличии, поставок нет
62 0324591

Пружина блокировки задней передачи (SPRING, Reverse lock)

нет в наличии, поставок нет
63 0394907

Ручка для переноски (CARRYING HANDLE)

нет в наличии, поставок нет
63 0325204

   (последний код) TORSION-SPRI

нет в наличии, поставок нет
64 0330250

Пружина, Ручка для переноски (SPRING, Carrying handle)

нет в наличии, поставок нет
65 0391317

Соединитель, Shallow water drive (LINK, Shallow water drive)

нет в наличии, поставок нет
65 0389565

   (последний код) LINK

нет в наличии, поставок нет
0434050 0434050

TILT Ручка KIT. Not Shown (TILT KNOB KIT. Not Shown)

нет в наличии, поставок нет
0434050 0394598

   (последний код) KNOB-&-SHAFT

нет в наличии, поставок нет
66 0433896

Ручка & Вал в сборе. (KNOB & SHAFT ASSY.)

нет в наличии, поставок нет
66 0394567

   (последний код) KNOB & SHAFT AY

нет в наличии, поставок нет
67 0202893

Уплотнительное кольцо, Ручка & Вал (O-RING, Knob & shaft)

нет в наличии, поставок нет
67 3852033

   (последний код) O-RING

нет в наличии, поставок нет
68 0324600

Водяная трубка, Std. (WATER TUBE, Std.)

нет в наличии, поставок нет
68 0324601

Водяная трубка, Long (WATER TUBE, Long)

нет в наличии, поставок нет
69 0324604

Фиксатор, Водяная трубка (RETAINER, Water tube)

нет в наличии, поставок нет
70 0324610

Выхлопная крышка Корпус (COVER, Exhaust housing)

нет в наличии, поставок нет
71 0328744

Винт, Крышка to Удлинитель корпуса (SCREW, Cover to exhaust housing)

нет в наличии, поставок нет
71 0308741

   (последний код) SCREW

нет в наличии, поставок нет
72 0324584

Проставка, Блокировка задней передачи release (SPACER, Reverse lock release)

нет в наличии, поставок нет
73 0324967

Винт, Рычаг, Блокировка задней передачи release (SCREW, Lever, reverse lock release)

нет в наличии, поставок нет
74 0303715

Шайба, Штифт тяги to locking Рычаг (WASHER, Pin, link to locking lever)

нет в наличии, поставок нет
75 0585133

Выключатель двигателя в сборе. (STOP SWITCH ASSY.)

нет в наличии, поставок нет
75 0584829

   (последний код) SWITCH AY,STOP/CUTOFF

нет в наличии, поставок нет
76 0581656

SOCKET (SOCKET)

нет в наличии, поставок нет
76 3852257

   (последний код) TERMINAL AY,SCKT

нет в наличии, поставок нет
77 0510818

Кольцо Клемма (RING TERMINAL)

нет в наличии, поставок нет
77 3854243

   (последний код) TERMINAL,RIN

нет в наличии, поставок нет
78 0398602

LANYARD (LANYARD)

нет в наличии, поставок нет
79 0333499

Зажим, Restart (CLIP, Restart)

нет в наличии, поставок нет
80 0333676

Винт, Удлинитель корпуса to pwrhd. (SCREW, Exhaust housing to pwrhd.)

нет в наличии, поставок нет
80 3854923

   (последний код) SCREW

нет в наличии, поставок нет
81 0324611

Прокладка выпускной системы Корпус (GASKET, Exhaust housing)

нет в наличии, поставок нет
82 0325115

Винт, Креплениеing Кронштейнs (SCREW, Mounting brackets)

нет в наличии, поставок нет
82 0321483

   (последний код) SCREW CCASE CYL

нет в наличии, поставок нет
83 0303887

Шайба, Штифт to Поворотный кронштейн (WASHER, Pin to swivel bracket)

нет в наличии, поставок нет
84 0304278

Шайба, Кронштейн, stbd. (WASHER, Bracket, stbd.)

нет в наличии, поставок нет
84 0319313

   (последний код) WASHER

нет в наличии, поставок нет
86 0332661

Пружина переключателя detent (SPRING, Shift detent)

нет в наличии, поставок нет
87 0324596

Корпус, нижний Крепление, port (HOUSING, Lower mount, port)

нет в наличии, поставок нет
88 0584302

ADJUSTMENT, Idle (ADJUSTMENT, Idle)

нет в наличии, поставок нет
89 0336347

Заглушка, Idle adjustment (PLUG, Idle adjustment)

нет в наличии, поставок нет
90 0336481

Винт стопора Переключатель (SCREW, Stop switch)

нет в наличии, поставок нет
91 0316132

Пыльник тросика дросселя (GROMMET, Throttle cable)

нет в наличии, поставок нет
92 0323286

Пыльник водяной трубки (GROMMET, Water tube)

нет в наличии, поставок нет
93 0335276

Выхлоп Трубка внутри (EXHAUST TUBE, Inner)

нет в наличии, поставок нет
94 0324968

THRUST Крепление нижнее (THRUST MOUNT, Lower)

нет в наличии, поставок нет
94 0326302

   (последний код) THRUST MOUNT

нет в наличии, поставок нет
95 0324607

Шестерня, Переключающая тяга (PINION, Shift rod)

нет в наличии, поставок нет
96 0552360

Пыльник, Переключающая тяга (GROMMET, Shift rod)

нет в наличии, поставок нет
97 0336559

Кронштейн, Safety Цепь (BRACKET, Safety chain)

нет в наличии, поставок нет
evinrude

Время выполнения запроса 1.4219079017639 сек.


 
 

данный сайт носит информационный характер и не является публичной офертой

склад запчастей для водомоторной техники