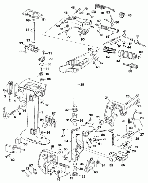
Номер на рисунке | Артикул | Наименование | Кол-во на складе | Цена |
| 1 | 0431967 | Удлинитель корпуса в сборе. (EXHAUST HOUSING ASSY.) | нет в наличии, поставок нет |
| 1 | 0334034 | (последний код) EXH.HOUSING | нет в наличии, поставок нет |
| 2 | 0432016 | MUFFLER ASSEMBLY (MUFFLER ASSEMBLY) | нет в наличии, поставок нет |
| 2 | 0334243 | (последний код) MUFFLER | нет в наличии, поставок нет |
| 3 | 0334256 | Винт, Muffler (SCREW, Muffler) | нет в наличии, поставок нет |
| 4 | 0334278 | Прокладка глушителя (GASKET, Muffler) | нет в наличии, поставок нет |
| 5 | 0324597 | Корпус, нижний Крепление, stbd. (HOUSING, Lower mount, stbd.) | нет в наличии, поставок нет |
| 6 | 0397702 | HANDLE, ШестерняПереключатель (HANDLE, Gearshift) | нет в наличии, поставок нет |
| 6 | 0389569 | (последний код) SHIFT-LVR&SH | нет в наличии, поставок нет |
| 7 | 0551113 | Фрикционная пружина (SPRING, Friction) | нет в наличии, поставок нет |
| 8 | 0328744 | Винт, Выхлоп Трубка to powerhead (SCREW, Exhaust tube to powerhead) | нет в наличии, поставок нет |
| 8 | 0308741 | (последний код) SCREW | нет в наличии, поставок нет |
| 9 | 0303191 | Уплотнительное кольцо, Переключатель handle (O-RING, Shift handle) | нет в наличии, поставок нет |
| 10 | 0324608 | Шестерни переключения, Вал (GEAR, Shift, shaft) | нет в наличии, поставок нет |
| 11 | 0327794 | Винт, Шестерня to Вал (SCREW, Gear to shaft) | нет в наличии, поставок нет |
| 11 | 0323044 | (последний код) SCREW | нет в наличии, поставок нет |
| 12 | 0307160 | Гайка, Tilting Болт (NUT, Tilting bolt) | нет в наличии, поставок нет |
| 13 | 0312874 | Шайба, Пружина наклонаing Болт (WASHER, Spring, tilting bolt) | нет в наличии, поставок нет |
| 14 | 0329880 | Штифт, Кабели to Роликs (PIN, Cable to rollers) | нет в наличии, поставок нет |
| 15 | 0335892 | Кронштейн транца в сборе., Stbd. (STERN BRACKET ASSY., Stbd.) | нет в наличии, поставок нет |
| 16 | 0433675 | Винт струбцины в сборе., Aluminum (CLAMP SCREW ASSY., Aluminum) | нет в наличии, поставок нет |
| 16 | 0433674 | (последний код) KIT AY,CLAMPSCREW | нет в наличии, поставок нет |
| 16 | 0391421 | Винт струбцины в сборе., Stainless (CLAMP SCREW ASSY., Stainless) | нет в наличии, поставок нет |
| 16 | 0389959 | (последний код) CLAMPSCREW | нет в наличии, поставок нет |
| 17 | 0337017 | Пластина, Swivel (PLATE, Swivel) | нет в наличии, поставок нет |
| 17 | 0307561 | (последний код) SWIVEL PLATE | нет в наличии, поставок нет |
| 18 | 0321922 | Винт (SCREW) | нет в наличии, поставок нет |
| 19 | 0398001 | REPLACEMENT HANDLE в сборе. (REPLACEMENT HANDLE ASSY.) | нет в наличии, поставок нет |
| 20 | 0202021 | Пружина, Соединитель to shallow water drive (SPRING, Link to shallow water drive) | нет в наличии, поставок нет |
| 21 | 0301983 | Шайба, Conical (WASHER, Conical) | нет в наличии, поставок нет |
| 22 | 0901889 | Винт, Кронштейн транцаs (SCREW, Stern brackets) | нет в наличии, поставок нет |
| 22 | 0303396 | (последний код) SCREW | нет в наличии, поставок нет |
| 23 | 0432453 | Ручка & TILT Штифт в сборе. (KNOB & TILT PIN ASSY.) | нет в наличии, поставок нет |
| 23 | 0390441 | (последний код) KNOB&TILT-PI | нет в наличии, поставок нет |
| 24 | 0335891 | STERN BRKT. в сборе., Port (STERN BRKT. ASSY., Port) | нет в наличии, поставок нет |
| 25 | 0336158 | Болт опрокидывания (BOLT, Tilting) | нет в наличии, поставок нет |
| 26 | 0324588 | Тяга рычага блокировки реверса (LINK, Reverse lock arm) | нет в наличии, поставок нет |
| 27 | 0324582 | Штифт тяги to locking Рычаг (PIN, Link to locking lever) | нет в наличии, поставок нет |
| 28 | 0305650 | Шплинт, Tilt Штифт (COTTER PIN, Tilt pin) | нет в наличии, поставок нет |
| 28 | 3852052 | (последний код) PIN,COTTER | нет в наличии, поставок нет |
| 29 | 0324580 | Соединитель, Блокировка задней передачи (LINK, Reverse lock) | нет в наличии, поставок нет |
| 30 | 0324581 | Рычаг, Блокировка задней передачиing (LEVER, Reverse locking) | нет в наличии, поставок нет |
| 31 | 0392319 | Фрикционный диск, Pad & Втулка (FRICTION PLATE, Pad & bushing) | нет в наличии, поставок нет |
| 31 | 0324575 | (последний код) FRICTION PLATE | нет в наличии, поставок нет |
| 32 | 0324576 | Упорная шайба, Сальник & Стержень Трубка (WASHER, Thrust, seal & pivot tube) | нет в наличии, поставок нет |
| 33 | 0328007 | Уплотнительное кольцо, Крышка to Удлинитель корпуса (O-RING, Cover to exhaust housing) | нет в наличии, поставок нет |
| 34 | 0434024 | Поворотный кронштейн в сборе. (SWIVEL BRACKET ASSY.) | нет в наличии, поставок нет |
| 34 | 0394568 | (последний код) BRACKET-AY | нет в наличии, поставок нет |
| 35 | 0334360 | Втулка, нижний , Поворотный кронштейн (BUSHING, Lower, swivel bracket) | нет в наличии, поставок нет |
| 35 | 0324573 | (последний код) BUSHING | нет в наличии, поставок нет |
| 36 | 0554545 | Уплотнительное кольцо, Поворотный кронштейн (O-RING, Swivel bracket) | нет в наличии, поставок нет |
| 37 | 0313607 | FITTING, Lube, Удлинитель корпуса (FITTING, Lube, exhaust housing) | нет в наличии, поставок нет |
| 37 | 3852121 | (последний код) FITTING,LUB | нет в наличии, поставок нет |
| 38 | 0324603 | Винт, Рулевая система friction (SCREW, Steering friction) | нет в наличии, поставок нет |
| 38 | 0329759 | (последний код) WING-SCREW | нет в наличии, поставок нет |
| 39 | 0394059 | Кронштейн рулевого управления (STEERING BRACKET) | нет в наличии, поставок нет |
| 39 | 0393278 | (последний код) STEERING-BRA | нет в наличии, поставок нет |
| 40 | 0313607 | LUBE FITTING (LUBE FITTING) | нет в наличии, поставок нет |
| 40 | 3852121 | (последний код) FITTING,LUB | нет в наличии, поставок нет |
| 41 | 0397003 | Тросик дросселя в сборе. (THROTTLE CABLE ASSY.) | нет в наличии, поставок нет |
| 41 | 0392965 | (последний код) CABLE AY,THROTTLE | нет в наличии, поставок нет |
| 42 | 0436216 | Рукоятка в сборе. (GRIP ASSY.) | нет в наличии, поставок нет |
| 43 | 0327944 | Пластина, Управление дросселем (PLATE, Throttle control) | нет в наличии, поставок нет |
| 43 | 0324771 | (последний код) PLATE | нет в наличии, поставок нет |
| 44 | 0909676 | Винт, Струбцина кабеля дросселя (SCREW, Clamp, throttle cable) | нет в наличии, поставок нет |
| 45 | 0324602 | Винт, Румпель (SCREW, Steering handle) | нет в наличии, поставок нет |
| 46 | 0434124 | Ручка руля (румпель) (HANDLE, Steering) | нет в наличии, поставок нет |
| 47 | 0397001 | Румпель & Фиксатор Зажим (STEERING HANDLE & RETAINER CLIP) | нет в наличии, поставок нет |
| 48 | 0332089 | Фиксатор Зажим (RETAINER CLIP) | нет в наличии, поставок нет |
| 49 | 0334960 | SPIRAL Штифт (SPIRAL PIN) | нет в наличии, поставок нет |
| 49 | 0330841 | (последний код) SPIRAL PIN | нет в наличии, поставок нет |
| 50 | 0313838 | Гайка, Румпель (NUT, Steering handle) | нет в наличии, поставок нет |
| 51 | 0323912 | Гильза, Тросик дросселя & Провод (SLEEVE, Throttle cable & wire) | нет в наличии, поставок нет |
| 51 | 0330101 | (последний код) SLEEVE | нет в наличии, поставок нет |
| 52 | 0339722 | HELIX, Twist Рукоятка (HELIX, Twist grip) | нет в наличии, поставок нет |
| 53 | 0329881 | Ролик, Helix to Кабели (ROLLER, Helix to cable) | нет в наличии, поставок нет |
| 54 | 0324952 | Струбцина кабеля дросселя to handle (CLAMP, Throttle cable to handle) | нет в наличии, поставок нет |
| 55 | 0329063 | Сальник, Румпель (SEAL, Steering handle) | нет в наличии, поставок нет |
| 56 | 0329879 | Направляющая, Штифт (GUIDE, Pin) | нет в наличии, поставок нет |
| 57 | 0335426 | Втулка, Румпель (BUSHING, Steering handle) | нет в наличии, поставок нет |
| 57 | 0324594 | (последний код) BUSHING-STR | нет в наличии, поставок нет |
| 58 | 0318997 | Монтажная резинка (RUBBER MOUNT) | нет в наличии, поставок нет |
| 59 | 0324355 | Пружина системы движения по мелководью (SPRING, Shallow water drive) | нет в наличии, поставок нет |
| 60 | 0324583 | Штифт, Shallow water drive (PIN, Shallow water drive) | нет в наличии, поставок нет |
| 61 | 0324586 | Рычаг, Блокировка задней передачи release (LEVER, Reverse lock release) | нет в наличии, поставок нет |
| 62 | 0324591 | Пружина блокировки задней передачи (SPRING, Reverse lock) | нет в наличии, поставок нет |
| 63 | 0394907 | Ручка для переноски (CARRYING HANDLE) | нет в наличии, поставок нет |
| 63 | 0325204 | (последний код) TORSION-SPRI | нет в наличии, поставок нет |
| 64 | 0330250 | Пружина, Ручка для переноски (SPRING, Carrying handle) | нет в наличии, поставок нет |
| 65 | 0391317 | Соединитель, Shallow water drive (LINK, Shallow water drive) | нет в наличии, поставок нет |
| 65 | 0389565 | (последний код) LINK | нет в наличии, поставок нет |
| 0434050 | 0434050 | TILT Ручка KIT. Not Shown (TILT KNOB KIT. Not Shown) | нет в наличии, поставок нет |
| 0434050 | 0394598 | (последний код) KNOB-&-SHAFT | нет в наличии, поставок нет |
| 66 | 0433896 | Ручка & Вал в сборе. (KNOB & SHAFT ASSY.) | нет в наличии, поставок нет |
| 66 | 0394567 | (последний код) KNOB & SHAFT AY | нет в наличии, поставок нет |
| 67 | 0202893 | Уплотнительное кольцо, Ручка & Вал (O-RING, Knob & shaft) | нет в наличии, поставок нет |
| 67 | 3852033 | (последний код) O-RING | нет в наличии, поставок нет |
| 68 | 0324600 | Водяная трубка, Std. (WATER TUBE, Std.) | нет в наличии, поставок нет |
| 68 | 0324601 | Водяная трубка, Long (WATER TUBE, Long) | нет в наличии, поставок нет |
| 69 | 0324604 | Фиксатор, Водяная трубка (RETAINER, Water tube) | нет в наличии, поставок нет |
| 70 | 0324610 | Выхлопная крышка Корпус (COVER, Exhaust housing) | нет в наличии, поставок нет |
| 71 | 0328744 | Винт, Крышка to Удлинитель корпуса (SCREW, Cover to exhaust housing) | нет в наличии, поставок нет |
| 71 | 0308741 | (последний код) SCREW | нет в наличии, поставок нет |
| 72 | 0324584 | Проставка, Блокировка задней передачи release (SPACER, Reverse lock release) | нет в наличии, поставок нет |
| 73 | 0324967 | Винт, Рычаг, Блокировка задней передачи release (SCREW, Lever, reverse lock release) | нет в наличии, поставок нет |
| 74 | 0303715 | Шайба, Штифт тяги to locking Рычаг (WASHER, Pin, link to locking lever) | нет в наличии, поставок нет |
| 75 | 0585133 | Выключатель двигателя в сборе. (STOP SWITCH ASSY.) | нет в наличии, поставок нет |
| 75 | 0584829 | (последний код) SWITCH AY,STOP/CUTOFF | нет в наличии, поставок нет |
| 76 | 0581656 | SOCKET (SOCKET) | нет в наличии, поставок нет |
| 76 | 3852257 | (последний код) TERMINAL AY,SCKT | нет в наличии, поставок нет |
| 77 | 0510818 | Кольцо Клемма (RING TERMINAL) | нет в наличии, поставок нет |
| 77 | 3854243 | (последний код) TERMINAL,RIN | нет в наличии, поставок нет |
| 78 | 0398602 | LANYARD (LANYARD) | нет в наличии, поставок нет |
| 79 | 0333499 | Зажим, Restart (CLIP, Restart) | нет в наличии, поставок нет |
| 80 | 0333676 | Винт, Удлинитель корпуса to pwrhd. (SCREW, Exhaust housing to pwrhd.) | нет в наличии, поставок нет |
| 80 | 3854923 | (последний код) SCREW | нет в наличии, поставок нет |
| 81 | 0324611 | Прокладка выпускной системы Корпус (GASKET, Exhaust housing) | нет в наличии, поставок нет |
| 82 | 0325115 | Винт, Креплениеing Кронштейнs (SCREW, Mounting brackets) | нет в наличии, поставок нет |
| 82 | 0321483 | (последний код) SCREW CCASE CYL | нет в наличии, поставок нет |
| 83 | 0303887 | Шайба, Штифт to Поворотный кронштейн (WASHER, Pin to swivel bracket) | нет в наличии, поставок нет |
| 84 | 0304278 | Шайба, Кронштейн, stbd. (WASHER, Bracket, stbd.) | нет в наличии, поставок нет |
| 84 | 0319313 | (последний код) WASHER | нет в наличии, поставок нет |
| 86 | 0332661 | Пружина переключателя detent (SPRING, Shift detent) | нет в наличии, поставок нет |
| 87 | 0324596 | Корпус, нижний Крепление, port (HOUSING, Lower mount, port) | нет в наличии, поставок нет |
| 88 | 0584302 | ADJUSTMENT, Idle (ADJUSTMENT, Idle) | нет в наличии, поставок нет |
| 89 | 0336347 | Заглушка, Idle adjustment (PLUG, Idle adjustment) | нет в наличии, поставок нет |
| 90 | 0336481 | Винт стопора Переключатель (SCREW, Stop switch) | нет в наличии, поставок нет |
| 91 | 0316132 | Пыльник тросика дросселя (GROMMET, Throttle cable) | нет в наличии, поставок нет |
| 92 | 0323286 | Пыльник водяной трубки (GROMMET, Water tube) | нет в наличии, поставок нет |
| 93 | 0335276 | Выхлоп Трубка внутри (EXHAUST TUBE, Inner) | нет в наличии, поставок нет |
| 94 | 0324968 | THRUST Крепление нижнее (THRUST MOUNT, Lower) | нет в наличии, поставок нет |
| 94 | 0326302 | (последний код) THRUST MOUNT | нет в наличии, поставок нет |
| 95 | 0324607 | Шестерня, Переключающая тяга (PINION, Shift rod) | нет в наличии, поставок нет |
| 96 | 0552360 | Пыльник, Переключающая тяга (GROMMET, Shift rod) | нет в наличии, поставок нет |
| 97 | 0336559 | Кронштейн, Safety Цепь (BRACKET, Safety chain) | нет в наличии, поставок нет |