вконтакте

Контактный телефон: +7 (981) 121-46-93, +7 (800) 200-90-76 , Email: parts-katalog@yandex.ru, где купить

 
 

  Логин:

Пароль:

Регистрация

www.partskatalog.ru Все каталоги Запчасти Mercury Запчасти Suzuki Запчасти Tohatsu Запчасти Honda Контакты



УВАЖАЕМЫЕ КЛИЕНТЫ!
C 19 ДЕКАБРЯ 2025 ПО 02 МАРТА 2026 ГОДА ОТДЕЛ ЗАПЧАСТЕЙ И СЕРВИС РАБОТАТЬ НЕ БУДУТ
ПРОДАЖА ЛОДОЧНЫХ МОТОРОВ В ШТАТНОМ РЕЖИМЕ
ОБ ИЗМЕНЕНИЯХ В ГРАФИКЕ РАБОТЫ ЧИТАЙТЕ НА САЙТА




Все разделы каталога запчастей на этот двигатель

назад Раздел:   вперёд

вернуться к списку узлов и деталей

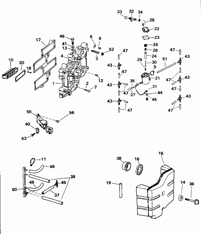
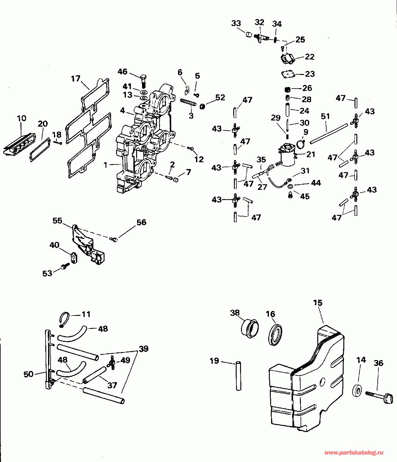
ДЕТАЛИРОВКА ДЛЯ МОДЕЛИ: EVINRUDE E300PXEOR 1995

ВПУСКНОЙ КОЛЛЕКТОР | INTAKE MANIFOLD;


Подвесной двигатель EVINRUDE E300PXEOR 1995  - take Коллектор - take Manifold

Номер на
рисунке
АртикулНаименованиеКол-во
на складе
Цена
1 0437387

Впускной коллектор, верхний (INTAKE MANIFOLD, Upper)

нет в наличии, поставок нет
1 0436258

   (последний код) MANIFOLD AY,INTAKE

нет в наличии, поставок нет
1 0437388

Впускной коллектор в сборе. (INTAKE MANIFOLD ASSY.)

нет в наличии, поставок нет
1 0436259

   (последний код) MANIFOLD AY,INTAKE

нет в наличии, поставок нет
2 0325659

FITTING, Drain (FITTING, Drain)

нет в наличии, поставок нет
3 0310872

Шпилька (STUD)

нет в наличии, поставок нет
4 0328789

FITTING, Primer (FITTING, Primer)

нет в наличии, поставок нет
5 0310379

Винт, Timing pointer (SCREW, Timing pointer)

нет в наличии, поставок нет
6 0341513

TIMING POINTER, Коллектор (TIMING POINTER, Manifold)

нет в наличии, поставок нет
6 0343985

   (последний код) POINTER,TIMING

нет в наличии, поставок нет
7 0322892

Колпачок, Впускной коллектор (CAP, Intake manifold)

нет в наличии, поставок нет
9 0317893

Крепёжный хомут (TIE STRAP)

нет в наличии, поставок нет
9 3852149

   (последний код) TIE-STRAP

нет в наличии, поставок нет
10 0397336

LEAF Пластина в сборе. (LEAF PLATE ASSY.)

нет в наличии, поставок нет
10 0439042

   (последний код) BOX AY,REED

нет в наличии, поставок нет
11 0320107

Крепёжный хомут (TIE STRAP)

нет в наличии, поставок нет
11 5035626

   (последний код) BAND,REM CON

нет в наличии, поставок нет
12 0319126

Винт, Коллектор to Картер двигателя (SCREW, Manifold to crankcase)

нет в наличии, поставок нет
12 0326696

   (последний код) SCREW

нет в наличии, поставок нет
13 0320744

Шайба (WASHER)

нет в наличии, поставок нет
13 0306124

   (последний код) WASHER

нет в наличии, поставок нет
14 0340840

Сальник, Ручка в сборе. to Глушитель (SEAL, Knob assy. to silencer)

нет в наличии, поставок нет
15 0436997

Крышка, Air Глушитель (COVER, Air silencer)

нет в наличии, поставок нет
15 0436307

   (последний код) SILENCER AY,AIR

нет в наличии, поставок нет
16 0339581

Сальник, Air Глушитель to Карбюратор (SEAL, Air silencer to carburetor)

нет в наличии, поставок нет
17 0328622

Прокладка коллектора to Картер двигателя (GASKET, Manifold to crankcase)

нет в наличии, поставок нет
18 0332265

Винт, Leaf Пластина (SCREW, Leaf plate)

нет в наличии, поставок нет
19 0340716

Шланг, Air Глушитель to Впускной коллектор drain (HOSE, Air silencer to intake manifold drain)

нет в наличии, поставок нет
19 0344783

   (последний код) HOSE

нет в наличии, поставок нет
20 0332266

Прокладка, Leaf Пластина (GASKET, Leaf plate)

нет в наличии, поставок нет
21 0437234

Соленоид, в сборе., Primer (SOLENOID ASSY., Primer)

нет в наличии, поставок нет
21 5007355

   (последний код) KIT AY,PRMR SOL

нет в наличии, поставок нет
22 0341071

Крышка, Primer solenoid (COVER, Primer solenoid)

нет в наличии, поставок нет
23 0341297

Прокладка, Solenoid (GASKET, Solenoid)

нет в наличии, поставок нет
24 0511809

Плунжер (PLUNGER)

нет в наличии, поставок нет
25 0330121

Винт, Крышка to Корпус (SCREW, Cover to housing)

нет в наличии, поставок нет
25 0326186

   (последний код) SCREW

нет в наличии, поставок нет
26 0332365

Фильтр, Клапан Корпус (FILTER, Valve housing)

нет в наличии, поставок нет
26 0511811

   (последний код) FILTER

нет в наличии, поставок нет
27 0512947

Клемма, Bullet (TERMINAL, Bullet)

нет в наличии, поставок нет
27 0910462

   (последний код) TERM.-60766-

нет в наличии, поставок нет
28 0511986

Пружина клапана (SPRING, Valve)

нет в наличии, поставок нет
29 0511987

Пружина, Плунжер (SPRING, Plunger)

нет в наличии, поставок нет
30 0333447

Клапан, Плунжер (VALVE, Plunger)

нет в наличии, поставок нет
30 0511988

   (последний код) VALVE

нет в наличии, поставок нет
31 0510818

Клемма (TERMINAL)

нет в наличии, поставок нет
31 3854243

   (последний код) TERMINAL,RIN

нет в наличии, поставок нет
32 0175158

Клапан, Maintenance (VALVE, Maintenance)

нет в наличии, поставок нет
33 0126341

Колпачок, Клапан (CAP, Valve)

нет в наличии, поставок нет
34 0331365

Уплотнительное кольцо, Клапан (O-RING, Valve)

нет в наличии, поставок нет
34 0326721

   (последний код) O-RING

нет в наличии, поставок нет
35 0513185

Гильза (SLEEVE)

нет в наличии, поставок нет
35 0512948

   (последний код) SLEEVE

нет в наличии, поставок нет
36 0436547

Ручка в сборе., Air Глушитель (KNOB ASSY., Air silencer)

нет в наличии, поставок нет
36 0439922

   (последний код) KNOB & SCREW AY.

нет в наличии, поставок нет
37 0334769

Шланг, Tee to нижний Коллектор (HOSE, Tee to lower manifold)

нет в наличии, поставок нет
38 0339842

Гильза, Air Глушитель (SLEEVE, Air silencer)

нет в наличии, поставок нет
39 0339747

Топливный шланг Коллектор to #2, #4, #6, & #8 carbu etors (HOSE, Fuel manifold to #2, #4, #6, & #8 carbu etors)

нет в наличии, поставок нет
40 0329271

Крышка, Trunnion (COVER, Trunnion)

нет в наличии, поставок нет
41 0341381

Шайба, Кулачок дросселя (WASHER, Throttle cam)

нет в наличии, поставок нет
41 0127386

   (последний код) WASHER

нет в наличии, поставок нет
43 0325569

Коннектор, Primer Шланг (CONNECTOR, Primer hose)

нет в наличии, поставок нет
44 0328735

Шайба, Винт, primer (WASHER, Screw, primer)

нет в наличии, поставок нет
44 3852188

   (последний код) WASHER

нет в наличии, поставок нет
45 0308825

Винт, Primer (SCREW, Primer)

нет в наличии, поставок нет
45 3852081

   (последний код) SCREW

нет в наличии, поставок нет
46 0332353

Винт дросселя cam (SCREW, Throttle cam)

нет в наличии, поставок нет
46 0347338

   (последний код) SCREW,SHOULDER

нет в наличии, поставок нет
47 0

Шланг, Primer system. сокращёная длина From 25 фут (7, 6m) Roll, 327229 (HOSE, Primer system. Cut to Length From 25 ft. (7,6m) Roll, 327229)

нет в наличии, поставок нет
48 0339746

Топливный шланг Коллектор to #1, #3, #5, & #7 carbu etors (HOSE, Fuel manifold to #1, #3, #5, & #7 carbu etors)

нет в наличии, поставок нет
49 0338896

TEE, Помпа to Коллектор (TEE, Pump to manifold)

нет в наличии, поставок нет
50 0435898

FUEL Коллектор в сборе. (FUEL MANIFOLD ASSY.)

нет в наличии, поставок нет
51 0331674

Шланг, Primer to tee (HOSE, Primer to tee)

нет в наличии, поставок нет
51 0332117

   (последний код) HOSE-PRIMER

нет в наличии, поставок нет
52 0315204

Гайка, Карбюратор to Коллектор (NUT, Carburetor to manifold)

нет в наличии, поставок нет
52 0316355

   (последний код) NUT

нет в наличии, поставок нет
53 0328725

Винт, Крышка (SCREW, Cover)

нет в наличии, поставок нет
53 3852187

   (последний код) SCREW

нет в наличии, поставок нет
55 0340412

Кронштейн, Anchor block (BRACKET, Anchor block)

нет в наличии, поставок нет
56 0321483

Винт, Block to Коллектор (SCREW, Block to manifold)

нет в наличии, поставок нет
56 0325115

   (последний код) SCREW

нет в наличии, поставок нет
evinrude

Время выполнения запроса 1.307333946228 сек.


 
 

данный сайт носит информационный характер и не является публичной офертой

склад запчастей для водомоторной техники