Номер на рисунке | Артикул | Наименование | Кол-во на складе | Цена |
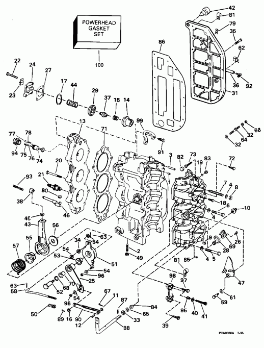
| 0436908 | 0436908 | Цилиндр & Картер двигателя в сборе.. Not Shown (CYLINDER & CRANKCASE ASSY.. Not Shown) | нет в наличии, поставок нет |
| 0436908 | 0438918 | (последний код) CYL&CRKC AY | нет в наличии, поставок нет |
| 1 | 0304178 | Шпонка (DOWEL PIN) | нет в наличии, поставок нет |
| 2 | 0314616 | Шпилька, Цилиндр (STUD, Cylinder) | нет в наличии, поставок нет |
| 2 | 0324811 | (последний код) STUD-CYL | нет в наличии, поставок нет |
| 3 | 0305070 | конус Штифт (TAPER PIN) | нет в наличии, поставок нет |
| 4 | 0300343 | Шайба, Картер двигателя to Цилиндр (WASHER, Crankcase to cylinder) | нет в наличии, поставок нет |
| 4 | 3852041 | (последний код) WASHER | нет в наличии, поставок нет |
| 5 | 0307776 | Винт, нижний Главный подшипник (SCREW, Lower main bearing) | нет в наличии, поставок нет |
| 6 | 0131794 | Винт, Картер двигателя to Цилиндр (SCREW, Crankcase to cylinder) | нет в наличии, поставок нет |
| 6 | 0308963 | (последний код) SCREW | нет в наличии, поставок нет |
| 7 | 0313538 | Шпилька, Картер двигателя to Цилиндр (STUD, Crankcase to cylinder) | нет в наличии, поставок нет |
| 8 | 0320372 | LOCKГайка, Картер двигателя to Цилиндр (LOCKNUT, Crankcase to cylinder) | нет в наличии, поставок нет |
| 9 | 0321164 | Заглушка (PLUG) | нет в наличии, поставок нет |
| 9 | 0307544 | (последний код) PLUG | нет в наличии, поставок нет |
| 10 | 0435009 | PULSE LIMITER (PULSE LIMITER) | нет в наличии, поставок нет |
| 10 | 3852225 | (последний код) LIMITER-AY,P | нет в наличии, поставок нет |
| 11 | 0328702 | Шайба, Штифт to yoke (WASHER, Pin to yoke) | нет в наличии, поставок нет |
| 11 | 3852183 | (последний код) WASHER | нет в наличии, поставок нет |
| 12 | 0318197 | Штифт, Yoke to bellКривошип (PIN, Yoke to bellcrank) | нет в наличии, поставок нет |
| 13 | 0339221 | Головка блока цилиндра, 25-60-70 (CYLINDER HEAD, 25-60-70) | нет в наличии, поставок нет |
| 13 | 0339288 | Головка блока цилиндра, 50EL-50DTL (CYLINDER HEAD, 50EL-50DTL) | нет в наличии, поставок нет |
| 13 | 0435977 | (последний код) KIT AY,CYL HEAD | нет в наличии, поставок нет |
| 14 | 0336178 | Корпус, Термостат (HOUSING, Thermostat) | нет в наличии, поставок нет |
| 15 | 0336179 | Пружина (SPRING) | нет в наличии, поставок нет |
| 16 | 0328708 | Шайба, Соединитель to Рычаг переключения (WASHER, Link to shift lever) | нет в наличии, поставок нет |
| 17 | 0336185 | Шайба (WASHER) | нет в наличии, поставок нет |
| 18 | 0306049 | Винт (SCREW) | нет в наличии, поставок нет |
| 19 | 0302290 | Шайба с блокировкой (LOCK WASHER) | нет в наличии, поставок нет |
| 19 | 0338307 | (последний код) WASHER,LOCK | нет в наличии, поставок нет |
| 20 | 0322323 | Винт, Головка блока цилиндра (SCREW, Cylinder head) | нет в наличии, поставок нет |
| 21 | 0437929 | Свеча зажигания, Champion QL78YC. Radio Noise Sвышеpressor Заглушка (SPARK PLUG, Champion QL78YC. Radio Noise Suppressor Plug) | нет в наличии, поставок нет |
| 21 | 0387633 | Свеча зажигания, Champion QL77JC4. Radio Noise Sвышеpressor Заглушка Опции (SPARK PLUG, Champion QL77JC4. Radio Noise Suppressor Plug Optional) | нет в наличии, поставок нет |
| 21 | 0502180 | (последний код) Champion SPARK PLUG QL77JC4 MAR4 | нет в наличии, поставок нет |
| 21 | 0432424 | Свеча зажигания, Champion QL16V. Radio Noise Sвышеpressor Заглушка Опции (SPARK PLUG, Champion QL16V. Radio Noise Suppressor Plug Optional) | нет в наличии, поставок нет |
| 21 | 0502178 | (последний код) Champion SPARK PLUG QL16V MAR4 | нет в наличии, поставок нет |
| 21 | 0386941 | Свеча зажигания, Champion L77JC4. Опции (SPARK PLUG, Champion L77JC4. Optional) | нет в наличии, поставок нет |
| 21 | 4002080 | (последний код) SP-PLUG L77J | нет в наличии, поставок нет |
| 22 | 0306049 | Винт, Термостат Крышка (SCREW, Thermostat cover) | нет в наличии, поставок нет |
| 23 | 0310439 | Струбцина, Motor Кабели (CLAMP, Motor cable) | нет в наличии, поставок нет |
| 23 | 3852088 | (последний код) CLAMP,"J" | нет в наличии, поставок нет |
| 24 | 0339207 | Крышка термостата и Клапана (COVER, Thermostat and valves) | нет в наличии, поставок нет |
| 25 | 0393545 | BELLКривошип, Hub и Штифт в сборе. (BELLCRANK, Hub and pin assy.) | нет в наличии, поставок нет |
| 26 | 0317581 | Винт, Рычаг тяги переключения (SCREW, Shift rod lever) | нет в наличии, поставок нет |
| 27 | 0329830 | Прокладка крышки термостата (GASKET, Thermostat cover) | нет в наличии, поставок нет |
| 28 | 0330935 | Втулка & Тяга KEEPER (BUSHING & ROD KEEPER) | нет в наличии, поставок нет |
| 29 | 0435957 | Диафрагма & Cвыше (DIAPHRAGM & CUP) | нет в наличии, поставок нет |
| 31 | 0329834 | Выхлопная крышка Коллектор (COVER, Exhaust manifold) | нет в наличии, поставок нет |
| 31 | 0343864 | (последний код) COVER | нет в наличии, поставок нет |
| 32 | 0328701 | Шайба, Заземление Болт (WASHER, Ground bolt) | нет в наличии, поставок нет |
| 32 | 3852182 | (последний код) WASHER,LOCK | нет в наличии, поставок нет |
| 33 | 0202026 | Шайба, Переключательer Рычаг (WASHER, Shifter lever) | нет в наличии, поставок нет |
| 34 | 0322631 | Втулка, Соединитель (BUSHING, Link) | нет в наличии, поставок нет |
| 35 | 0308743 | Винт, Кожух выхлопной трубы (SCREW, Exhaust cover) | нет в наличии, поставок нет |
| 35 | 0342422 | (последний код) SCREW | нет в наличии, поставок нет |
| 36 | 0911237 | Шланг, Индикатор (HOSE, Indicator) | нет в наличии, поставок нет |
| 37 | 0436195 | Термостат в сборе. (THERMOSTAT ASSY.) | нет в наличии, поставок нет |
| 38 | 0336456 | Направляющая, Рычаг to Соединитель (GUIDE, Lever to link) | нет в наличии, поставок нет |
| 39 | 0332012 | Винт, Idle stop (SCREW, Idle stop) | нет в наличии, поставок нет |
| 39 | 0333710 | (последний код) SCREW | нет в наличии, поставок нет |
| 40 | 0203688 | Гайка, Idle adjustment (NUT, Idle adjustment) | нет в наличии, поставок нет |
| 40 | 0328710 | (последний код) NUT-SCREW-ID | нет в наличии, поставок нет |
| 41 | 0306337 | Винт, W.O.T. stop (SCREW, W.O.T. stop) | нет в наличии, поставок нет |
| 41 | 0553142 | (последний код) SCREW | нет в наличии, поставок нет |
| 42 | 0314021 | Бампер, Выхлопной патрубок (BUMPER, Exhaust manifold) | нет в наличии, поставок нет |
| 43 | 0319318 | Рычаг, Spark advance (LEVER, Spark advance) | нет в наличии, поставок нет |
| 44 | 0342421 | Пружина (SPRING) | нет в наличии, поставок нет |
| 45 | 0395448 | Шарик & SOCKET, Spark Подъемный механизм (BALL & SOCKET, Spark linkage) | нет в наличии, поставок нет |
| 45 | 0313703 | (последний код) BALL/395448 | нет в наличии, поставок нет |
| 46 | 0336491 | Соединитель, Dwell (LINK, Dwell) | нет в наличии, поставок нет |
| 47 | 0434171 | Кулачок дросселя ASSEMBLY (THROTTLE CAM ASSEMBLY) | нет в наличии, поставок нет |
| 49 | 0315204 | Гайка, Powerhead Шпилька (NUT, Powerhead stud) | нет в наличии, поставок нет |
| 49 | 0316355 | (последний код) NUT | нет в наличии, поставок нет |
| 50 | 0334153 | SHELL, Соединитель to cam (SHELL, Link to cam) | нет в наличии, поставок нет |
| 51 | 0387800 | Рычаг дросселя (LEVER, Throttle) | нет в наличии, поставок нет |
| 52 | 0318192 | SHOULDER Винт дросселя Рычаг (SHOULDER SCREW, Throttle lever) | нет в наличии, поставок нет |
| 53 | 0314002 | Втулка (BUSHING) | нет в наличии, поставок нет |
| 54 | 0328737 | Шайба, Направляющаяs (WASHER, Guides) | нет в наличии, поставок нет |
| 54 | 0306561 | (последний код) WASHER | нет в наличии, поставок нет |
| 55 | 0314003 | Втулка, Spark Рычаг (BUSHING, Spark lever) | нет в наличии, поставок нет |
| 56 | 0314098 | Шайба, Рычаг дросселя (WASHER, Throttle lever) | нет в наличии, поставок нет |
| 57 | 0314094 | Пружина рычага дросселя (SPRING, Throttle lever) | нет в наличии, поставок нет |
| 58 | 0336424 | Тяга дросселя Рычаг to cam (LINK, Throttle lever to cam) | нет в наличии, поставок нет |
| 59 | 0314136 | Винт дросселя cam (SCREW, Throttle cam) | нет в наличии, поставок нет |
| 61 | 0330179 | Шайба, Кулачок дросселя (WASHER, Throttle cam) | нет в наличии, поставок нет |
| 61 | 0303304 | (последний код) WASHER | нет в наличии, поставок нет |
| 62 | 0310439 | Струбцина топливного фильтра (CLAMP, Fuel filter) | нет в наличии, поставок нет |
| 62 | 3852088 | (последний код) CLAMP,"J" | нет в наличии, поставок нет |
| 63 | 0303049 | Шплинт (COTTER PIN) | нет в наличии, поставок нет |
| 64 | 0334109 | Болт, Double end (BOLT, Double end) | нет в наличии, поставок нет |
| 65 | 0306012 | BOW Шайба, Рычаг переключения (BOW WASHER, Shift lever) | нет в наличии, поставок нет |
| 66 | 0328740 | Гайка, Double end Болт (NUT, Double end bolt) | нет в наличии, поставок нет |
| 66 | 0306375 | (последний код) NUT | нет в наличии, поставок нет |
| 67 | 0305650 | Шплинт (COTTER PIN) | нет в наличии, поставок нет |
| 67 | 3852052 | (последний код) PIN,COTTER | нет в наличии, поставок нет |
| 68 | 0908060 | BOW Шайба, Shoulder Винт (BOW WASHER, Shoulder screw) | нет в наличии, поставок нет |
| 68 | 0318202 | (последний код) BOW-WASHER | нет в наличии, поставок нет |
| 69 | 0395588 | Рычаг штока переключения (LEVER, Shift rod) | нет в наличии, поставок нет |
| 70 | 0318193 | Втулка, BellКривошип (BUSHING, Bellcrank) | нет в наличии, поставок нет |
| 70 | 0317939 | (последний код) BUSHING | нет в наличии, поставок нет |
| 71 | 0329836 | Прокладка головки блока цилиндра (GASKET, Cylinder head) | нет в наличии, поставок нет |
| 72 | 0306049 | Винт, Кронштейн to Картер двигателя (SCREW, Bracket to crankcase) | нет в наличии, поставок нет |
| 73 | 0328722 | Винт, Spark advance (SCREW, Spark advance) | нет в наличии, поставок нет |
| 74 | 0584152 | температура Переключатель (TEMPERATURE SWITCH) | нет в наличии, поставок нет |
| 75 | 0512947 | Клемма, Bullet (TERMINAL, Bullet) | нет в наличии, поставок нет |
| 75 | 0910462 | (последний код) TERM.-60766- | нет в наличии, поставок нет |
| 76 | 0513185 | Гильза, Bullet Клемма (SLEEVE, Bullet terminal) | нет в наличии, поставок нет |
| 76 | 0512948 | (последний код) SLEEVE | нет в наличии, поставок нет |
| 77 | 0512876 | SOCKET (SOCKET) | нет в наличии, поставок нет |
| 77 | 3852244 | (последний код) TERMINAL,SOC | нет в наличии, поставок нет |
| 78 | 0513186 | Гильза, Socket (SLEEVE, Socket) | нет в наличии, поставок нет |
| 78 | 3852248 | (последний код) SLEEVE,SKT-B | нет в наличии, поставок нет |
| 79 | 0326365 | Зажим кабеля Струбцина to Кожух выхлопной трубы (CLIP, Cable clamp to exhaust cover) | нет в наличии, поставок нет |
| 79 | 0315197 | (последний код) SPRING | нет в наличии, поставок нет |
| 80 | 0395448 | SOCKET, Подъемный механизм to timer Основание (SOCKET, Linkage to timer base) | нет в наличии, поставок нет |
| 80 | 0313703 | (последний код) BALL/395448 | нет в наличии, поставок нет |
| 81 | 0330151 | Струбцина, Leads (CLAMP, Leads) | нет в наличии, поставок нет |
| 81 | 3852199 | (последний код) CLAMP,"J" | нет в наличии, поставок нет |
| 82 | 0314416 | Бампер, Spark advance (BUMPER, Spark advance) | нет в наличии, поставок нет |
| 83 | 0328741 | Гайка, Spark advance (NUT, Spark advance) | нет в наличии, поставок нет |
| 83 | 0304753 | (последний код) NUT | нет в наличии, поставок нет |
| 84 | 0318951 | Втулка, Рычаг переключения to Картер двигателя (BUSHING, Shift lever to crankcase) | нет в наличии, поставок нет |
| 85 | 0313607 | LUBRICATION FITTING (LUBRICATION FITTING) | нет в наличии, поставок нет |
| 85 | 3852121 | (последний код) FITTING,LUB | нет в наличии, поставок нет |
| 86 | 0329833 | Прокладка выхлопного патрубка (GASKET, Exhaust manifold) | нет в наличии, поставок нет |
| 86 | 0343863 | (последний код) GASKET, EXHST CVR | нет в наличии, поставок нет |
| 87 | 0330941 | Фиксатор Штифт, Рычаг переключения (RETAINER PIN, Shift lever) | нет в наличии, поставок нет |
| 88 | 0330940 | Рычаг переключения (SHIFT LEVER) | нет в наличии, поставок нет |
| 88 | 0345600 | (последний код) LEVER,SHIFT | нет в наличии, поставок нет |
| 89 | 0306387 | Шплинт, Соединитель to Рычаг (COTTER PIN, Link to lever) | нет в наличии, поставок нет |
| 89 | 0306406 | (последний код) COTTER PIN | нет в наличии, поставок нет |
| 90 | 0328567 | Соединитель, BellКривошип (LINK, Bellcrank) | нет в наличии, поставок нет |
| 91 | 0306322 | Винт (SCREW) | нет в наличии, поставок нет |
| 92 | 0321886 | ELBOW (ELBOW) | нет в наличии, поставок нет |
| 92 | 0321686 | (последний код) ELBOW | нет в наличии, поставок нет |
| 93 | 0336447 | Пружина, Dwell Подъемный механизм (SPRING, Dwell linkage) | нет в наличии, поставок нет |
| 94 | 0329562 | Крышка, температура Переключатель (COVER, Temperature switch) | нет в наличии, поставок нет |
| 95 | 0308993 | Пружина, Idle adjustment (SPRING, Idle adjustment) | нет в наличии, поставок нет |
| 96 | 0328064 | Гайка, Направляющаяs, Дистанционное управление (NUT, Guides, remote control) | нет в наличии, поставок нет |
| 96 | 0554477 | (последний код) NUT | нет в наличии, поставок нет |
| 97 | 0308751 | Винт, Кронштейн (SCREW, Bracket) | нет в наличии, поставок нет |
| 97 | 0331025 | (последний код) SCREW | нет в наличии, поставок нет |
| 98 | 0316664 | Кронштейн, Idle adjustment (BRACKET, Idle adjustment) | нет в наличии, поставок нет |
| 99 | 0333962 | LIFT Кронштейн (LIFT BRACKET) | нет в наличии, поставок нет |
| 99 | 0331569 | (последний код) LIFT-BRACKET | нет в наличии, поставок нет |
| 100 | 0398047 | POWERHEAD Комплект прокладок (POWERHEAD GASKET SET) | нет в наличии, поставок нет |
| 100 | 0438904 | (последний код) GASKET SET, PWHD | нет в наличии, поставок нет |