вконтакте

Контактный телефон: +7 (981) 121-46-93, +7 (800) 200-90-76 , Email: parts-katalog@yandex.ru, где купить

 
 

  Логин:

Пароль:

Регистрация

www.partskatalog.ru Все каталоги Запчасти Mercury Запчасти Suzuki Запчасти Tohatsu Запчасти Honda Контакты



УВАЖАЕМЫЕ КЛИЕНТЫ!
C 19 ДЕКАБРЯ 2025 ПО 02 МАРТА 2026 ГОДА ОТДЕЛ ЗАПЧАСТЕЙ И СЕРВИС РАБОТАТЬ НЕ БУДУТ
ПРОДАЖА ЛОДОЧНЫХ МОТОРОВ В ШТАТНОМ РЕЖИМЕ
ОБ ИЗМЕНЕНИЯХ В ГРАФИКЕ РАБОТЫ ЧИТАЙТЕ НА САЙТА




Все разделы каталога запчастей на этот двигатель

назад Раздел:   вперёд

вернуться к списку узлов и деталей

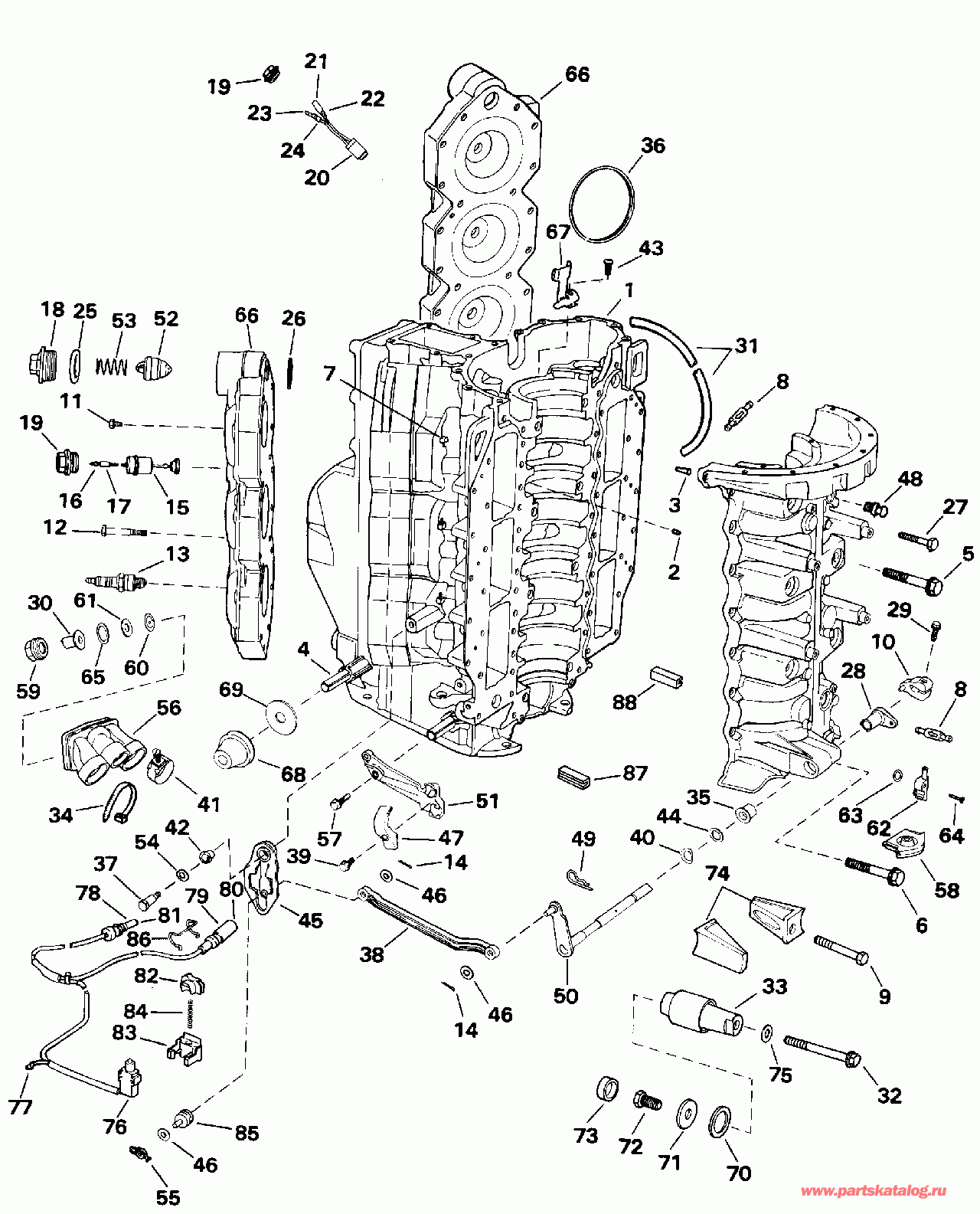
ДЕТАЛИРОВКА ДЛЯ МОДЕЛИ: EVINRUDE E150GLENC 1992

ЦИЛИНДР & КАРТЕР ДВИГАТЕЛЯ | CYLINDER & CRANKCASE;


Лодочный подвесной мотор Evinrude E150GLENC 1992  - linder & Картер двигателя - linder & Crankcase

Номер на
рисунке
АртикулНаименованиеКол-во
на складе
Цена
1 0435436

Цилиндр & CCASE AY., 150 (CYLINDER & CCASE AY., 150)

нет в наличии, поставок нет
1 0438905

   (последний код) CYL&CRKC AY-150

нет в наличии, поставок нет
1 0435282

Цилиндр & CCASE AY., 175 (CYLINDER & CCASE AY., 175)

нет в наличии, поставок нет
1 0438906

   (последний код) CYL&CRKC 175HP

нет в наличии, поставок нет
2 0304178

Шпонка Подшипник (PIN, Dowel bearing)

нет в наличии, поставок нет
3 0305070

Штифт кривошипаcase to block (PIN, Crankcase to block)

нет в наличии, поставок нет
4 0336630

Штифт, Roll (PIN, Roll)

нет в наличии, поставок нет
5 0336166

Винт, Cyl. to ccase (SCREW, Cyl. to ccase)

нет в наличии, поставок нет
6 0335611

Винт, Cyl. to ccase (SCREW, Cyl. to ccase)

нет в наличии, поставок нет
6 0908738

   (последний код) STUD-EXH--MA

нет в наличии, поставок нет
7 0335369

Ниппель, Drain (NIPPLE, Drain)

нет в наличии, поставок нет
8 0435386

Обратный клапан в сборе (CHECK VALVE ASSY)

нет в наличии, поставок нет
8 0435681

   (последний код) VALVE AY,CHECK

нет в наличии, поставок нет
9 0914534

Винт, верхний Крепление retention (SCREW, Upper mount retention)

нет в наличии, поставок нет
9 0330263

   (последний код) SCREW

нет в наличии, поставок нет
10 0433817

Рычаг AY., Переключающая тяга (LEVER AY., Shift rod)

нет в наличии, поставок нет
11 0332135

Заглушка, Головка блока цилиндра pressure tap (PLUG, Cylinder head pressure tap)

нет в наличии, поставок нет
11 0340808

   (последний код) PLUG

нет в наличии, поставок нет
12 0306500

Винт, Головка блока цилиндра (SCREW, Cylinder head)

нет в наличии, поставок нет
13 0387633

Свеча зажигания, Champion, QL77JCR (SPARK PLUG, Champion, QL77JCR)

нет в наличии, поставок нет
13 0502180

   (последний код) Champion SPARK PLUG QL77JC4 MAR4

нет в наличии, поставок нет
13 0432424

Свеча зажигания, Champion, QL16V. Опции (SPARK PLUG, Champion, QL16V. Optional)

нет в наличии, поставок нет
13 0502178

   (последний код) Champion SPARK PLUG QL16V MAR4

нет в наличии, поставок нет
14 0305650

Шплинт (COTTER PIN)

нет в наличии, поставок нет
14 3852052

   (последний код) PIN,COTTER

нет в наличии, поставок нет
15 0584589

температура Переключатель, Stbd (TEMPERATURE SWITCH, Stbd)

нет в наличии, поставок нет
15 0584166

   (последний код) SWITCH AY,TEMP

нет в наличии, поставок нет
16 0512947

Клемма, Bullet (TERMINAL, Bullet)

нет в наличии, поставок нет
16 0910462

   (последний код) TERM.-60766-

нет в наличии, поставок нет
17 0513185

Гильза (SLEEVE)

нет в наличии, поставок нет
17 0512948

   (последний код) SLEEVE

нет в наличии, поставок нет
18 0332944

Заглушка, Термостат (PLUG, Thermostat)

нет в наличии, поставок нет
19 0329562

Крышка, Temp. Переключатель (COVER, Temp. switch)

нет в наличии, поставок нет
20 0584152

температура Переключатель, Port (TEMPERATURE SWITCH, Port)

нет в наличии, поставок нет
21 0512876

Клемма, Socket (TERMINAL, Socket)

нет в наличии, поставок нет
21 3852244

   (последний код) TERMINAL,SOC

нет в наличии, поставок нет
22 0513185

Гильза (SLEEVE)

нет в наличии, поставок нет
22 0512948

   (последний код) SLEEVE

нет в наличии, поставок нет
23 0512947

Клемма, Bullet (TERMINAL, Bullet)

нет в наличии, поставок нет
23 0910462

   (последний код) TERM.-60766-

нет в наличии, поставок нет
24 0513186

Гильза (SLEEVE)

нет в наличии, поставок нет
24 3852248

   (последний код) SLEEVE,SKT-B

нет в наличии, поставок нет
25 0331188

Уплотнительное кольцо крышки термостата (O-RING, Thermostat cover)

5 шт370 руб.
26 0335981

Сальник термостата (SEAL, Thermostat)

нет в наличии, поставок нет
27 0328744

Винт, Cyl. to Картер двигателя (SCREW, Cyl. to crankcase)

нет в наличии, поставок нет
27 0308741

   (последний код) SCREW

нет в наличии, поставок нет
28 0330935

Втулка, Рычаг переключения (BUSHING, Shift lever)

нет в наличии, поставок нет
29 0328725

Винт, Рычаг тяги переключения (SCREW, Shift rod lever)

нет в наличии, поставок нет
29 3852187

   (последний код) SCREW

нет в наличии, поставок нет
30 0336217

NOZZLE, Выхлоп relief (NOZZLE, Exhaust relief)

нет в наличии, поставок нет
30 0436857

   (последний код) PLUG&NOZZLE AY

нет в наличии, поставок нет
31 0

Дренажный шланг system. сокращёная длина from 25 фут (7, 6m) Roll, 335802 (HOSE, Drain system. Cut to Length from 25 ft. (7,6m) Roll, 335802)

нет в наличии, поставок нет
32 0327053

Винт, верхний Крепление (SCREW, Upper mount)

нет в наличии, поставок нет
33 0434613

Монтажная резинка в сборе., верхний (RUBBER MOUNT ASSY., Upper)

нет в наличии, поставок нет
33 0436855

   (последний код) KIT, UPPER MOUNT

нет в наличии, поставок нет
34 0320107

Крепёжный хомут (TIE STRAP)

нет в наличии, поставок нет
34 5035626

   (последний код) BAND,REM CON

нет в наличии, поставок нет
35 0335521

Втулка, Рычаг переключения to block (BUSHING, Shift lever to block)

нет в наличии, поставок нет
36 0335523

Уплотнительное кольцо, Головка блока цилиндра (O-RING, Cylinder head)

1 шт770 руб.
37 0330933

Винт, Рычаг переключения to block (SCREW, Shift arm to block)

нет в наличии, поставок нет
38 0335382

Переключающая тяга Рычаг to Рычаг переключения (LINK, Shift lever to shift arm)

нет в наличии, поставок нет
38 0343118

   (последний код) LINK,SHIFT LEVER

нет в наличии, поставок нет
39 0328725

Винт, Крышка, trunnion (SCREW, Cover, trunnion)

нет в наличии, поставок нет
39 3852187

   (последний код) SCREW

нет в наличии, поставок нет
40 0306012

Шайба вала переключения (WASHER, Shift shaft)

нет в наличии, поставок нет
41 0336136

Струбцина, Пыльник, Выхлоп (CLAMP, Grommet, exhaust)

нет в наличии, поставок нет
42 0311015

Втулка, Рычаг переключения (BUSHING, Shift lever)

нет в наличии, поставок нет
42 3852094

   (последний код) BUSHING

нет в наличии, поставок нет
43 0316195

Винт направляющей to block (SCREW, Guide to block)

нет в наличии, поставок нет
44 0202026

Шайба, Рычаг переключения (WASHER, Shift arm)

нет в наличии, поставок нет
45 0435518

Рычаг переключения (SHIFT LEVER)

нет в наличии, поставок нет
45 0439333

   (последний код) LEVER AY,SHIFT

нет в наличии, поставок нет
46 0328702

Шайба, Соединитель to Вал Рычаг (WASHER, Link to shaft arm)

нет в наличии, поставок нет
46 3852183

   (последний код) WASHER

нет в наличии, поставок нет
47 0335528

Крышка, Trunnion (COVER, Trunnion)

нет в наличии, поставок нет
47 0349060

   (последний код) COVER,TRUNNION

нет в наличии, поставок нет
48 0303492

Ниппель, Pulse (NIPPLE, Pulse)

нет в наличии, поставок нет
49 0330941

Штифт, Рычаг переключения (PIN, Shift arm)

нет в наличии, поставок нет
50 0433476

Переключающий вал & Рычаг AY. (SHIFT SHAFT & ARM AY.)

нет в наличии, поставок нет
50 5000470

   (последний код) ARM&SHAFT AY,SHIFT

нет в наличии, поставок нет
51 0335594

TRUNNION BLOCK (TRUNNION BLOCK)

нет в наличии, поставок нет
51 0349061

   (последний код) BLOCK,TRUNNION

нет в наличии, поставок нет
52 0433395

Термостат AY. (THERMOSTAT AY.)

нет в наличии, поставок нет
52 0435597

   (последний код) THERMO&COVER

нет в наличии, поставок нет
53 0338174

Пружина, Термостат (SPRING, Thermostat)

нет в наличии, поставок нет
54 0328733

Шайба, Рычаг переключения (WASHER, Shift lever)

нет в наличии, поставок нет
55 0333774

Зажим, Переключатель Рычаг переключателя Рычаг (CLIP, Shift lever, shift arm)

нет в наличии, поставок нет
56 0433475

Пыльник & INSERT, Выхлоп relief (GROMMET & INSERT, Exhaust relief)

нет в наличии, поставок нет
57 0328744

Винт, Trunnion to block (SCREW, Trunnion to block)

нет в наличии, поставок нет
57 0308741

   (последний код) SCREW

нет в наличии, поставок нет
58 0335316

Сальник, Переключающая тяга (SEAL, Shift rod)

нет в наличии, поставок нет
59 0335429

Заглушка, Overboard Индикатор (PLUG, Overboard indicator)

нет в наличии, поставок нет
59 0436726

   (последний код) PLUG&NOZZLE AY

нет в наличии, поставок нет
60 0335530

Клапан, Заглушка, Индикатор (VALVE, Plug, indicator)

нет в наличии, поставок нет
61 0304376

Шайба, Заглушка (WASHER, Plug)

нет в наличии, поставок нет
62 0335730

Ниппель, нижний drain (NIPPLE, Lower drain)

нет в наличии, поставок нет
63 0305739

Уплотнительное кольцо, Ниппель, нижний drain (O-RING, Nipple, lower drain)

нет в наличии, поставок нет
63 0900224

   (последний код) O RING

нет в наличии, поставок нет
64 0328649

Винт, нижний Дренажный ниппель (SCREW, Lower drain nipple)

нет в наличии, поставок нет
64 0337541

   (последний код) SCREW

нет в наличии, поставок нет
65 0301967

Уплотнительное кольцо, Overboard Индикатор (O-RING, Overboard indicator)

нет в наличии, поставок нет
66 0337548

Головка блока цилиндра, 150 (CYLINDER HEAD, 150)

нет в наличии, поставок нет
66 0335195

   (последний код) HEAD,CYLINDE

нет в наличии, поставок нет
66 0338311

Головка блока цилиндра, 175 (CYLINDER HEAD, 175)

нет в наличии, поставок нет
67 0337478

Направляющая, Статор Проводs (GUIDE, Stator wires)

нет в наличии, поставок нет
68 0328584

Крепление (MOUNT)

нет в наличии, поставок нет
68 0349557

   (последний код) MOUNT

нет в наличии, поставок нет
69 0329749

Шайба, Крепление (WASHER, Mount)

нет в наличии, поставок нет
69 0349556

   (последний код) WASHER

нет в наличии, поставок нет
70 0335850

Шайба, Крепление (WASHER, Mount)

нет в наличии, поставок нет
71 0336656

Шайба верхнего крепежа (WASHER, Upper mount)

нет в наличии, поставок нет
72 0316910

Винт с шайбой, Крепление retention (SCREW, Washer, mount retention)

нет в наличии, поставок нет
72 3852143

   (последний код) SCREW

нет в наличии, поставок нет
73 0335851

Бампер, верхний Крепление (BUMPER, Upper mount)

нет в наличии, поставок нет
74 0335508

Фиксатор, верхний Крепление (RETAINER, Upper mount)

нет в наличии, поставок нет
75 0336743

Шайба, Винт, верхний Крепление (WASHER, Screw, upper mount)

нет в наличии, поставок нет
75 0344277

   (последний код) SCREW

нет в наличии, поставок нет
76 0584666

Переключатель & Кабели (SWITCH & CABLE)

нет в наличии, поставок нет
77 0510818

Клемма (TERMINAL)

нет в наличии, поставок нет
77 3854243

   (последний код) TERMINAL,RIN

нет в наличии, поставок нет
78 0513356

Коннектор, Socket (CONNECTOR, Socket)

нет в наличии, поставок нет
79 0513357

Коннектор, Штифт (CONNECTOR, Pin)

нет в наличии, поставок нет
79 3854845

   (последний код) CONNECTOR 513357

нет в наличии, поставок нет
80 0511469

Клемма, Штифт (TERMINAL, Pin)

нет в наличии, поставок нет
80 3852229

   (последний код) TERMINAL,PIN

нет в наличии, поставок нет
81 0581656

Клемма, Socket (TERMINAL, Socket)

нет в наличии, поставок нет
81 3852257

   (последний код) TERMINAL AY,SCKT

нет в наличии, поставок нет
82 0513811

Кронштейн, Slider (BRACKET, Slider)

нет в наличии, поставок нет
82 0513132

   (последний код) BRACKET

нет в наличии, поставок нет
83 0513134

Кронштейн, Защелка (BRACKET, Snap)

нет в наличии, поставок нет
84 0333749

Пружина переключателя assist (SPRING, Shift assist)

нет в наличии, поставок нет
85 0338990

Штифт, Переключатель assist (PIN, Shift assist)

нет в наличии, поставок нет
86 0512741

Фиксатор, Коннектор (RETAINER, Connector)

нет в наличии, поставок нет
87 0335499

Сальник, Block to Нижняя часть корпуса, stbd (SEAL, Block to lower cover, stbd)

нет в наличии, поставок нет
88 0335500

Сальник, Block to Нижняя часть корпуса, port (SEAL, Block to lower cover, port)

нет в наличии, поставок нет
89 0437155

POWERHEAD Комплект прокладок (POWERHEAD GASKET SET)

нет в наличии, поставок нет
evinrude

Время выполнения запроса 1.9903609752655 сек.


 
 

данный сайт носит информационный характер и не является публичной офертой

склад запчастей для водомоторной техники