вконтакте

Контактный телефон: +7 (981) 121-46-93, +7 (800) 200-90-76 , Email: parts-katalog@yandex.ru, где купить

 
 

  Логин:

Пароль:

Регистрация

www.partskatalog.ru Все каталоги Запчасти Mercury Запчасти Suzuki Запчасти Tohatsu Запчасти Honda Контакты



УВАЖАЕМЫЕ КЛИЕНТЫ!
C 19 ДЕКАБРЯ 2025 ПО 02 МАРТА 2026 ГОДА ОТДЕЛ ЗАПЧАСТЕЙ И СЕРВИС РАБОТАТЬ НЕ БУДУТ
ПРОДАЖА ЛОДОЧНЫХ МОТОРОВ В ШТАТНОМ РЕЖИМЕ
ОБ ИЗМЕНЕНИЯХ В ГРАФИКЕ РАБОТЫ ЧИТАЙТЕ НА САЙТА




Все разделы каталога запчастей на этот двигатель

назад Раздел:   вперёд

вернуться к списку узлов и деталей

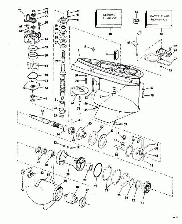
ДЕТАЛИРОВКА ДЛЯ МОДЕЛИ: EVINRUDE E48ESLENB 1992

УДЛИНИТЕЛЬ КОРПУСА & STERN & ПОВОРОТНЫЙ КРОНШТЕЙН | EXHAUST HOUSING & STERN & SWIVEL BRACKET &N;


Лодочный мотор Эвинруд E48ESLENB 1992  - haust Housing & Stern & Swivel Bracket / haust Корпус & Stern & Поворотный кронштейн

Номер на
рисунке
АртикулНаименованиеКол-во
на складе
Цена
1 0332440

Поворотный кронштейн, Long (SWIVEL BRACKET, Long)

нет в наличии, поставок нет
1 0350642

   (последний код) BRACKET, SWIVEL

нет в наличии, поставок нет
2 0313607

LUBRICATION FITTING (LUBRICATION FITTING)

нет в наличии, поставок нет
2 3852121

   (последний код) FITTING,LUB

нет в наличии, поставок нет
3 0332434

Втулка, Коллектор to tilt Тяга (BUSHING, Manifold to tilt rod)

нет в наличии, поставок нет
4 0332407

Сальник, Подшипник to Адаптер (SEAL, Bearing to adaptor)

нет в наличии, поставок нет
5 0332452

Сальник, верхний (SEAL, Upper)

нет в наличии, поставок нет
6 0318572

Колпачок, Кронштейн Винт (CAP, Bracket screw)

нет в наличии, поставок нет
7 0328260

Уплотнительное кольцо (E-RING)

нет в наличии, поставок нет
8 0320248

Шайба, Кронштейн Винт (WASHER, Bracket screw)

нет в наличии, поставок нет
8 0312910

   (последний код) WASHER

нет в наличии, поставок нет
9 0334162

Шайба, Уплотнительное кольцо to Рычаг (WASHER, E-ring to lever)

нет в наличии, поставок нет
10 0319886

Винт фиксатора пластины (SCREW, Retainer plate)

нет в наличии, поставок нет
11 0318273

Фиксатор, Кронштейн Винт (RETAINER, Bracket screw)

нет в наличии, поставок нет
12 0318272

Пластина, Кронштейн транца to transom (PLATE, Stern bracket to transom)

нет в наличии, поставок нет
13 0334682

Винт, Втулка to Кронштейн (SCREW, Bushing to bracket)

нет в наличии, поставок нет
14 0321511

TILT Трубка (TILT TUBE)

нет в наличии, поставок нет
14 0351896

   (последний код) TUBE, TILT SST

нет в наличии, поставок нет
15 0317782

Упорная шайба, Stern brkt (THRUST WASHER, Stern brkt)

нет в наличии, поставок нет
15 0320608

   (последний код) WASHER

нет в наличии, поставок нет
16 0321863

Шайба, Рычаг наклона (WASHER, Tilt lever)

нет в наличии, поставок нет
17 0332447

TILT Штифт (TILT PIN)

нет в наличии, поставок нет
18 0334259

Зажим (CLIP)

нет в наличии, поставок нет
19 0315081

Втулка, Рычаг to Кронштейн (BUSHING, Lever to bracket)

нет в наличии, поставок нет
20 0333765

Пружина рычага наклона (SPRING, Tilt lever)

нет в наличии, поставок нет
21 0398875

Рычаг & Вал (LEVER & SHAFT)

нет в наличии, поставок нет
22 0332436

Втулка, Цилиндр наклона (BUSHING, Tilt cylinder)

нет в наличии, поставок нет
23 0333622

Кронштейн транца, Port (STERN BRACKET, Port)

нет в наличии, поставок нет
24 0434037

Цилиндр наклона (TILT CYLINDER)

нет в наличии, поставок нет
24 0398752

   (последний код) CYL,AY-TILT

нет в наличии, поставок нет
25 0320866

Верхняя упорная шайба (THRUST WASHER, Upper)

нет в наличии, поставок нет
26 0305284

Винт заглушки (SCREW, Plug)

нет в наличии, поставок нет
26 0908158

   (последний код) SCREW

нет в наличии, поставок нет
27 0333624

Кронштейн транца, Starboard (STERN BRACKET, Starboard)

нет в наличии, поставок нет
28 0431962

Рычаг AY., Tilt assist (LEVER AY., Tilt assist)

нет в наличии, поставок нет
29 0433585

Рычаг & Вал в сборе., Long (ARM & SHAFT ASSY., Long)

нет в наличии, поставок нет
29 0397531

   (последний код) ARM AY,STEERING

нет в наличии, поставок нет
30 0336600

Гайка, Кабели (NUT, Cable)

нет в наличии, поставок нет
31 0333821

Опорная шайба Вал (WASHER, Pivot shaft)

нет в наличии, поставок нет
32 0319787

Втулка, Swivel brkt. to tilt Трубка (BUSHING, Swivel brkt. to tilt tube)

нет в наличии, поставок нет
32 0317789

   (последний код) BUSHING

нет в наличии, поставок нет
33 0332435

Штифт, Цилиндр наклона (PIN, Tilt cylinder)

нет в наличии, поставок нет
34 0211388

Наклейка, Exh. hsg., Ev. (DECAL, Exh. hsg., Ev.)

нет в наличии, поставок нет
34 0335117

Наклейка, Exh. hsg., Jo. (DECAL, Exh. hsg., Jo.)

нет в наличии, поставок нет
35 0133022

Винт, Exh. hsg. to power head (SCREW, Exh. hsg. to power head)

нет в наличии, поставок нет
36 0306014

Винт, Anchor block (SCREW, Anchor block)

нет в наличии, поставок нет
37 0432293

Рычаг AY., Trail lock (LEVER AY., Trail lock)

нет в наличии, поставок нет
37 0333944

   (последний код) LEVER

нет в наличии, поставок нет
38 0326468

Прокладка, Adapter to powerhead (GASKET, Adapter to powerhead)

нет в наличии, поставок нет
38 0351018

   (последний код) GASKET, PWHD-ADAPT

нет в наличии, поставок нет
39 0434392

Кабели, Tilt assist (CABLE, Tilt assist)

нет в наличии, поставок нет
39 0436202

   (последний код) CBLE AY,TLT ASSIST

нет в наличии, поставок нет
40 0335554

Гайка, Tilting Трубка (NUT, Tilting tube)

нет в наличии, поставок нет
41 0334247

TIE BAR (TIE BAR)

нет в наличии, поставок нет
41 0351247

   (последний код) BAR,TIE

нет в наличии, поставок нет
42 0305284

Винт, Tie bar (SCREW, Tie bar)

нет в наличии, поставок нет
42 0908158

   (последний код) SCREW

нет в наличии, поставок нет
43 0328701

Шайба, Винт, tie bar (WASHER, Screw, tie bar)

нет в наличии, поставок нет
43 3852182

   (последний код) WASHER,LOCK

нет в наличии, поставок нет
44 0582499

LEAD AY., Bonding Хомут (LEAD AY., Bonding strap)

нет в наличии, поставок нет
44 0583960

   (последний код) LEAD-AY

нет в наличии, поставок нет
45 0305284

Винт, Lead ay. (SCREW, Lead ay.)

нет в наличии, поставок нет
45 0908158

   (последний код) SCREW

нет в наличии, поставок нет
46 0328701

Шайба, Винт, lead ay. (WASHER, Screw, lead ay.)

нет в наличии, поставок нет
46 3852182

   (последний код) WASHER,LOCK

нет в наличии, поставок нет
47 0334161

ANCHOR BLOCK (ANCHOR BLOCK)

нет в наличии, поставок нет
48 0334153

SHELL, Tilt assist Кабели (SHELL, Tilt assist cable)

нет в наличии, поставок нет
49 0313623

Гайка, Кронштейн Винт (Nut, Bracket screw)

нет в наличии, поставок нет
49 0321861

   (последний код) NUT

нет в наличии, поставок нет
50 0301250

LOCKШайба, Exh. hsg (LOCKWASHER, Exh. hsg)

нет в наличии, поставок нет
50 0911009

   (последний код) WASHER

нет в наличии, поставок нет
51 0304051

Шайба, Trail lock (WASHER, Trail lock)

нет в наличии, поставок нет
51 0328703

   (последний код) WASHER

нет в наличии, поставок нет
52 0334337

Втулка (BUSHING)

нет в наличии, поставок нет
53 0305284

Винт, Trail lock (SCREW, Trail lock)

нет в наличии, поставок нет
53 0908158

   (последний код) SCREW

нет в наличии, поставок нет
54 0307238

Шайба, Кронштейн Винт (WASHER, Bracket screw)

нет в наличии, поставок нет
55 0332414

Сальник, Удлинитель корпуса (SEAL, Exhaust housing)

нет в наличии, поставок нет
56 0122890

Гайка, Tilt Штифт (NUT, Tilt pin)

нет в наличии, поставок нет
57 0309705

Винт, Inner to outer exh. hsg. (SCREW, Inner to outer exh. hsg.)

нет в наличии, поставок нет
57 0307155

   (последний код) SCREW

нет в наличии, поставок нет
58 0553122

Винт, Монтажный кронштейн (SCREW, Mount bracket)

нет в наличии, поставок нет
58 3852256

   (последний код) SCREW

нет в наличии, поставок нет
59 0433031

EXH. Корпус, Inner, long (EXH. HOUSING, Inner, long)

нет в наличии, поставок нет
59 0332426

   (последний код) HSG-INNER EXH

нет в наличии, поставок нет
60 0335852

Заглушка (PLUG)

нет в наличии, поставок нет
61 0332427

EXH. HSG., Outer, long (EXH. HSG., Outer, long)

нет в наличии, поставок нет
62 0314390

Шайба, Trail lock (WASHER, Trail lock)

нет в наличии, поставок нет
63 0317894

Колпачок (CAP)

нет в наличии, поставок нет
63 3852150

   (последний код) CAP

нет в наличии, поставок нет
64 0332419

Монтажный кронштейн, Port (MOUNT BRACKET, Port)

нет в наличии, поставок нет
65 0332420

Монтажный кронштейн, Stbd (MOUNT BRACKET, Stbd)

нет в наличии, поставок нет
66 0314949

Винт, Монтажный кронштейн (SCREW, Mount bracket)

нет в наличии, поставок нет
67 0332429

Пыльник, Inner to outer Корпус (GROMMET, Inner to outer housing)

нет в наличии, поставок нет
68 0318573

Винт, Кронштейн to transom 89 мм (3 1 / 2 дюйм) (SCREW, Bracket to transom 89mm (3 1/2 in.))

нет в наличии, поставок нет
68 3852153

   (последний код) BOLT

нет в наличии, поставок нет
68 0313327

Винт, Кронштейн to transom 102 мм (4 дюйм) Опции (SCREW, Bracket to transom 102mm (4 in.). Optional)

нет в наличии, поставок нет
68 0336676

   (последний код) 4 3/4" TRNSM BOLT

нет в наличии, поставок нет
68 0321577

Винт, Кронштейн to transom 152 мм (6 дюйм) Опции (SCREW, Bracket to transom 152mm (6 in.). Optional)

нет в наличии, поставок нет
69 0332441

Сальник, Strg. Рычаг to Нижняя часть корпуса (SEAL, Strg. arm to lower cover)

нет в наличии, поставок нет
69 0344332

   (последний код) SEAL

нет в наличии, поставок нет
70 0388234

RUBBER Верхнее крепление (RUBBER MOUNT, Upper)

нет в наличии, поставок нет
70 0436470

   (последний код) RUBBER MOUNT

нет в наличии, поставок нет
71 0332421

Крепление, Brkt., Front (MOUNT, Brkt., Front)

нет в наличии, поставок нет
72 0333764

RUBBER Крепление нижнее (RUBBER MOUNT, Lower)

нет в наличии, поставок нет
73 0332453

Упорная шайба, Винт, brkt. (THRUST WASHER, Screw, brkt.)

нет в наличии, поставок нет
74 0582494

LEAD в сборе., Рулевая система Рычаг (LEAD ASSY., Steering arm)

нет в наличии, поставок нет
74 0387043

   (последний код) LEAD-ASSEMBL

нет в наличии, поставок нет
75 0333673

Винт зажима, tilt assist Кабели (SCREW, Clamp, tilt assist cable)

нет в наличии, поставок нет
75 0332226

   (последний код) SCREW

нет в наличии, поставок нет
76 0306470

LOCKШайба, Винт, brkt. (LOCKWASHER, Screw, brkt.)

нет в наличии, поставок нет
76 3852061

   (последний код) LOCKWASHER

нет в наличии, поставок нет
77 0318238

Винт, Ручка (SCREW, Knob)

нет в наличии, поставок нет
78 0337586

Гайка, Wiper (NUT, Wiper)

нет в наличии, поставок нет
78 0983678

   (последний код) NUT & WIPER

нет в наличии, поставок нет
79 0327283

Шайба, Винт, Анод. Опции (WASHER, Screw, anode. Optional)

нет в наличии, поставок нет
80 0333674

Винт, Анод. Опции (SCREW, Anode. Optional)

нет в наличии, поставок нет
81 0324952

Струбцина, Tilt assist Кабели (CLAMP, Tilt assist cable)

нет в наличии, поставок нет
82 0173029

Анод. Опции (ANODE. Optional)

нет в наличии, поставок нет
82 0123009

   (последний код) ANODE

нет в наличии, поставок нет
83 0334438

Ручка наклона и Блокировка задней передачи (KNOB, Tilt and reverse lock)

нет в наличии, поставок нет
84 0334343

BAFFLE, Выхлоп relief (BAFFLE, Exhaust relief)

нет в наличии, поставок нет
85 0334281

Прокладка, Relief Крышка (GASKET, Relief cover)

нет в наличии, поставок нет
86 0323626

Винт, Baffle to Корпус (SCREW, Baffle to housing)

нет в наличии, поставок нет
86 0317952

   (последний код) SCREW

нет в наличии, поставок нет
87 0334879

Пластина, Baffle (PLATE, Baffle)

нет в наличии, поставок нет
88 0306423

Винт, верхний Крепление (SCREW, Upper mount)

нет в наличии, поставок нет
89 0306470

LOCKШайба верхнего крепежа (LOCKWASHER, Upper mount)

нет в наличии, поставок нет
89 3852061

   (последний код) LOCKWASHER

нет в наличии, поставок нет
90 0333868

Винт, верхний Крепление (SCREW, Upper mount)

нет в наличии, поставок нет
91 0313581

Бампер, Крепление Винт (BUMPER, Mount screw)

нет в наличии, поставок нет
92 0321232

RETAINING Шайба (RETAINING WASHER)

нет в наличии, поставок нет
92 0313546

   (последний код) RETAINING WASHER

нет в наличии, поставок нет
93 0313580

Шайба верхнего крепежа (WASHER, Upper mount)

нет в наличии, поставок нет
94 0334883

Пыльник, Exh. relief (GROMMET, Exh. relief)

нет в наличии, поставок нет
95 0321452

Пыльник, Переключающая тяга (GROMMET, Shift rod)

нет в наличии, поставок нет
95 0318249

   (последний код) GROMMET

нет в наличии, поставок нет
evinrude

Время выполнения запроса 3.0171558856964 сек.


 
 

данный сайт носит информационный характер и не является публичной офертой

склад запчастей для водомоторной техники