вконтакте

Контактный телефон: +7 (981) 121-46-93, +7 (800) 200-90-76 , Email: parts-katalog@yandex.ru, где купить

 
 

  Логин:

Пароль:

Регистрация

www.partskatalog.ru Все каталоги Запчасти Mercury Запчасти Suzuki Запчасти Tohatsu Запчасти Honda Контакты


Все разделы каталога запчастей на этот двигатель

назад Раздел:   вперёд

вернуться к списку узлов и деталей

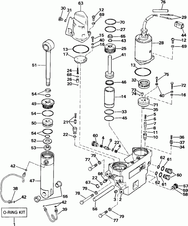
ДЕТАЛИРОВКА ДЛЯ МОДЕЛИ: EVINRUDE E155WTXEIB 1991

МЕХАНИЗИРОВАННЫЙ ДИФФЕРЕНТ НАКЛОНА HYDRAULIC ASSEMBLY | POWER TRIM/TILT HYDRAULIC ASSEMBLY;


Подвесной мотор EVINRUDE E155WTXEIB 1991  - wer Trim/tilt Hydraulic Assembly - wer Trim / tilt Hydraulic Assembly

Номер на
рисунке
АртикулНаименованиеКол-во
на складе
Цена
0398424 0398424

HYDRAULIC в сборе., Trim / tilt. Not Shown (HYDRAULIC ASSY., Trim/tilt. Not Shown)

нет в наличии, поставок нет
0398424 0434803

   (последний код) KIT AY, HYDRAULIC

нет в наличии, поставок нет
1 0393942

Уплотнительное кольцо KIT, Коллектор. Includes All Уплотнительное кольцоs Requiкрасный для Сервис of комплект Hydraulic в сборе. (Does Not Include Цилиндр наклона Уплотнительное кольцоs) (O-RING KIT, Manifold. Includes All O-Rings Required for Service of Complete Hydraulic Assy. (Does Not Include Tilt Cylinder O-Rings))

нет в наличии, поставок нет
2 0398110

Коллектор, Механизированный дифферент наклона. Includes Креплениеing Болтs (MANIFOLD, Power trim/tilt. Includes Mounting Bolts)

нет в наличии, поставок нет
2 0391099

   (последний код) MANIFOLD

нет в наличии, поставок нет
3 0321164

Заглушка, Large, Коллектор (PLUG, Large, manifold)

нет в наличии, поставок нет
3 0307544

   (последний код) PLUG

нет в наличии, поставок нет
4 0323846

Пружина, Поршень (SPRING, Piston)

нет в наличии, поставок нет
5 0325863

Пружина освобождения клапана (SPRING, Relief valve)

нет в наличии, поставок нет
6 0324677

Уплотнительное кольцо, Клапан core, верхний (O-RING, Valve core, upper)

нет в наличии, поставок нет
7 0325862

Клапан CORE, Relief Клапан (VALVE CORE, Relief valve)

нет в наличии, поставок нет
8 0324678

Уплотнительное кольцо, Клапан core, нижний (O-RING, Valve core, lower)

нет в наличии, поставок нет
9 0323848

Поршень, Помпа Управление (PISTON, Pump control)

нет в наличии, поставок нет
10 0391155

Седло Клапан core, relief Клапан (SEAT Valve core, relief valve)

нет в наличии, поставок нет
10 0325864

   (последний код) SEAT

нет в наличии, поставок нет
11 0326425

Уплотнительное кольцо, Седло клапана (O-RING, Valve seat)

нет в наличии, поставок нет
11 0324679

   (последний код) O-RING

нет в наличии, поставок нет
12 0320780

Винт, Motor & Резервуар (SCREW, Motor & reservoir)

нет в наличии, поставок нет
13 0321163

Уплотнительное кольцо, Motor & Резервуар (O-RING, Motor & reservoir)

нет в наличии, поставок нет
13 3852166

   (последний код) O-RING

нет в наличии, поставок нет
14 0320980

Гильза, Цилиндр трима (SLEEVE, Trim cylinder)

нет в наличии, поставок нет
15 0316602

Винт, Letdown Пластина (SCREW, Letdown plate)

нет в наличии, поставок нет
16 0300154

Шайба (WASHER)

нет в наличии, поставок нет
17 0323408

Пластина, Коллектор (PLATE, Manifold)

нет в наличии, поставок нет
20 0160084

Шарик, Седло клапана (BALL, Valve seat)

нет в наличии, поставок нет
20 3852023

   (последний код) BALL

нет в наличии, поставок нет
21 0983767

Предохранительный клапан в сборе. (RELIEF VALVE ASSY.)

нет в наличии, поставок нет
21 0389000

   (последний код) VALVE-CORE

нет в наличии, поставок нет
22 0202893

Уплотнительное кольцо (O-RING)

нет в наличии, поставок нет
22 3852033

   (последний код) O-RING

нет в наличии, поставок нет
24 0321165

Фильтр, Резервуар (FILTER, Reservoir)

нет в наличии, поставок нет
25 0320788

END Колпачок, Цилиндр трима (END CAP, Trim cylinder)

нет в наличии, поставок нет
26 0321226

Седло клапана, Фильтр (VALVE SEAT, Filter)

нет в наличии, поставок нет
27 0319662

Уплотнительное кольцо, End Колпачок (O-RING, End cap)

нет в наличии, поставок нет
27 0320527

   (последний код) O-RING

нет в наличии, поставок нет
28 0394176

TRIM / TILT MOTOR (TRIM/TILT MOTOR)

нет в наличии, поставок нет
28 0395840

   (последний код) MOTOR&CABLE AY

нет в наличии, поставок нет
29 0511657

Клемма (TERMINAL)

нет в наличии, поставок нет
29 0312659

   (последний код) TERMINAL

нет в наличии, поставок нет
0398606 0398606

Щётка & Комплект сальников. Not Shown 3 дюйм (76 мм) Dia. Trim Motor, "S" Stamp on End Колпачок (BRUSH & SEAL KIT. Not Shown 3 in. (76mm) Dia. Trim Motor, "S" Stamp on End Cap)

нет в наличии, поставок нет
0583522 0583522

Щётка & Комплект сальников. Not Shown 2.4 дюйм (61 мм) DiaПрибор Trim Motor, "S" Stamp on End Колпачок (BRUSH & SEAL KIT. Not Shown 2.4 in. (61mm) Diameter Trim Motor, "S" Stamp on End Cap)

нет в наличии, поставок нет
30 0321284

Заглушка, Резервуар (PLUG, Reservoir)

нет в наличии, поставок нет
31 0307450

Уплотнительное кольцо Fill Заглушка (O-RING Fill plug)

нет в наличии, поставок нет
31 3852073

   (последний код) O-RING

нет в наличии, поставок нет
32 0321350

Фильтр, Масляный насос (FILTER, Oil pump)

нет в наличии, поставок нет
33 0321716

Резервное кольцо Гильза (RING, Backup sleeve)

нет в наличии, поставок нет
34 0122757

Сальник, Клапан, Помпа & relief (SEAL, Valve, pump & relief)

нет в наличии, поставок нет
35 0321357

Уплотнительное кольцо (O-RING)

нет в наличии, поставок нет
36 0321282

Пружина освобождения клапана (SPRING, Relief valve)

нет в наличии, поставок нет
37 0122759

Клапан, Помпа relief (VALVE, Pump relief)

нет в наличии, поставок нет
38 0390443

OIL LINE в сборе., верхний (OIL LINE ASSY., Upper)

нет в наличии, поставок нет
38 0387396

   (последний код) OIL-LINE

нет в наличии, поставок нет
39 0387397

OIL LINE в сборе., нижний (OIL LINE ASSY., Lower)

нет в наличии, поставок нет
40 0306311

LOCKШайба (LOCKWASHER)

нет в наличии, поставок нет
41 0322724

TRIM Тяга в сборе. (TRIM ROD ASSY.)

нет в наличии, поставок нет
41 0388122

   (последний код) ROD & PISTONAY.

нет в наличии, поставок нет
42 0321117

Уплотнительное кольцо, Oil line (O-RING, Oil line)

5 шт100 руб.
42 3852165

   (последний код) O-RING

5 шт80 руб.
43 0328227

QUAD-Кольцо, Trim Тяга (QUAD-RING, Trim rod)

нет в наличии, поставок нет
44 0325698

Коннектор, Motor (CONNECTOR, Motor)

нет в наличии, поставок нет
45 0321283

Уплотнительное кольцо, Цилиндр трима (O-RING, Trim cylinder)

нет в наличии, поставок нет
46 0330809

Сальник, Trim Тяга (SEAL, Trim rod)

нет в наличии, поставок нет
46 0391622

   (последний код) SEAL-TRIM-RO

нет в наличии, поставок нет
0387248 0387248

Цилиндр в сборе., Tilt. Not Shown (CYLINDER ASSY., Tilt. Not Shown)

нет в наличии, поставок нет
0387248 0390005

   (последний код) CASE-&-BAND

нет в наличии, поставок нет
47 0390005

CASE в сборе. (CASE ASSY.)

нет в наличии, поставок нет
47 0387248

   (последний код) CYLINDER AY TILT

нет в наличии, поставок нет
0390002 0390002

Тяга в сборе. комплект. Not Shown (ROD ASSY. COMPLETE. Not Shown)

нет в наличии, поставок нет
49 0390006

Колпачок, Уплотнительное кольцо & Сальник (CAP, O-ring & seal)

нет в наличии, поставок нет
50 0390000

Поршень в сборе. (PISTON ASSY.)

нет в наличии, поставок нет
51 0390001

Тяга & EYELET (ROD & EYELET)

нет в наличии, поставок нет
52 0324385

Шайба, Тяга end (WASHER, Rod end)

нет в наличии, поставок нет
52 0337535

   (последний код) WASHER,TILT

нет в наличии, поставок нет
53 0324390

HEX Гайка, Тяга end (HEX NUT, Rod end)

нет в наличии, поставок нет
53 0337536

   (последний код) NUT,WASHER-C

нет в наличии, поставок нет
54 0390007

Уплотнительное кольцо PACKAGE (O-RING PACKAGE)

нет в наличии, поставок нет
55 0321246

Втулка, Shock нижний (BUSHING, Shock lower)

нет в наличии, поставок нет
56 0321202

Стержень Штифт, Shock нижний (PIVOT PIN, Shock lower)

нет в наличии, поставок нет
57 0387517

Седло клапана, Hsg. & Сальник в сборе. (VALVE SEAT, Hsg. & seal assy.)

нет в наличии, поставок нет
58 0304174

Уплотнительное кольцо (O-RING)

нет в наличии, поставок нет
59 0326649

Уплотнительное кольцо (O-RING)

нет в наличии, поставок нет
59 0553127

   (последний код) O RING

нет в наличии, поставок нет
60 0387376

Седло клапана, Hsg. & Сальник (VALVE SEAT, Hsg. & seal)

нет в наличии, поставок нет
61 0326649

Уплотнительное кольцо (O-RING)

нет в наличии, поставок нет
61 0553127

   (последний код) O RING

нет в наличии, поставок нет
62 0304174

Уплотнительное кольцо (O-RING)

нет в наличии, поставок нет
63 0391163

Резервуар, Trim / tilt (RESERVOIR, Trim/tilt)

нет в наличии, поставок нет
63 0321031

   (последний код) RESERVOIR

нет в наличии, поставок нет
65 0122494

WIPER, Trim Тяга (WIPER, Trim rod)

нет в наличии, поставок нет
66 0387990

ручной RELEASE Клапан (MANUAL RELEASE VALVE)

нет в наличии, поставок нет
66 0387413

   (последний код) VALVE ASSY

нет в наличии, поставок нет
67 0321362

Стопорное кольцо, ручной release (RETAINING RING, Manual release)

нет в наличии, поставок нет
68 0321542

Уплотнительное кольцо, Седло клапана (O-RING, Valve seat)

нет в наличии, поставок нет
69 0302290

Шайба (WASHER)

нет в наличии, поставок нет
69 0338307

   (последний код) WASHER,LOCK

нет в наличии, поставок нет
70 0321715

Кольцо BACKвыше, End Колпачок (RING BACKUP, End cap)

нет в наличии, поставок нет
71 0389836

Масляный насос в сборе. (OIL PUMP ASSY.)

нет в наличии, поставок нет
72 0321219

Винт, Помпа to Коллектор (SCREW, Pump to manifold)

нет в наличии, поставок нет
72 3852168

   (последний код) SCREW

нет в наличии, поставок нет
73 0322174

DRIVE Соединение (DRIVE COUPLING)

нет в наличии, поставок нет
74 0322175

Шарик, Соединение (BALL, Coupling)

нет в наличии, поставок нет
75 0321942

Винт, Socket head (SCREW, Socket head)

нет в наличии, поставок нет
76 0512790

Гильза, Motor leads (SLEEVE, Motor leads)

нет в наличии, поставок нет
77 0332216

Винт, Креплениеing, 1 7 / 8 дюйм long (SCREW, Mounting, 1 7/8 in. long)

нет в наличии, поставок нет
78 0332267

Винт, Креплениеing, 3 1 / 8 дюйм long (SCREW, Mounting, 3 1/8 in. long)

нет в наличии, поставок нет
79 0307708

LOCKМонтажная шайба (LOCKWASHER, Mounting)

нет в наличии, поставок нет
79 0302865

   (последний код) LOCKWASHER

нет в наличии, поставок нет
evinrude

Время выполнения запроса 1.2530789375305 сек.


 
 

данный сайт носит информационный характер и не является публичной офертой

склад запчастей для водомоторной техники