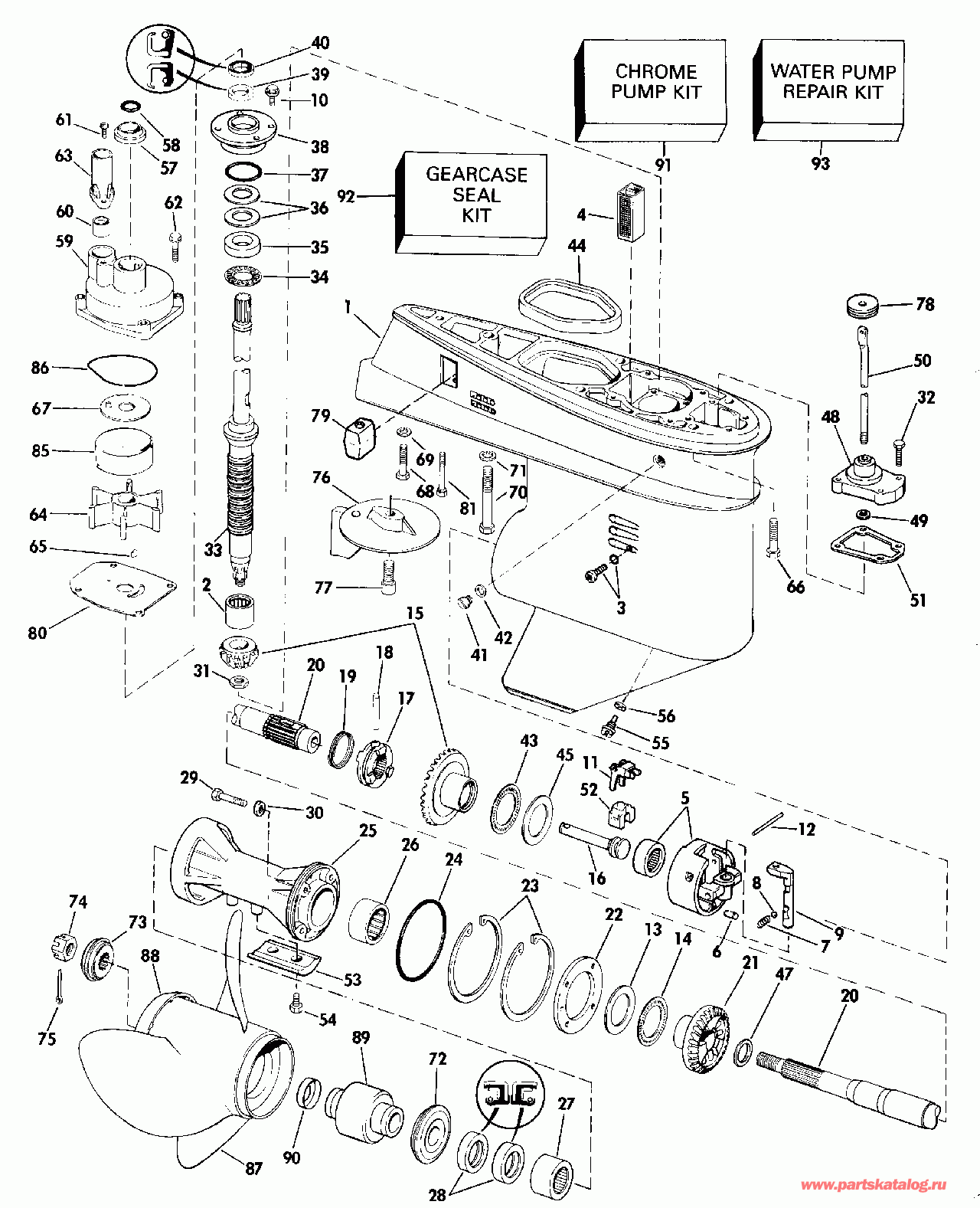
Номер на рисунке | Артикул | Наименование | Кол-во на складе | Цена |
| 0432624 | 0432624 | Редуктор в сборе., Long. Not Shown (GEARCASE ASSY., Long. Not Shown) | нет в наличии, поставок нет |
| 1 | 0392478 | Редуктор в сборе с подшипником. (GEARCASE & BEARING ASSY.) | нет в наличии, поставок нет |
| 1 | 5005458 | (последний код) GEARCASE&BRG AY | нет в наличии, поставок нет |
| 2 | 0382343 | Подшипник, Шестерня (BEARING, Pinion) | нет в наличии, поставок нет |
| 3 | 0324852 | Установочный винт, Подшипник (SET SCREW, Bearing) | нет в наличии, поставок нет |
| 0332584 | 0332584 | Сальник. Not Shown (SEAL. Not Shown) | нет в наличии, поставок нет |
| 4 | 0314175 | Водяной экран Система впуска (SCREEN, Water intake) | нет в наличии, поставок нет |
| 5 | 0391880 | Подшипник Корпус в сборе. (BEARING HOUSING ASSY.) | нет в наличии, поставок нет |
| 6 | 0331880 | Штифт, Корпус to gcase (PIN, Housing to gcase) | нет в наличии, поставок нет |
| 7 | 0326666 | Фиксатор пружины (SPRING, Detent) | нет в наличии, поставок нет |
| 8 | 0327345 | Шарик, Detent (BALL, Detent) | нет в наличии, поставок нет |
| 9 | 0326670 | DETENT, Переключательer (DETENT, Shifter) | нет в наличии, поставок нет |
| 10 | 0909386 | Винт, Hsg. to gcase (SCREW, Hsg. to gcase) | нет в наличии, поставок нет |
| 11 | 0324037 | Рычаг переключателя (LEVER, Shift) | 8 шт | 3700 руб. |
| 12 | 0320145 | Штифт рычага to hsg. (PIN, Lever to hsg.) | нет в наличии, поставок нет |
| 12 | 0323945 | (последний код) PIN-SHIFTER | нет в наличии, поставок нет |
| 13 | 0313447 | Упорная шайба, Rev. (THRUST WASHER, Rev.) | нет в наличии, поставок нет |
| 14 | 0382408 | THRUST Подшипник, Rev. (THRUST BEARING, Rev.) | нет в наличии, поставок нет |
| 15 | 0397338 | Шестерня и Комплект шестерёнок. (GEAR AND PINION ASSY.) | нет в наличии, поставок нет |
| 15 | 0389964 | (последний код) GEAR-PINION | нет в наличии, поставок нет |
| 16 | 0326668 | Переключающий валer (SHAFT, Shifter) | нет в наличии, поставок нет |
| 17 | 0318303 | Переключатель собачки сцепления (SHIFTER, Clutch dog) | нет в наличии, поставок нет |
| 18 | 0313448 | Штифт сцепления dog (PIN, Clutch dog) | нет в наличии, поставок нет |
| 19 | 0324369 | Пружина, Сцепление dog Штифт (SPRING, Clutch dog pin) | нет в наличии, поставок нет |
| 19 | 0313454 | (последний код) SPRING | нет в наличии, поставок нет |
| 20 | 0387879 | Вал гребного винта в сборе. (PROPELLER SHAFT ASSY.) | нет в наличии, поставок нет |
| 20 | 0439185 | (последний код) SHAFT AY,PROPELLER | нет в наличии, поставок нет |
| 21 | 0318304 | Шестерня обратного хода (GEAR, Reverse) | нет в наличии, поставок нет |
| 22 | 0313453 | Фиксатор Пластина, Подшипник Корпус (RETAINER PLATE, Bearing housing) | нет в наличии, поставок нет |
| 23 | 0313445 | Стопорное кольцо (RETAINING RING) | нет в наличии, поставок нет |
| 24 | 0313446 | Уплотнительное кольцо, Подшипник Корпус (O-RING, bearing housing) | нет в наличии, поставок нет |
| 25 | 0397188 | Подшипник Корпус в сборе. (BEARING HOUSING ASSY.) | нет в наличии, поставок нет |
| 25 | 0434391 | (последний код) P-SHFT BRG HSG AY | нет в наличии, поставок нет |
| 26 | 0382407 | Игольчатый подшипник в сборе. (NEEDLE BEARING ASSY.) | 1 шт | 5500 руб. |
| 27 | 0379504 | Игольчатый подшипник в сборе. (NEEDLE BEARING ASSY.) | нет в наличии, поставок нет |
| 28 | 0330137 | Сальник (SEAL) | 17 шт | 3700 руб. |
| 28 | 0321668 | (последний код) SEAL-CRNKSHF | нет в наличии, поставок нет |
| 28 | T-0330137 | (не оригинальный аналог) Сальник редуктора OMC/Johnson/Evinrude 0330137 | под заказ шт | по запросу |
| 29 | 0320041 | Винт, Hsg. to Редуктор (SCREW, Hsg. to gearcase) | нет в наличии, поставок нет |
| 29 | 0316564 | (последний код) SCREW BRG HSG | нет в наличии, поставок нет |
| 30 | 0332584 | Сальник (SEAL) | нет в наличии, поставок нет |
| 31 | 0313339 | Гайка, Шестерня to dВал (NUT, Pinion to dshaft) | нет в наличии, поставок нет |
| 32 | 0302325 | Винт, Крышка to Редуктор (SCREW, Cover to gearcase) | нет в наличии, поставок нет |
| 33 | 0432960 | Приводной вал., Long (DRIVESHAFT ASSY., Long) | нет в наличии, поставок нет |
| 33 | 0437376 | (последний код) DRIVESHAFT AY,20" | нет в наличии, поставок нет |
| 34 | 0385068 | THRUST Подшипник в сборе. (THRUST BEARING ASSY.) | 1 шт | 7500 руб. |
| 35 | 0317230 | Упорная шайба (THRUST WASHER) | нет в наличии, поставок нет |
| 36 | 0323889 | Регулировочная шайба, 0.003 дюйм (0.07 мм) (SHIM, 0.003 in. (0.07mm)) | нет в наличии, поставок нет |
| 36 | 0323890 | Регулировочная шайба, 0.004 дюйм (0, 10 мм) (SHIM, 0.004 in. (0,10mm)) | нет в наличии, поставок нет |
| 36 | 0317232 | Регулировочная шайба, 0.005" дюйм (0, 12 мм) (SHIM, 0.005" in. (0,12mm)) | нет в наличии, поставок нет |
| 37 | 0313754 | Уплотнительное кольцо, Подшипник Корпус (O-RING, Bearing housing) | нет в наличии, поставок нет |
| 38 | 0385087 | Подшипник Корпус в сборе. (BEARING HOUSING ASSY.) | нет в наличии, поставок нет |
| 39 | 0321466 | Сальник, нижний (SEAL, lower) | нет в наличии, поставок нет |
| 39 | 0318223 | (последний код) OIL RET 5 PK | нет в наличии, поставок нет |
| 40 | 0332205 | Сальник, верхний (SEAL, Upper) | нет в наличии, поставок нет |
| 41 | 0307551 | Заглушка, Fill & drain, верхний (PLUG, Fill & drain, upper) | нет в наличии, поставок нет |
| 41 | 0982851 | (последний код) SCREW-PLUG | нет в наличии, поставок нет |
| 42 | 0333572 | Уплотнительное кольцо (O-RING) | нет в наличии, поставок нет |
| 42 | 3855081 | (последний код) 0-RING | нет в наличии, поставок нет |
| 43 | 0385043 | THRUST Подшипник, дляward (THRUST BEARING, Forward) | нет в наличии, поставок нет |
| 43 | 3852221 | (последний код) BEARING-AY,T | нет в наличии, поставок нет |
| 44 | 0324937 | Сальник, Gcase to inner exh. hsg. (SEAL, Gcase to inner exh. hsg.) | нет в наличии, поставок нет |
| 44 | 0313656 | (последний код) SEAL | нет в наличии, поставок нет |
| 45 | 0324766 | Упорная шайба, Fwd. (THRUST WASHER, Fwd.) | нет в наличии, поставок нет |
| 47 | 0316484 | Упорная шайба, Переключательer dog reverse (THRUST WASHER, Shifter dog reverse) | нет в наличии, поставок нет |
| 48 | 0388651 | Крышка в сборе (COVER ASSY.) | нет в наличии, поставок нет |
| 49 | 0318372 | Уплотнительное кольцо, Переключающая тяга (O-RING, Shift rod) | нет в наличии, поставок нет |
| 50 | 0327337 | Переключающая тяга, Long (SHIFT ROD, Long) | нет в наличии, поставок нет |
| 51 | 0314082 | Прокладка крышки to gcase (GASKET, Cover to gcase) | 12 шт | 650 руб. |
| 51 | 0320312 | (последний код) GASKET | нет в наличии, поставок нет |
| 52 | 0334163 | CRADLE, Переключательer (CRADLE, Shifter) | 5 шт | 1880 руб. |
| 52 | 0322900 | (последний код) CRADLE-SHIFT | нет в наличии, поставок нет |
| 53 | 0431708 | Анод, Подшипник hsg. (ANODE, Bearing hsg.) | нет в наличии, поставок нет |
| 53 | 0397111 | (последний код) ANODE-AY | нет в наличии, поставок нет |
| 54 | 0332320 | Винт, Анод (SCREW, Anode) | нет в наличии, поставок нет |
| 55 | 0318544 | Заглушка, Fill & drain, нижний (PLUG, Fill & drain, lOWER) | нет в наличии, поставок нет |
| 55 | 0912624 | (последний код) SCREW | нет в наличии, поставок нет |
| 56 | 0333572 | Уплотнительное кольцо (O-RING) | нет в наличии, поставок нет |
| 56 | 3855081 | (последний код) 0-RING | нет в наличии, поставок нет |
| 57 | 0315748 | Пыльник, Корпус. Also included in Ремкомплект водяного насоса 432955 (GROMMET, Housing. Also included in Water Pump Repair Kit 432955) | нет в наличии, поставок нет |
| 57 | 0341732 | (последний код) GROMMET | 1 шт | 160 руб. |
| 58 | 0310585 | Уплотнительное кольцо, DriveВал. Also included in Ремкомплект водяного насосаs 432955 & 432956 (O-RING, Driveshaft. Also included in Water Pump Repair Kits 432955 & 432956) | нет в наличии, поставок нет |
| 59 | 0391049 | Крыльчатка Корпус. Also included in Ремкомплект водяного насоса 432955 (IMPELLER HOUSING. Also included in Water Pump Repair Kit 432955) | нет в наличии, поставок нет |
| 59 | 0432955 | (последний код) WATERPUMP KIT | нет в наличии, поставок нет |
| 60 | 0314008 | Пыльник водяной трубки. Also included in Ремкомплект водяного насоса 432955 (GROMMET, Water tube. Also included in Water Pump Repair Kit 432955) | нет в наличии, поставок нет |
| 61 | 0908158 | Винт направляющей to hsg.. Also included in Ремкомплект водяного насоса 432955 (SCREW, Guide to hsg.. Also included in Water Pump Repair Kit 432955) | нет в наличии, поставок нет |
| 61 | 3852050 | (последний код) SCREW | нет в наличии, поставок нет |
| 62 | 0331979 | Винт, Крыльчатка hsg.. Also included in Ремкомплект водяного насоса 432955 (SCREW, Impeller hsg.. Also included in Water Pump Repair Kit 432955) | нет в наличии, поставок нет |
| 63 | 0319276 | Направляющая трубки водяного насоса. Also included in Ремкомплект водяного насоса 432955 (GUIDE, Water tube. Also included in Water Pump Repair Kit 432955) | нет в наличии, поставок нет |
| 64 | 0432954 | Крыльчатка & Ключ в сборе.. Also included in Ремкомплект водяного насоса 432955 (IMPELLER & KEY ASSY.. Also included in Water Pump Repair Kit 432955) | нет в наличии, поставок нет |
| 64 | 0396725 | (последний код) IMP & KEY AY | нет в наличии, поставок нет |
| 65 | 0334897 | Ключ, Крыльчатка to driveВал. Also included in Ремкомплект водяного насоса 432955 (KEY, Impeller to driveshaft. Also included in Water Pump Repair Kit 432955) | нет в наличии, поставок нет |
| 66 | 0308843 | Винт, Редуктор to hsg. (SCREW, Gearcase to hsg.) | нет в наличии, поставок нет |
| 67 | 0321940 | Пластина корпуса крыльчатки. Also included in Ремкомплект водяного насоса 432955 (PLATE, Impeller housing. Also included in Water Pump Repair Kit 432955) | нет в наличии, поставок нет |
| 68 | 0306503 | Винт, Short (SCREW, Short) | нет в наличии, поставок нет |
| 68 | 0316533 | (последний код) SCREW | нет в наличии, поставок нет |
| 69 | 0306470 | LOCKШайба, Short Винт (LOCKWASHER, Short screw) | нет в наличии, поставок нет |
| 69 | 3852061 | (последний код) LOCKWASHER | нет в наличии, поставок нет |
| 70 | 0313697 | Винт, Long (SCREW, Long) | нет в наличии, поставок нет |
| 70 | 0312697 | (последний код) SCREW | нет в наличии, поставок нет |
| 71 | 0306314 | LOCKШайба, Long Винт (LOCKWASHER, Long screw) | нет в наличии, поставок нет |
| 72 | 0318841 | Упорная втулка в сборе. (THRUST BUSHING ASSY.) | нет в наличии, поставок нет |
| 72 | 0127084 | (последний код) BUSHING,THRUST | нет в наличии, поставок нет |
| 73 | 0315810 | Проставка, Prop. Гайка (SPACER, Prop. nut) | нет в наличии, поставок нет |
| 74 | 0314503 | Гайка гребного винта (NUT, Propeller) | нет в наличии, поставок нет |
| 75 | 0314502 | Шплинт, Prop. Гайка (COTTER PIN, Prop. nut) | нет в наличии, поставок нет |
| 76 | 0327640 | Пластина трима, Редуктор (TRIM TAB, Gearcase) | нет в наличии, поставок нет |
| 76 | 0338742 | (последний код) TAB,TRIM-STD | нет в наличии, поставок нет |
| 77 | 0313715 | Винт, Пластина трима (SCREW, Trim tab) | нет в наличии, поставок нет |
| 78 | 0321452 | Пыльник (GROMMET) | нет в наличии, поставок нет |
| 78 | 0318249 | (последний код) GROMMET | нет в наличии, поставок нет |
| 79 | 0393023 | Анод и INSERT (ANODE AND INSERT) | нет в наличии, поставок нет |
| 79 | 0436745 | (последний код) ANODE&INSERT AY | нет в наличии, поставок нет |
| 80 | 0319275 | Пластина корпуса крыльчатки. Also included in Ремкомплект водяного насоса 432955 (PLATE, Impeller housing. Also included in Water Pump Repair Kit 432955) | нет в наличии, поставок нет |
| 80 | 0341038 | (последний код) IMP HSG PLATE | нет в наличии, поставок нет |
| 81 | 0328096 | Винт, Анод (SCREW, Anode) | нет в наличии, поставок нет |
| 81 | 0327046 | (последний код) SCREW | нет в наличии, поставок нет |
| 85 | 0324980 | LINER, Крыльчатка Корпус. Also included in Ремкомплект водяного насоса 432955 (LINER, Impeller housing. Also included in Water Pump Repair Kit 432955) | нет в наличии, поставок нет |
| 85 | 0321941 | (последний код) LINER | нет в наличии, поставок нет |
| 86 | 0324981 | Сальник, Крыльчатка Корпус. Also included in Ремкомплект водяного насосаs 432955 & 432956 (SEAL, Impeller housing. Also included in Water Pump Repair Kits 432955 & 432956) | нет в наличии, поставок нет |
| 87 | 0383160 | Гребной винт, 14 * 9 AL. (PROPELLER, 14 9 AL.) | нет в наличии, поставок нет |
| 87 | 0763300 | (последний код) PROP AL,14 X 9 | нет в наличии, поставок нет |
| 87 | 0382761 | Гребной винт, 14 * 11 AL. (PROPELLER, 14 11 AL.) | нет в наличии, поставок нет |
| 87 | 0391668 | Гребной винт, 14 * 13 AL. (PROPELLER, 14 13 AL.) | нет в наличии, поставок нет |
| 87 | 0765181 | (последний код) PROP,AL 13.75X13 | нет в наличии, поставок нет |
| 87 | 0391198 | Гребной винт, 13 3 / 4 * 15 AL. (PROPELLER, 13 3/4 15 AL.) | нет в наличии, поставок нет |
| 87 | 0765182 | (последний код) PROP AY,AL 13.5X15 | нет в наличии, поставок нет |
| 87 | 0391199 | Гребной винт, 13 1 / 4 * 17 AL. (PROPELLER, 13 1/4 17 AL.) | нет в наличии, поставок нет |
| 87 | 0765183 | (последний код) PROP,AL 13.25X17 | нет в наличии, поставок нет |
| 87 | 0390896 | Гребной винт, 13 * 19 AL. (PROPELLER, 13 19 AL.) | нет в наличии, поставок нет |
| 87 | 0765184 | (последний код) PROP AY,AL 13.2X19 | нет в наличии, поставок нет |
| 87 | 0389788 | Гребной винт, 12 3 / 4 * 21 AL (PROPELLER, 12 3/4 21 AL) | нет в наличии, поставок нет |
| 87 | 0765185 | (последний код) PROP AY,AL 13.2X21 | нет в наличии, поставок нет |
| 87 | 0390895 | Гребной винт, 12 3 / 4 * 23 AL (PROPELLER, 12 3/4 23 AL) | нет в наличии, поставок нет |
| 87 | 0177150 | (последний код) PROP AY,12.75 X 23 | нет в наличии, поставок нет |
| 87 | 0392261 | Гребной винт, 13 3 / 4 * 13 SST (PROPELLER, 13 3/4 13 SST) | нет в наличии, поставок нет |
| 87 | 0389948 | Гребной винт, 13 3 / 4 * 17 SST (PROPELLER, 13 3/4 17 SST) | нет в наличии, поставок нет |
| 87 | 0176572 | (последний код) SST V4 13.88X17 | нет в наличии, поставок нет |
| 87 | 0389510 | Гребной винт, 13 * 19 SST (PROPELLER, 13 19 SST) | нет в наличии, поставок нет |
| 87 | 0763931 | (последний код) VIPERV4 13.875X19 | нет в наличии, поставок нет |
| 87 | 0389512 | Гребной винт, 12 3 / 4 * 21 SST (PROPELLER, 12 3/4 21 SST) | нет в наличии, поставок нет |
| 87 | 0384702 | (последний код) SST-V4-21" | нет в наличии, поставок нет |
| 87 | 0389792 | Гребной винт, 13 3 / 4 * 11 SST (PROPELLER, 13 3/4 11 SST) | нет в наличии, поставок нет |
| 87 | 0390115 | (последний код) SST-50HP-RED | нет в наличии, поставок нет |
| 87 | 0389949 | Гребной винт, 13 3 / 4 * 15 SST (PROPELLER, 13 3/4 15 SST) | нет в наличии, поставок нет |
| 87 | 0763929 | (последний код) VIPER V413.875X15 | нет в наличии, поставок нет |
| 88 | 0332393 | CONVERGING Кольцо, Alum. prop. (CONVERGING RING, Alum. prop.) | нет в наличии, поставок нет |
| 88 | 0325996 | (последний код) CONVERGING RING | нет в наличии, поставок нет |
| 89 | 0384977 | PROP, Втулка в сборе. (PROP, BUSHING ASSY.) | нет в наличии, поставок нет |
| 90 | 0313926 | Гильза, Втулка (SLEEVE, Bushing) | нет в наличии, поставок нет |
| 90 | 3850831 | (последний код) SLEEVE-PROP | нет в наличии, поставок нет |
| 91 | 0389145 | Хромированный ремкомплект водяного насоса (CHROME PUMP KIT) | нет в наличии, поставок нет |
| 92 | 0396349 | Комплект сальников редуктора (GEARCASE SEAL KIT) | нет в наличии, поставок нет |
| 92 | 5000309 | (последний код) KIT AY,SEAL-GRC | нет в наличии, поставок нет |
| 93 | 0432956 | Ремкомплект водяного насоса (WATER PUMP REPAIR KIT) | нет в наличии, поставок нет |
| 93 | 0432955 | (последний код) WATERPUMP KIT | нет в наличии, поставок нет |
| 93 | 0432955 | Ремкомплект водяного насоса, (includes Крыльчатка Корпус) (WATER PUMP REPAIR KIT, (includes impeller housing)) | нет в наличии, поставок нет |
| 93 | 0438591 | (последний код) KIT ASSY, WATER PUMP | нет в наличии, поставок нет |