вконтакте

Контактный телефон: +7 (981) 121-46-93, +7 (800) 200-90-76 , Email: parts-katalog@yandex.ru, где купить

 
 

  Логин:

Пароль:

Регистрация

www.partskatalog.ru Все каталоги Запчасти Mercury Запчасти Suzuki Запчасти Tohatsu Запчасти Honda Контакты


Все разделы каталога запчастей на этот двигатель

назад Раздел:   вперёд

вернуться к списку узлов и деталей

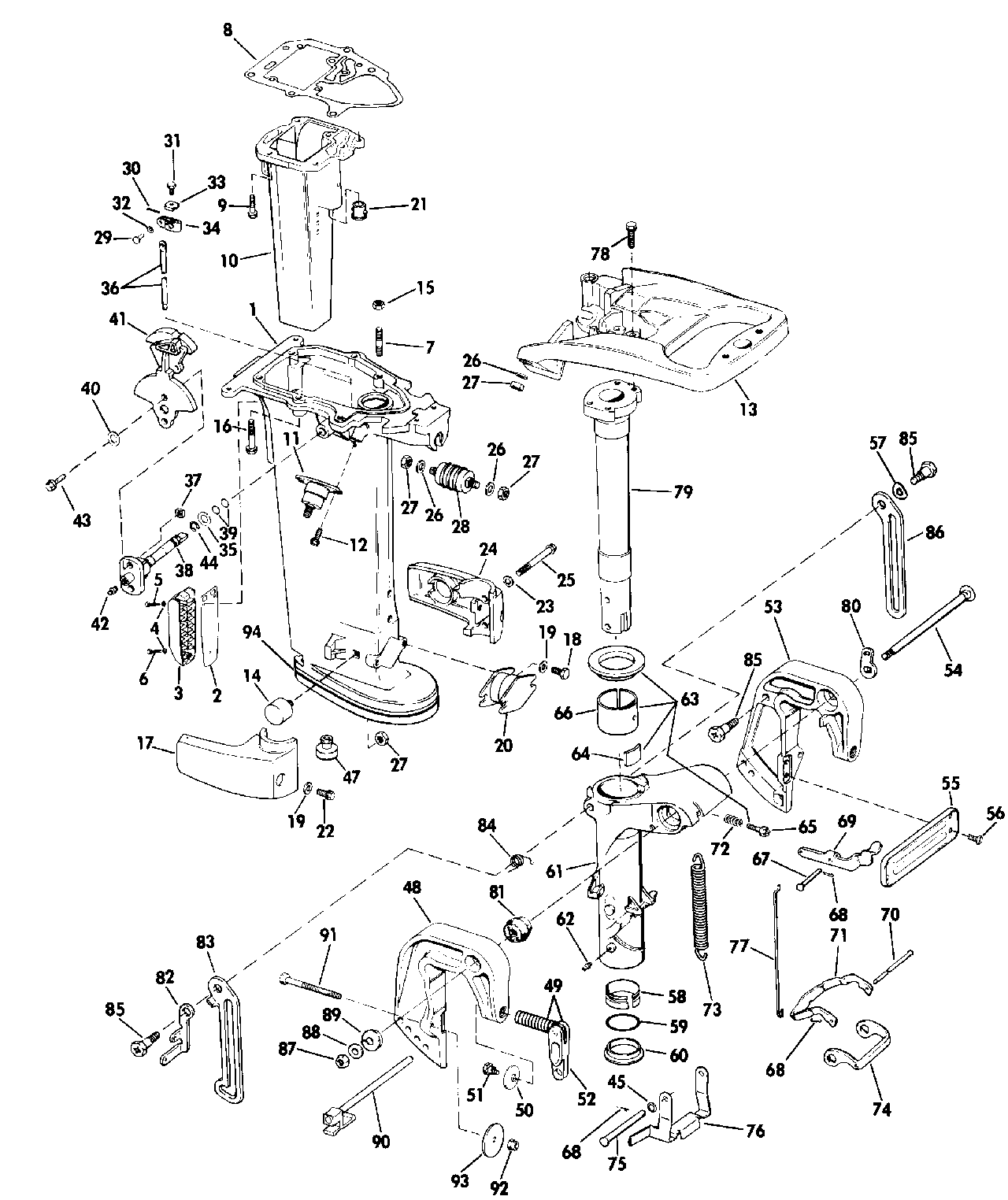
ДЕТАЛИРОВКА ДЛЯ МОДЕЛИ: EVINRUDE E30RLESS 1990

MIDSECTION - 20 & 25 MODELS ONLY | MIDSECTION - 20 & 25 MODELS ONLY;


Подвесной лодочный мотор Эвинруд E30RLESS 1990  - 20 & 25 Models Only

Номер на
рисунке
АртикулНаименованиеКол-во
на складе
Цена
1 0432429

Удлинитель корпуса в сборе. (Std.) (EXHAUST HOUSING ASSY. (Std.))

нет в наличии, поставок нет
1 0436192

   (последний код) HSG AY,EXH-STD

нет в наличии, поставок нет
1 0432428

Удлинитель корпуса в сборе. (Long) (EXHAUST HOUSING ASSY. (Long))

нет в наличии, поставок нет
1 0436193

   (последний код) HSG AY,EXH-LONG

нет в наличии, поставок нет
2 0335078

Прокладка крышки to exh. hsg. (GASKET, cover to exh. hsg.)

нет в наличии, поставок нет
2 0437245

   (последний код) KIT AY,COV&GASKET

нет в наличии, поставок нет
3 0334519

Выхлопная крышка relief (COVER, Exhaust relief)

нет в наличии, поставок нет
4 0305863

Шайба, Винт, Крышка (WASHER, Screw, cover)

нет в наличии, поставок нет
5 0334522

Винт, Крышка, верхний (SCREW, Cover, upper)

нет в наличии, поставок нет
6 0334521

Винт, Крышка, нижний (SCREW, Cover, lower)

нет в наличии, поставок нет
7 0324815

Шпилька (STUD)

нет в наличии, поставок нет
7 3852176

   (последний код) STUD

нет в наличии, поставок нет
8 0330621

Прокладка, Powerhead to Нижний модуль (GASKET, Powerhead to lower unit)

нет в наличии, поставок нет
8 0324332

   (последний код) GASKET

нет в наличии, поставок нет
9 0308743

Винт, Inner Выхлоп Трубка (SCREW, Inner exhaust tube)

нет в наличии, поставок нет
9 0342422

   (последний код) SCREW

нет в наличии, поставок нет
10 0335634

Выхлоп Трубка внутри (EXHAUST TUBE, Inner)

нет в наличии, поставок нет
10 0336258

   (последний код) TUBE,EXHAUST-INNER

нет в наличии, поставок нет
11 0303879

Крепление, Rubber, верхний side, std. (MOUNT, Rubber, upper side, std.)

нет в наличии, поставок нет
11 0332809

   (последний код) RUBBER MOUNT

нет в наличии, поставок нет
11 0325974

Крепление, Rubber, верхний side, long (MOUNT, Rubber, upper side, long)

нет в наличии, поставок нет
11 0332810

   (последний код) RUBBER MOUNT

нет в наличии, поставок нет
12 0329217

Винт, верхний монтаж сбоку (SCREW, Upper side mount)

нет в наличии, поставок нет
12 0333707

   (последний код) SCREW

нет в наличии, поставок нет
13 0335430

Кронштейн рулевого управления (BRACKET, Steering)

нет в наличии, поставок нет
13 0331475

   (последний код) STEERING BRACKET

нет в наличии, поставок нет
14 0321470

Крепление, Rubber, нижняя сторона, std. (MOUNT, Rubber, lower side, std.)

нет в наличии, поставок нет
14 0332811

   (последний код) RUBBER MOUNT

нет в наличии, поставок нет
14 0325975

Крепление, Rubber, нижняя сторона, long (MOUNT, Rubber, lower side, long)

нет в наличии, поставок нет
15 0315204

Гайка, Шпилька (NUT, Stud)

нет в наличии, поставок нет
15 0316355

   (последний код) NUT

нет в наличии, поставок нет
16 0324816

Винт, Корпус to cyl. & ccase (SCREW, Housing to cyl. & ccase)

нет в наличии, поставок нет
17 0323109

Корпус, нижний Крепление, stbd. (HOUSING, Lower mount, stbd.)

нет в наличии, поставок нет
17 0321403

   (последний код) HOUSING

нет в наличии, поставок нет
18 0309942

Винт, нижний front Крепление (SCREW, Lower front mount)

нет в наличии, поставок нет
18 3852086

   (последний код) SCREW

нет в наличии, поставок нет
19 0303886

Шайба (WASHER)

нет в наличии, поставок нет
20 0321469

Крепление, Rubber, нижний front (MOUNT, Rubber, lower front)

нет в наличии, поставок нет
20 0332808

   (последний код) RUBBER MOUNT

нет в наличии, поставок нет
21 0302497

Пыльник водяной трубки (GROMMET, Water tube)

2 шт250 руб.
22 0309942

Винт, Крепление to Корпус (SCREW, Mount to housing)

нет в наличии, поставок нет
22 3852086

   (последний код) SCREW

нет в наличии, поставок нет
23 0304144

LOCKШайба (LOCKWASHER)

нет в наличии, поставок нет
24 0323108

Корпус, нижний Крепление, port (HOUSING, Lower mount, port)

нет в наличии, поставок нет
24 0321402

   (последний код) HOUSING

нет в наличии, поставок нет
25 0316440

Винт, Крепление Корпус (SCREW, Mount housing)

нет в наличии, поставок нет
25 0342540

   (последний код) SCREW

нет в наличии, поставок нет
26 0303884

Шайба (WASHER)

нет в наличии, поставок нет
27 0303889

Гайка, Креплениеs to exh. hsg. & Кронштейн рулевого управления (NUT, Mounts to exh. hsg. & steering bracket)

нет в наличии, поставок нет
27 3852065

   (последний код) NUT

нет в наличии, поставок нет
28 0331812

Крепление, Rubber, верхний front. (MOUNT, Rubber, upper front.)

нет в наличии, поставок нет
28 0332807

   (последний код) RUBBER MOUNT

нет в наличии, поставок нет
29 0302504

Штифт, Переключающая тяга to Рычаг (PIN, Shift rod to lever)

нет в наличии, поставок нет
30 0305650

Шплинт, Рычаг переключения to Штифт (COTTER PIN, Shift lever to pin)

нет в наличии, поставок нет
30 3852052

   (последний код) PIN,COTTER

нет в наличии, поставок нет
31 0308017

Винт, Переключающая тяга (SCREW, Shift rod)

нет в наличии, поставок нет
32 0304380

Пружинная шайба (SPRING WASHER)

нет в наличии, поставок нет
33 0319537

Зажим, Рычаг тяги переключения (CLIP, Shift rod lever)

нет в наличии, поставок нет
34 0322092

Рычаг штока переключения (LEVER, Shift rod)

нет в наличии, поставок нет
34 0320117

   (последний код) LEVER

нет в наличии, поставок нет
35 0303775

Шайба, Рычаг to hsg. (WASHER, Lever to hsg.)

нет в наличии, поставок нет
36 0325540

Переключающая тяга, верхний (Std.) (SHIFT ROD, Upper (Std.))

нет в наличии, поставок нет
36 0325541

Переключающая тяга, верхний (Long) (SHIFT ROD, Upper (Long))

нет в наличии, поставок нет
37 0203688

Гайка, Adjustment Винт (NUT, Adjustment screw)

нет в наличии, поставок нет
37 0328710

   (последний код) NUT-SCREW-ID

нет в наличии, поставок нет
38 0394574

ADJ. Рычаг & Вал в сборе. (ADJ. LEVER & SHAFT ASSY.)

нет в наличии, поставок нет
38 0390252

   (последний код) ADJT-LVR&SHF

нет в наличии, поставок нет
39 0324660

Уплотнительное кольцо, Рычаг Вал (O-RING, Lever shaft)

нет в наличии, поставок нет
40 0328703

Шайба., Винт, cam to Рычаг (WASHER., Screw, cam to lever)

нет в наличии, поставок нет
40 3852184

   (последний код) WASHER

нет в наличии, поставок нет
41 0335342

Пускатель Кулачок переключателя (ACTUATOR CAM, Shift)

нет в наличии, поставок нет
41 0331470

   (последний код) ACTUATOR-CAM

нет в наличии, поставок нет
42 0313607

FITTING, Lube, Переключающий вал (FITTING, Lube, shift shaft)

нет в наличии, поставок нет
42 3852121

   (последний код) FITTING,LUB

нет в наличии, поставок нет
43 0317581

Винт, Пускатель cam to adjustment Рычаг (SCREW, Actuator cam to adjustment lever)

нет в наличии, поставок нет
44 0315786

Фиксатор, Переключающий вал (RETAINER, Shift shaft)

нет в наличии, поставок нет
45 0301996

Шайба, Штифт to Соединитель (WASHER, Pin to link)

1 шт140 руб.
47 0326071

Бампер, Крепление hsg. (BUMPER, Mount hsg.)

нет в наличии, поставок нет
47 0323107

   (последний код) BUMPER-MT-HS

нет в наличии, поставок нет
48 0335713

STERN BRKT., Stbd. (STERN BRKT., Stbd.)

нет в наличии, поставок нет
49 0433675

Винт струбцины в сборе., Aluminum (CLAMP SCREW ASSY., Aluminum)

нет в наличии, поставок нет
49 0433674

   (последний код) KIT AY,CLAMPSCREW

нет в наличии, поставок нет
49 0391421

Винт струбцины в сборе., Stainless st.. Опции (CLAMP SCREW ASSY., Stainless st.. Optional)

нет в наличии, поставок нет
49 0389959

   (последний код) CLAMPSCREW

нет в наличии, поставок нет
50 0307561

Пластина, Swivel (PLATE, Swivel)

нет в наличии, поставок нет
50 0337017

   (последний код) SWIVEL-PLATE

нет в наличии, поставок нет
51 0321922

Винт, Shoulder (SCREW, Shoulder)

нет в наличии, поставок нет
52 0398001

REPLACEMENT HANDLE в сборе. (REPLACEMENT HANDLE ASSY.)

нет в наличии, поставок нет
53 0335712

STERN BRKT., Port (STERN BRKT., Port)

нет в наличии, поставок нет
54 0319756

Болт опрокидывания Вал (BOLT, Tilting shaft)

нет в наличии, поставок нет
54 0301984

   (последний код) BOLT

нет в наличии, поставок нет
55 0310378

Хомут, Кронштейн транца (STRAP, Stern bracket)

нет в наличии, поставок нет
56 0310379

Винт, Хомут (SCREW, Strap)

нет в наличии, поставок нет
57 0204445

Пружинная шайба, Shldr. Винт, port (SPRING WASHER, Shldr. screw, port)

нет в наличии, поставок нет
58 0309967

Втулка, Pilot Вал, нижний (BUSHING, Pilot shaft, lower)

нет в наличии, поставок нет
59 0301917

Уплотнительное кольцо (O-RING)

нет в наличии, поставок нет
60 0309966

Упорная шайба (WASHER, Thrust)

нет в наличии, поставок нет
61 0328676

Поворотный кронштейн (BRACKET, Swivel)

нет в наличии, поставок нет
62 0313607

FITTING, Lube, swivel brkt. (FITTING, Lube, swivel brkt.)

нет в наличии, поставок нет
62 3852121

   (последний код) FITTING,LUB

нет в наличии, поставок нет
63 0397736

FRICTION BLOCK в сборе. (FRICTION BLOCK ASSY.)

нет в наличии, поставок нет
63 0388748

   (последний код) WASHER,SEAL&

нет в наличии, поставок нет
64 0332662

FRICTION BLOCK (FRICTION BLOCK)

нет в наличии, поставок нет
65 0321531

Фрикционный винт adjustment (SCREW, Friction adjustment)

нет в наличии, поставок нет
66 0332663

верхний LINER (UPPER LINER)

нет в наличии, поставок нет
67 0303930

Стержень Вал блокировки задней передачи Рычаг (PIVOT SHAFT, Reverse lock lever)

нет в наличии, поставок нет
68 0305650

Шплинт (COTTER PIN)

нет в наличии, поставок нет
68 3852052

   (последний код) PIN,COTTER

нет в наличии, поставок нет
69 0303980

Рычаг, ручной locking Рычаг (ARM, Manual locking lever)

нет в наличии, поставок нет
70 0303949

Тяга, Блокировка задней передачи (ROD, Reverse lock)

нет в наличии, поставок нет
71 0329962

Рычаг, Блокировка задней передачи (LEVER, Reverse lock)

нет в наличии, поставок нет
71 0303948

   (последний код) LOCKING LEVER

нет в наличии, поставок нет
72 0551113

Пружина, Рулевая система friction adj. (SPRING, Steering friction adj.)

нет в наличии, поставок нет
73 0303979

Пружина блокировки задней передачи (SPRING, Reverse lock)

нет в наличии, поставок нет
74 0303950

Соединитель, Блокировка задней передачи (LINK, Reverse lock)

нет в наличии, поставок нет
75 0324445

Штифт, Shallow water drive (PIN, Shallow water drive)

нет в наличии, поставок нет
76 0324444

Соединитель, Shallow water drive (LINK, Shallow water drive)

нет в наличии, поставок нет
77 0303978

Тяга рычага блокировки реверса to Вал (LINK, Reverse lock arm to shaft)

нет в наличии, поставок нет
78 0317624

Винт, Кронштейн to pilot Вал (SCREW, Bracket to pilot shaft)

нет в наличии, поставок нет
79 0329648

PILOT Вал, Рулевая система brkt. (PILOT SHAFT, Steering brkt.)

нет в наличии, поставок нет
80 0300364

Соединитель, Conical, tilt Вал (LINK, Conical, tilt shaft)

нет в наличии, поставок нет
81 0301983

Шайба, Conical, tilt Вал (WASHER, Conical, tilt shaft)

нет в наличии, поставок нет
82 0328579

Рычаг, Sвышеport (LEVER, Support)

нет в наличии, поставок нет
83 0329498

SвышеPORT, Tilt lock brkt., stbd. (SUPPORT, Tilt lock brkt., stbd.)

нет в наличии, поставок нет
84 0329499

Пружина, Sвышеport Рычаг (SPRING, Support lever)

нет в наличии, поставок нет
85 0328895

SHOULDER Винт, Tilt lock (SHOULDER SCREW, Tilt lock)

нет в наличии, поставок нет
86 0329177

Соединитель, Tilt stop, port (LINK, Tilt stop, port)

нет в наличии, поставок нет
87 0325451

Гайка, Tilt Болт (NUT, Tilt bolt)

нет в наличии, поставок нет
87 3852177

   (последний код) NUT,LOCK

нет в наличии, поставок нет
88 0309335

Шайба (WASHER)

нет в наличии, поставок нет
89 0302051

Пружина наклона Вал (SPRING, Tilt shaft)

нет в наличии, поставок нет
90 0395188

Штифт ASSEMBLY, Tilt. Not Shown (PIN ASSEMBLY, Tilt. Not Shown)

нет в наличии, поставок нет
0432294 0432294

Винт & Гайка ASSEMBLY. Опции (SCREW & NUT ASSEMBLY. Optional)

нет в наличии, поставок нет
0432294 0313966

   (последний код) SCREW

нет в наличии, поставок нет
91 0334427

Винт, Stern brkt. to transom. Опции (SCREW, Stern brkt. to transom. Optional)

нет в наличии, поставок нет
91 0318512

   (последний код) SCREW

нет в наличии, поставок нет
92 0310702

Гайка. Опции (NUT. Optional)

нет в наличии, поставок нет
93 0315776

Шайба. Опции (WASHER. Optional)

нет в наличии, поставок нет
94 0211387

Наклейка, Удлинитель корпуса, Ev. (DECAL, Exhaust housing, Ev.)

нет в наличии, поставок нет
94 0211347

   (последний код) DECAL

нет в наличии, поставок нет
94 0332635

Наклейка, Удлинитель корпуса, Jo. (DECAL, Exhaust housing, Jo.)

нет в наличии, поставок нет
evinrude

Время выполнения запроса 1.425656080246 сек.


 
 

данный сайт носит информационный характер и не является публичной офертой

склад запчастей для водомоторной техники