Купить оригинальные запчасти на лодочный подвесной мотор Suzuki DF8AS/L; DF8ARS/L модель 2013 года - Румпель / Tiller handle
вконтакте

Контактный телефон: +7 (981) 121-46-93, +7 (800) 200-90-76 , Email: parts-katalog@yandex.ru, где купить

 
 

  Логин:

Пароль:

Регистрация

www.partskatalog.ru Все каталоги Запчасти Mercury Запчасти Suzuki Запчасти Tohatsu Запчасти Honda Контакты



УВАЖАЕМЫЕ КЛИЕНТЫ!
C 19 ДЕКАБРЯ 2025 ПО 02 МАРТА 2026 ГОДА ОТДЕЛ ЗАПЧАСТЕЙ И СЕРВИС РАБОТАТЬ НЕ БУДУТ
ПРОДАЖА ЛОДОЧНЫХ МОТОРОВ В ШТАТНОМ РЕЖИМЕ
ОБ ИЗМЕНЕНИЯХ В ГРАФИКЕ РАБОТЫ ЧИТАЙТЕ НА САЙТА



назад Раздел:   вперёд

Вернуться к выбору узлов мотора


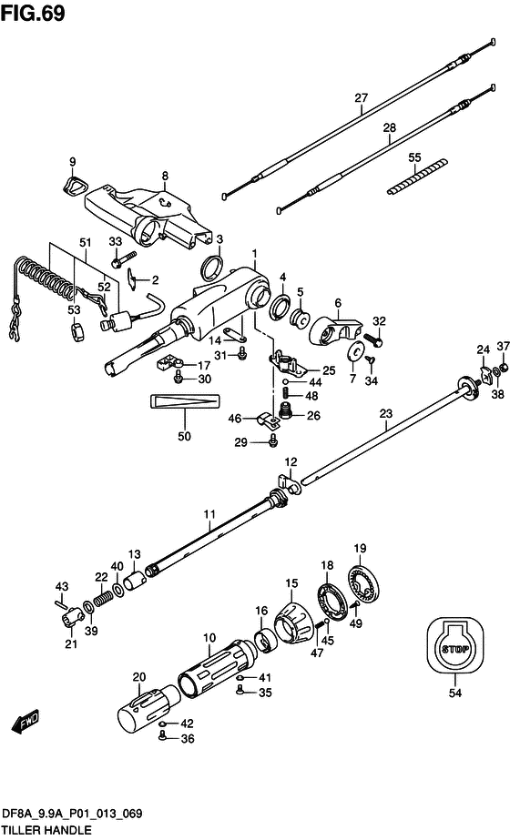
ДЕТАЛИРОВКА ДЛЯ МОДЕЛИ: SUZUKI DF8A/DF8AR FROM 00801F-310001~ (P01)

Румпель


Код модели двигателя: DF8AS/L; DF8ARS/L

Год выпуска двигателя: 2013

Регион: General Export No.1 ,Код региона: P01

Цвет: Shadow Black Metallic

Номер на
рисунке
АртикулНаименованиеQTYКол-во
на складе
Цена
163111-99J11-0EP

Ручка румпеля (чёрный) - Handle, Tiller (black) (Handle, tiller (black))

под заказ17960 руб.
263114-99J01-000

Пластина предупреждающего индикатора - Plate, Warning Indicator (Plate, warning indicator)

под заказ310 руб.
363115-99J00-000

Втулка ручки румпеля №2 - Bush, Tiller Handle No2 (Bush, tiller handle no.2)

под заказ450 руб.
463115-99J10-000

Втулка ручки румпеля №1 - Bush, Tiller Handle No1 (Bush, tiller handle no.1)

под заказ350 руб.
563116-99J00-000

Резинка румпеля Friction - Rubber, Tiller Handle Friction (Rubber, tiller handle friction)

под заказ410 руб.
663121-99J00-0EP

Крышка румпеля - Cover, Tiller Handle (Cover, tiller handle)

под заказ4560 руб.
763122-99J00-000

Защита, Handle Крышка - Protector, Handle Cover (Protector, handle cover)

под заказ330 руб.
863131-99J01-0EP

Кронштейн рукоятки румпеля (чёрный) - Bracket, Tiller Handle (black) (Bracket, tiller handle (black))

под заказ12240 руб.
863131-99J02-0EP

   (актуальный код замены) Кронштейн рукоятки румпеля - Bracket, Tiller Handle

под заказ12240 руб.
963133-89L00-000

Пыльник кронштейна рукоятки румпеля - Grommet, Tiller Handle Bracket (Grommet, tiller handle bracket)

под заказ460 руб.
1063210-99J00-000

Рукоятка румпеля Дроссель - Grip, Handle Throttle (Grip, handle throttle)

под заказ3340 руб.
1163221-99J00-000

Тяга румпеля Дроссель - Rod, Handle Throttle (Rod, handle throttle)

под заказ3480 руб.
1263225-99J00-000

Втулка, Handle Переключающая тяга - Bush, Handle Shift Rod (Bush, handle shift rod)

под заказ270 руб.
1363226-99J00-000

Втулка, Дроссель & Переключающая тяга - Bush, Throttle & Shift Rod (Bush, throttle & shift rod)

под заказ470 руб.
1463228-99J00-000

Держатель, Handle Тяга дросселя - Holder, Handle Throttle Rod (Holder, handle throttle rod)

под заказ440 руб.
1563244-99J00-000

Ручка регулировки дросселя - Knob, Throttle Adj (Knob, throttle adj)

под заказ790 руб.
1663245-99J00-000

Втулка регулировки дросселя - Bush, Throttle Adj (Bush, throttle adj)

под заказ410 руб.
1763246-99J00-000

Стопор, Дроссель Adjust - Stopper, Throttle Adjust (Stopper, throttle adj)

под заказ540 руб.
1863247-99J00-000

Пластина регулировки дросселя Ручка - Plate, Throttle Adj Knob (Plate, throttle adj knob)

под заказ430 руб.
1963248-99J00-000

Пластина регулировки дросселя Notch - Plate, Throttle Adj Notch (Plate, throttle adj notch)

под заказ440 руб.
2063340-99J00-000

Рукоятка румпеля Переключатель - Grip, Handle Shift (Grip, handle shift)

под заказ2860 руб.
2163344-99J00-000

Стопор, Handle Переключающая тяга - Stopper, Handle Shift Rod (Stopper, handle shift rod)

под заказ1140 руб.
2263345-99J00-000

Пружина, Handle Переключатель Рукоятка - Spring, Handle Shift Grip (Spring, handle shift grip)

под заказ190 руб.
2363350-99J00-000

Тяга румпеля Переключатель - Rod, Handle Shift (Rod, handle shift)

под заказ4040 руб.
2463353-99JL0-000

Пластина ручки Переключатель Notch - Plate, Handle Shift Notch (Plate, handle shift notch)

под заказ410 руб.
2563354-99J00-0EP

Держатель, Handle Переключатель Notch - Holder, Handle Shift Notch (Holder, handle shift notch)

под заказ8740 руб.
2663355-99J00-000

Болт, Handle Переключатель Notch Пружина - Bolt, Handle Shift Notch Spring (Bolt, handle shift notch spring)

под заказ2430 руб.
2763610-99J00-000

Тросик дросселя, в сборе - Cable Assy, Throttle (Cable assy, throttle)

1 шт1160 руб.
2863640-99J00-000

Кабели в сборе, Переключатель - Cable Assy, Shift (Cable assy, shift)

1 шт5620 руб.
2909116-06225-000

Болт (6x15) - Bolt (6x15) (Bolt, 6x15)

6 шт250 руб.
3009116-06225-000

Болт (6x15) - Bolt (6x15) (Bolt, 6x15)

6 шт250 руб.
3109116-06225-000

Болт (6x15) - Bolt (6x15) (Bolt, 6x15)

6 шт250 руб.
3209116-08122-000

Болт (8x30) - Bolt (8x30) (Bolt (8x30))

8 шт350 руб.
3309116-08155-000

Болт (8x45) - Bolt (8x45) (Bolt, 8x45)

под заказ440 руб.
3409125-05042-000

Винт (5x10) - Screw (5x10) (Screw # ) (Винт L)

под заказ150 руб.
3509126-06025-000

Винт (6x14) - Screw (6x14) (Винт, 6X14)

под заказ220 руб.
3609126-06025-000

Винт (6x14) - Screw (6x14) (Винт, 6X14)

под заказ220 руб.
3709140-08023-XC0

Гайка - Nut (Гайка)

14 шт190 руб.
3809160-08082-000

Шайба (8.5x16x1.2) - Washer (85x16x12) (Шайба)

13 шт120 руб.
3909160-10082-000

Шайба (10.5x19x2) - Washer (105x19x2) (Washer # ) (Gasket (10.5x19x2))

19 шт120 руб.
4009160-10114-000

Шайба (10.5x22x1.5) - Washer (105x22x15) (Washer (10.5x22x1.5) # ) (Шайба муфты)

под заказ220 руб.
4109163-06001-000

Шайба с блокировкой - Washer, Lock (Шайба)

13 шт120 руб.
4209163-06001-000

Шайба с блокировкой - Washer, Lock (Шайба)

13 шт120 руб.
4309202-04023-000

Штифт (4x22) - Pin (4x22) (Pin, 4x22)

под заказ90 руб.
4409260-10006-000

Шарик - Ball (Ball)

под заказ220 руб.
4509260-10006-000

Шарик - Ball (Ball)

под заказ220 руб.
4609403-13408-000

Струбцина - Clamp (Clamp)

под заказ490 руб.
4609403-13413-000

   (актуальный код замены) Струбцина - Clamp

под заказ490 руб.
4709440-06037-000

Пружина - Spring (Пружина)

под заказ60 руб.
4809440-07079-000

Пружина - Spring (Пружина)

под заказ70 руб.
4903522-05169-000

Винт - Screw (Болт)

под заказ60 руб.
5063215-93110-000

Маркировка ручки румпеля - Mark, Handle Grip (Mark, handle grip # ) (Маркировка ручки)

под заказ320 руб.
5137830-99J10-000

Переключатель, Emergency & Stop - Switch, Emergency & Stop (Switch, emergency & stop)

под заказ5960 руб.
5137830-99J11-000

   (актуальный код замены) Выключатель аварийной остановки двигателя - Switch Assy, Emergency & Stop

1 шт5960 руб.
5237823-97J00-000

Плата блокировки - Plate, Lock (Plate, lock)

2 шт2230 руб.
5337826-97J00-000

Гайка - Nut (Гайка)

под заказ200 руб.
5337826-97J01-000

   (актуальный код замены) Гайка аварийного выключателя - Nut, Emergency Switch

под заказ200 руб.
5437835-95D00-000

Наклейка СТОП - Label, Stop (Label, stop # ) (Наклейка)

под заказ130 руб.
5437835-91J00-YAY

   (актуальный код замены) Наклейка СТОП - Label, Stop

под заказ130 руб.
5533833-91J00-000

Трубка провода переключателя (l: 250) - Tube, Switch Lead (l:250) (Tube # ) (Труба)

под заказ610 руб.


Время выполнения запроса 6.3009920120239 сек.

 
 

данный сайт носит информационный характер и не является публичной офертой

склад запчастей для водомоторной техники