| |
 |
|
 |
Вернуться к выбору узлов мотора
ДЕТАЛИРОВКА ДЛЯ МОДЕЛИ: SUZUKI DF15A/DF15AR FROM 01504F-310001~ (P03 013)
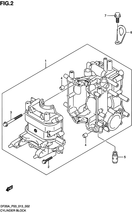
Блок цилиндра
Код модели двигателя: DF15AS/L; DF15ARS/L
Год выпуска двигателя: 2013
Регион: USA/General South East Asia ,Код региона: P03/P013
Цвет: Shadow Black Metallic
Номер на рисунке | Артикул | Наименование | QTY | Кол-во на складе | Цена |
| 1 | 11300-89L00-000 | Блок цилиндра в сборе - Block Assy, Cylinder | | под заказ | 155040 руб. |
| 1 | 11300-89L03-000 | (актуальный код замены) Блок цилиндра в сборе - Block Assy, Cylinder | | 2 шт | 155040 руб. |
| 1 | 11300-89L01-000 | Блок цилиндра в сборе - Block Assy, Cylinder (Block assy, cylinder) | | под заказ | 155040 руб. |
| 1 | 11300-89L03-000 | (актуальный код замены) Блок цилиндра в сборе - Block Assy, Cylinder | | 2 шт | 155040 руб. |
| 2 | 01550-06357-000 | Болт - Bolt (Bolt, throttle lever no.2 # ) (Bolt) | | 9 шт | 210 руб. |
| 3 | 01560-08757-000 | Болт - Bolt (Bolt) | | под заказ | 290 руб. |
| 4 | 04211-11129-000 | Штифт - Pin (Pin) | | 14 шт | 150 руб. |
| 5 | 16440-11D00-000 | Регулятор, Моторное масло (6.5k) - Regulator, Engine Oil (65k) (Regulator, engine oil # ) (Регулятор масла двигателя) | | под заказ | 3650 руб. |
| 6 | 11291-91B50-000 | Крюк двигателя - Hook, Engine (OPT # ) (Крюк двигателя) | | под заказ | 900 руб. |
| 7 | 01550-08207-000 | Болт - Bolt (OPT # ) (Bolt) | | 10 шт | 240 руб. |
Время выполнения запроса 2.2956421375275 сек. |
|