Купить оригинальные запчасти на лодочный подвесной мотор Suzuki DF15S/L; DF15RS/L модель 2008 года - Tiller handle
вконтакте

Контактный телефон: +7 (981) 121-46-93, +7 (800) 200-90-76 , Email: parts-katalog@yandex.ru, где купить

 
 

  Логин:

Пароль:

Регистрация

www.partskatalog.ru Все каталоги Запчасти Mercury Запчасти Suzuki Запчасти Tohatsu Запчасти Honda Контакты



УВАЖАЕМЫЕ КЛИЕНТЫ!
C 19 ДЕКАБРЯ 2025 ПО 02 МАРТА 2026 ГОДА ОТДЕЛ ЗАПЧАСТЕЙ И СЕРВИС РАБОТАТЬ НЕ БУДУТ
ПРОДАЖА ЛОДОЧНЫХ МОТОРОВ В ШТАТНОМ РЕЖИМЕ
ОБ ИЗМЕНЕНИЯХ В ГРАФИКЕ РАБОТЫ ЧИТАЙТЕ НА САЙТА



назад Раздел:   вперёд

Вернуться к выбору узлов мотора


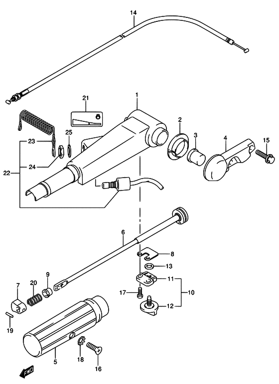
ДЕТАЛИРОВКА ДЛЯ МОДЕЛИ: SUZUKI DF15S K8

Румпель


Код модели двигателя: DF15S/L; DF15RS/L

Год выпуска двигателя: 2008

Цвет: Shadow Black Metallic

Номер на
рисунке
АртикулНаименованиеQTYКол-во
на складе
Цена
163111-94J01-0EP

Ручка румпеля (чёрный) - Handle, Tiller (black) (Рукоятка управления)

под заказ10610 руб.
163111-94J21-0EP

   (актуальный код замены) Ручка румпеля (чёрный) - Handle, Tiller (black)

2 шт10610 руб.
163111-94J20-0EP

Ручка румпеля (чёрный) - Handle, Tiller (black) (MODEL:10~ # ) (Рукоятка управления)

5 шт10610 руб.
163111-94J21-0EP

   (актуальный код замены) Ручка румпеля (чёрный) - Handle, Tiller (black)

2 шт10610 руб.
263115-94J00-000

Втулка ручки румпеля - Bush, Tiller Handle (Bush, tiller handle # ) (Втулка)

3 шт370 руб.
363116-94J00-000

Резинка румпеля Friction - Rubber, Tiller Handle Friction (Rubber, friction # ) (Rubber)

2 шт300 руб.
463121-94J00-0EP

Крышка румпеля - Cover, Tiller Handle

под заказ5480 руб.
463121-94J20-0EP

   (актуальный код замены) Крышка румпеля - Cover, Tiller Handle

1 шт5480 руб.
463121-94J20-0EP

Крышка румпеля - Cover, Tiller Handle (Cover, tiller handle)

1 шт5480 руб.
463121-94J20-0EP

Крышка румпеля - Cover, Tiller Handle (MODEL:10~ # ) (Cover, tiller handle)

1 шт5480 руб.
563210-93E30-000

Рукоятка румпеля - Grip, Handle (Grip, handle # ) (Рукоятка)

1 шт3390 руб.
663220-94J00-000

Тяга румпеля - Rod, Handle (Штанга ручки)

под заказ2420 руб.
663220-89L00-000

   (актуальный код замены) Тяга румпеля - Rod, Handle

3 шт2420 руб.
763223-89J00-000

Стопор тяги румпеля - Stopper, Handle Rod (Стопор рукоятки)

под заказ470 руб.
863225-94J00-000

Пластина ручки Тяга Регулятор - Plate, Handle Rod Adjuster (Плата регулятора)

под заказ190 руб.
963225-93200-000

Втулка тяги румпеля - Bush, Handle Rod (Bush, handle rod # ) (Втулка)

14 шт480 руб.
1063240-94J00-000

Регулировка румпеля (комплект) Тяга - Adjuster Set, Handle Rod

под заказ390 руб.
1063240-94J20-000

   (актуальный код замены) Регулировка румпеля (комплект) Тяга - Adjuster Set, Handle Rod

под заказ480 руб.
1063240-94J10-000

Регулировка румпеля (комплект) Тяга - Adjuster Set, Handle Rod (Adjuster set, handle rod)

под заказ390 руб.
1063240-94J20-000

   (актуальный код замены) Регулировка румпеля (комплект) Тяга - Adjuster Set, Handle Rod

под заказ480 руб.
1163241-98601-000

Опора тяги румпеля - Support, Handle Rod

под заказ330 руб.
1163241-986B0-000

   (актуальный код замены) Опора тяги румпеля - Support, Handle Rod

1 шт410 руб.
1163241-986B0-000

Опора тяги румпеля - Support, Handle Rod (Support, handle rod)

1 шт410 руб.
1263244-94J00-000

Ручка регулировки дросселя - Knob, Throttle Adj (Knob, adjuster # ) (Knob)

12 шт220 руб.
1309148-06008-000

Гайка - Nut (Nut, adjuster knob # ) (Гайка)

4 шт110 руб.
1463610-94J00-000

Тросик дросселя, в сборе - Cable Assy, Throttle (Cable assy, throttle # ) (Кабель дросселя)

3 шт990 руб.
1509116-08122-000

Болт (8x30) - Bolt (8x30) (Bolt (8x30))

8 шт350 руб.
1609126-06015-000

Винт (6x23) - Screw (6x23) (Screw # ) (Винт M6X23)

6 шт190 руб.
1709136-05041-000

Винт (5x20) - Screw (5x20) (Screw, rod adjuster # ) (Болт)

4 шт150 руб.
1809163-06001-000

Шайба с блокировкой - Washer, Lock (Шайба)

13 шт120 руб.
1909205-03038-000

Стопор пружины (3x14) - Pin, Spring (3x14) (Pin, rod # ) (Штифт)

9 шт120 руб.
2009440-12027-000

Пружина - Spring (Spring # ) (Пружина ручки)

12 шт170 руб.
2169714-94J00-000

Маркировка - запуск двигателя - Mark, Engine Start (Маркировка стартера)

под заказ40 руб.
2237830-94J02-000

Выключатель аварийной остановки двигателя - Switch Assy, Emergency & Stop

под заказ7920 руб.
2237830-94J04-000

   (актуальный код замены) Выключатель аварийной остановки двигателя - Switch Assy, Emergency & Stop

1 шт7920 руб.
2337823-92E01-000

Пластина блокировки аварийного выключателя - Plate Assy, Emergency Sw Lock (Plate)

под заказ2570 руб.
2337823-92E02-000

   (актуальный код замены) Пластина блокировки аварийного выключателя - Plate Assy, Emergency Sw Lock

3 шт2770 руб.
2437826-92E00-000

Гайка - Nut (Гайка)

под заказ740 руб.
2509160-12067-000

Шайба (12.5x23x1) - Washer (125x23x1) (Washer, emergency sw # ) (Шайба)

8 шт230 руб.


Время выполнения запроса 1.081876039505 сек.

 
 

данный сайт носит информационный характер и не является публичной офертой

склад запчастей для водомоторной техники