| |
 |
|
 |
Вернуться к выбору узлов мотора
ДЕТАЛИРОВКА ДЛЯ МОДЕЛИ: SUZUKI DF50ATL/DF50ATHL FROM 05003F-210001~ (E01)
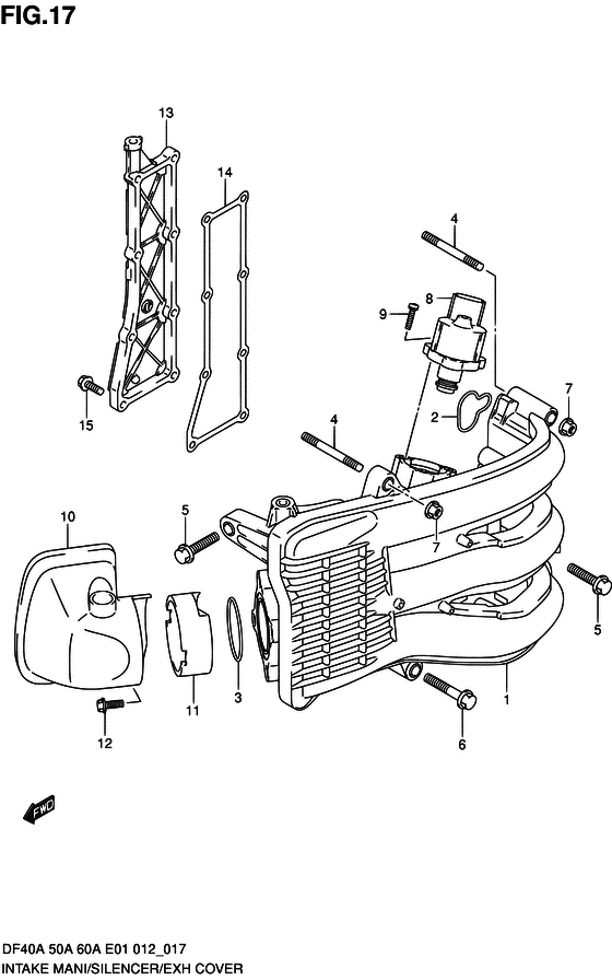
Впускной коллектор / Глушитель / Кожух выхлопной трубы
Код модели двигателя: DF50AQHS/L; DF50AT(H)S/L
Год выпуска двигателя: 2011
Регион: General Export No.1 ,Код региона: P01
Цвет: Shadow Black Metallic
Номер на рисунке | Артикул | Наименование | QTY | Кол-во на складе | Цена |
| 1 | 13110-88L00-000 | Впускной коллектор - Manifold, Intake (Manifold, intake) | | под заказ | 42960 руб. |
| 2 | 13119-88L00-000 | Прокладка впускного коллектора - Gasket, Intk Manf (Gasket, intake manifold) | | 18 шт | 1590 руб. |
| 3 | 13125-88L00-000 | Прокладка корпуса дросселя - Gasket, Throttle Body (Gasket, throttle body) | | 6 шт | 1370 руб. |
| 4 | 01421-08607-000 | Болт под шпильку - Bolt, Stud (Болт) | | под заказ | 430 руб. |
| 5 | 01550-08307-000 | Болт - Bolt (Bolt) | | 21 шт | 320 руб. |
| 6 | 01550-08407-000 | Болт - Bolt (Болт 8 X 40) | | под заказ | 260 руб. |
| 7 | 08316-10087-000 | Гайка - Nut (Nut (chrome)) | | 14 шт | 170 руб. |
| 8 | 18137-88L01-000 | Клапан холостого хода (IAC) - Valve, Iac (Valve comp, iac) | | 1 шт | 34320 руб. |
| 8 | 18137-88L02-000 | (актуальный код замены) Клапан холостого хода (IAC) - Valve, Iac | | 2 шт | 34320 руб. |
| 9 | 02112-34167-000 | Винт - Screw (Винт клапана) | | под заказ | 170 руб. |
| 10 | 13810-88L00-000 | Глушитель - Silencer (Глушитель) | | под заказ | 6050 руб. |
| 11 | 13813-88L00-000 | Держатель глушителя - Holder, Silencer (Holder, silencer) | | 1 шт | 930 руб. |
| 11 | 13813-88L01-000 | (актуальный код замены) Держатель пламегасителя - Holder, Arrester | | под заказ | 930 руб. |
| 11 | 13820-88L00-000 | Держатель глушителя - Holder, Silencer (FROM VIN.210787 FOR DF40A # ) (Holder, silencer) | | под заказ | 3840 руб. |
| 11 | 13820-88L10-000 | Держатель глушителя - Holder, Silencer (FROM VIN.211227 FOR DF50A # ) (Holder, silencer) | | под заказ | 3480 руб. |
| 11 | 13820-88L11-000 | (актуальный код замены) Держатель глушителя - Holder, Silencer | | под заказ | 3480 руб. |
| 12 | 01550-06127-000 | Болт - Bolt (Bolt, rect # ) (Bolt) | | 10 шт | 180 руб. |
| 13 | 14141-88L00-000 | Выхлопная крышка - Cover, Exhaust (Cover, exhaust) | | под заказ | нет сведений |
| 14 | 14151-88L00-000 | Прокладка выхлопной крышки - Gasket, Exh Cover (Gasket, exh cover) | | 4 шт | 930 руб. |
| 15 | 01550-06207-000 | Болт - Bolt (Bolt (chrome)) | | 17 шт | 220 руб. |
Время выполнения запроса 1.9931399822235 сек. |
|