Подобрать оригинальные запчасти на подвесной двигатель SUZUKI DF50AQHS/L; DF50AT(H)S/L модель 2011 года - Опции: приборы
вконтакте

Контактный телефон: +7 (981) 121-46-93, +7 (800) 200-90-76 , Email: parts-katalog@yandex.ru, где купить

 
 

  Логин:

Пароль:

Регистрация

www.partskatalog.ru Все каталоги Запчасти Mercury Запчасти Suzuki Запчасти Tohatsu Запчасти Honda Контакты



УВАЖАЕМЫЕ КЛИЕНТЫ!
C 19 ДЕКАБРЯ 2025 ПО 02 МАРТА 2026 ГОДА ОТДЕЛ ЗАПЧАСТЕЙ И СЕРВИС РАБОТАТЬ НЕ БУДУТ
ПРОДАЖА ЛОДОЧНЫХ МОТОРОВ В ШТАТНОМ РЕЖИМЕ
ОБ ИЗМЕНЕНИЯХ В ГРАФИКЕ РАБОТЫ ЧИТАЙТЕ НА САЙТА



назад Раздел:   вперёд

Вернуться к выбору узлов мотора


ДЕТАЛИРОВКА ДЛЯ МОДЕЛИ: SUZUKI DF50ATL/DF50ATHL FROM 05003F-210001~ (E01)

Опции: приборы


Код модели двигателя: DF50AQHS/L; DF50AT(H)S/L

Год выпуска двигателя: 2011

Регион: General Export No.1 ,Код региона: P01

Цвет: Shadow Black Metallic

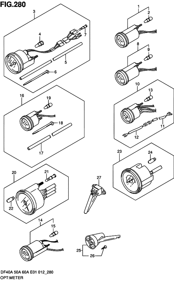
Номер на
рисунке
АртикулНаименованиеQTYКол-во
на складе
Цена
134800-93J00-000

Прибор - трим (чёрный) - Meter Assy, Trim (black) (BLACK # ) (Тримметр)

под заказ13110 руб.
134800-93J02-000

   (актуальный код замены) Прибор - трим (чёрный) - Meter Assy, Trim (black)

1 шт13110 руб.
134800-93J11-000

Прибор - трим W - Meter Assy, Trim W (WHITE # ) (Тримметр)

1 шт13110 руб.
134800-93J13-000

   (актуальный код замены) Прибор - трим W - Meter Assy, Trim W

3 шт15110 руб.
209471-12103-000

Лампочка (12v3w, T6.5) - Bulb (12v3w, T65) (Лампочка)

под заказ280 руб.
334100-93J00-000

Спидометр в сборе, 130 км/ч чёрный - Speedometer Assy, 130km/h Black (MAX 130KM/H BLACK # ) (Панель измерителей)

под заказ24000 руб.
334100-93J02-000

   (актуальный код замены) Спидометр в сборе, 130 км/ч чёрный - Speedometer Assy, 130km/h Black

под заказ24000 руб.
334100-93J11-000

Спидометр в сборе, 130 км/ч белый - Speedometer Assy, 130km/h White (MAX 130KM/H WHITE # ) (Панель измерителей)

под заказ24000 руб.
334100-93J13-000

   (актуальный код замены) Спидометр в сборе, 130 км/ч белый - Speedometer Assy, 130km/h White

под заказ24000 руб.
334100-93J20-000

Спидометр в сборе, 80 км/ч чёрный - Speedometer Assy, 80km/h Black (MAX 80KM/H BLACK # ) (Панель измерителей)

под заказ24000 руб.
334100-93J22-000

   (актуальный код замены) Спидометр в сборе, 80 км/ч чёрный - Speedometer Assy, 80km/h Black

под заказ24000 руб.
334100-93J31-000

Спидометр в сборе, 80 км/ч белый - Speedometer Assy, 80km/h White (MAX 80KM/H WHITE # ) (Панель измерителей)

под заказ24000 руб.
334100-93J33-000

   (актуальный код замены) Спидометр в сборе, 50mph белый - Speedometer Assy, 50mph White

под заказ24000 руб.
334100-93J40-000

Спидометр в сборе, мили/ч чёрный - Speedometer Assy, 45knots Black (MAX 45KNOTS BLACK # ) (Панель измерителей)

под заказ24000 руб.
334100-93J42-000

   (актуальный код замены) Спидометр в сборе, мили/ч чёрный - Speedometer Assy, 45knots Black

под заказ24000 руб.
334100-93J51-000

Спидометр в сборе, мили/ч белый - Speedometer Assy, 45knots White (MAX 45KNOTS WHITE # ) (Панель измерителей)

под заказ24000 руб.
334100-93J53-000

   (актуальный код замены) Спидометр в сборе, мили/ч белый - Speedometer Assy, 45knots White

под заказ24000 руб.
334100-93J60-000

Спидометр в сборе, 65 Knots W - Speedometer Assy, 65 Knots W (MAX 65KNOTS WHITE # ) (Панель измерителей)

под заказ24000 руб.
334100-93J62-000

   (актуальный код замены) Спидометр в сборе, 65knots белый - Speedometer Assy, 65knots White

под заказ24000 руб.
409471-12028-000

Лампочка (12v3.4w, T10) - Bulb (12v34w, T10) (Лампочка)

под заказ140 руб.
534191-92E00-000

Трубка - Tube (Трубка прессуры водной)

под заказ3150 руб.
609407-14407-000

Струбцина (l: 145) - Clamp (l:145) (Band # ) (Clamp (l:145))

9 шт230 руб.
736615-96300-000

Клемма - Terminal (Контакт)

под заказ120 руб.
834600-93J00-000

Прибор - вольтметр (чёрный) - Meter Assy, Voltage (black) (BLACK # ) (Вольтметр)

под заказ14980 руб.
834600-93J02-000

   (актуальный код замены) Прибор - вольтметр (чёрный) - Meter Assy, Voltage (black)

под заказ14980 руб.
834600-93J11-000

Прибор - вольтметр (белый) - Meter Assy, Voltage (white) (WHITE # ) (Вольтметр)

под заказ14980 руб.
834600-93J13-000

   (актуальный код замены) Прибор - вольтметр W - Meter Assy, Voltage W

1 шт14980 руб.
909471-12103-000

Лампочка (12v3w, T6.5) - Bulb (12v3w, T65) (Лампочка)

под заказ280 руб.
1034300-93J00-000

Прибор - измеритель уровня топлива (чёрный) - Gauge Assy, Fuel (black) (BLACK # ) (Датчик топлива)

2 шт30000 руб.
1034300-93J03-000

   (актуальный код замены) Прибор - измеритель уровня топлива - Gauge Assy, Fuel

под заказ24000 руб.
1034300-93J11-000

Прибор - измеритель уровня топлива (белый) - Gauge Assy, Fuel (white) (WHITE # ) (Датчик топлива)

под заказ24000 руб.
1034300-93J14-000

   (актуальный код замены) Прибор - измеритель уровня топлива - Gauge Assy, Fuel

под заказ24000 руб.
1134310-92E00-000

Lead в сборе, Fuel, Gauge - Lead Assy, Fuel, Gauge (Проводка датчика топлива)

под заказ8640 руб.
1234360-92E00-000

Adapter Comp, Fuel Gauge - Adapter Comp, Fuel Gauge (Adapter, fuel gauge # ) (Адаптер)

под заказ3870 руб.
1309471-12103-000

Лампочка (12v3w, T6.5) - Bulb (12v3w, T65) (Лампочка)

под заказ280 руб.
1434500-93J00-000

Прибор - счётчик мото-часов (чёрный) - Meter Assy, Hour (black) (BLACK # ) (Meter assy, hour)

под заказ21460 руб.
1434500-93J02-000

   (актуальный код замены) Прибор - счётчик мото-часов (чёрный) - Meter Assy, Hour (black)

под заказ21460 руб.
1434500-93J11-000

Прибор - счётчик мото-часов (белый) - Meter Assy, Hour (white) (WHITE # ) (Meter assy, hour)

под заказ21460 руб.
1434500-93J13-000

   (актуальный код замены) Прибор - счётчик мото-часов W - Meter Assy, Hour W

под заказ21460 руб.
1509471-12103-000

Лампочка (12v3w, T6.5) - Bulb (12v3w, T65) (Лампочка)

под заказ280 руб.
1634650-93J20-000

Прибор для измерения давления воды 15psi B - Gauge Assy, Water Press 15psi B (15PSI BLACK # ) (Датчик водной прессуры)

под заказ23380 руб.
1634650-93J22-000

   (актуальный код замены) Прибор для измерения давления воды 15psi B - Gauge Assy, Water Press 15psi B

под заказ23380 руб.
1634650-93J31-000

Прибор для измерения давления воды 15psi W - Gauge Assy, Water Press 15psi W (15PSI WHITE # ) (Датчик водной прессуры)

под заказ23380 руб.
1634650-93J33-000

   (актуальный код замены) Прибор для измерения давления воды 15psi W - Gauge Assy, Water Press 15psi W

под заказ23380 руб.
1734191-92E00-000

Трубка - Tube (Трубка прессуры водной)

под заказ3150 руб.
1809407-14407-000

Струбцина (l: 145) - Clamp (l:145) (Band # ) (Clamp (l:145))

9 шт230 руб.
1909471-12103-000

Лампочка (12v3w, T6.5) - Bulb (12v3w, T65) (Лампочка)

под заказ280 руб.
2034200-93J00-000

Тахометр с монитором в сборе, черный - Tachometer Assy, With Monitor B (BLACK # ) (Тахометр с монитором)

под заказ27600 руб.
2034200-93J02-000

   (актуальный код замены) Тахометр с монитором в сборе, черный - Tachometer Assy, With Monitor B

1 шт27600 руб.
2034200-93J11-000

Тахометр с монитором в сборе, белый - Tachometer Assy, With Monitor W (WHITE # )

под заказ27600 руб.
2034200-93J14-000

   (актуальный код замены) Тахометр с монитором в сборе, белый - Tachometer Assy, With Monitor W

3 шт29830 руб.
2034200-93J12-000

Тахометр с монитором в сборе, белый - Tachometer Assy, With Monitor W (TACHOMETER ASSY, WITH MONITOR W)

под заказ27600 руб.
2034200-93J14-000

   (актуальный код замены) Тахометр с монитором в сборе, белый - Tachometer Assy, With Monitor W

3 шт29830 руб.
2136615-96300-000

Клемма - Terminal (Контакт)

под заказ120 руб.
2209471-12077-000

Лампочка (12v1.7w, T10, Wb121) - Bulb (12v17w, T10, Wb121) (Bulb)

под заказ250 руб.
2334200-93J40-000

Тахометр с монитором в сборе, черный - Tachometer Assy, With Monitor B (BLACK # ) (Tachometer assy, with monitor (black))

под заказ27600 руб.
2334200-93J43-000

   (актуальный код замены) Тахометр с монитором в сборе, черный - Tachometer Assy, With Monitor B

под заказ27600 руб.
2334200-93J50-000

Тахометр с монитором в сборе, белый - Tachometer Assy, With Monitor W (WHITE # )

под заказ27600 руб.
2334200-93J54-000

   (актуальный код замены) Тахометр с монитором в сборе, белый - Tachometer Assy, With Monitor W

3 шт27600 руб.
2334200-93J51-000

Тахометр с монитором в сборе, белый - Tachometer Assy, With Monitor W (TACHOMETER ASSY, WITH MONITOR W)

под заказ27600 руб.
2334200-93J54-000

   (актуальный код замены) Тахометр с монитором в сборе, белый - Tachometer Assy, With Monitor W

3 шт27600 руб.
2409471-12077-000

Лампочка (12v1.7w, T10, Wb121) - Bulb (12v17w, T10, Wb121) (Bulb)

под заказ250 руб.
2534190-95500-000

Датчик спидометра - Sender, Speedometer (Сенсор спидометра)

под заказ8260 руб.
2603112-06303-000

Винт - Screw

под заказ240 руб.
2603112-0630B-000

   (актуальный код замены) Винт - Screw

под заказ240 руб.
2603112-0630B-000

Винт - Screw (SCREW)

под заказ240 руб.
2734190-87D00-000

Датчик спидометра - Sender, Speedometer (Sender, speedometer # ) (Сенсор спидометра)

под заказ5810 руб.


Время выполнения запроса 1.6602718830109 сек.

 
 

данный сайт носит информационный характер и не является публичной офертой

склад запчастей для водомоторной техники