Купить запчасти на подвесной двигатель Suzuki модель 2004 года - Remote control
вконтакте

Контактный телефон: +7 (981) 121-46-93, +7 (800) 200-90-76 , Email: parts-katalog@yandex.ru, где купить

 
 

  Логин:

Пароль:

Регистрация

www.partskatalog.ru Все каталоги Запчасти Mercury Запчасти Suzuki Запчасти Tohatsu Запчасти Honda Контакты



УВАЖАЕМЫЕ КЛИЕНТЫ!
C 19 ДЕКАБРЯ 2025 ПО 02 МАРТА 2026 ГОДА ОТДЕЛ ЗАПЧАСТЕЙ И СЕРВИС РАБОТАТЬ НЕ БУДУТ
ПРОДАЖА ЛОДОЧНЫХ МОТОРОВ В ШТАТНОМ РЕЖИМЕ
ОБ ИЗМЕНЕНИЯХ В ГРАФИКЕ РАБОТЫ ЧИТАЙТЕ НА САЙТА



назад Раздел:   вперёд

Вернуться к выбору узлов мотора


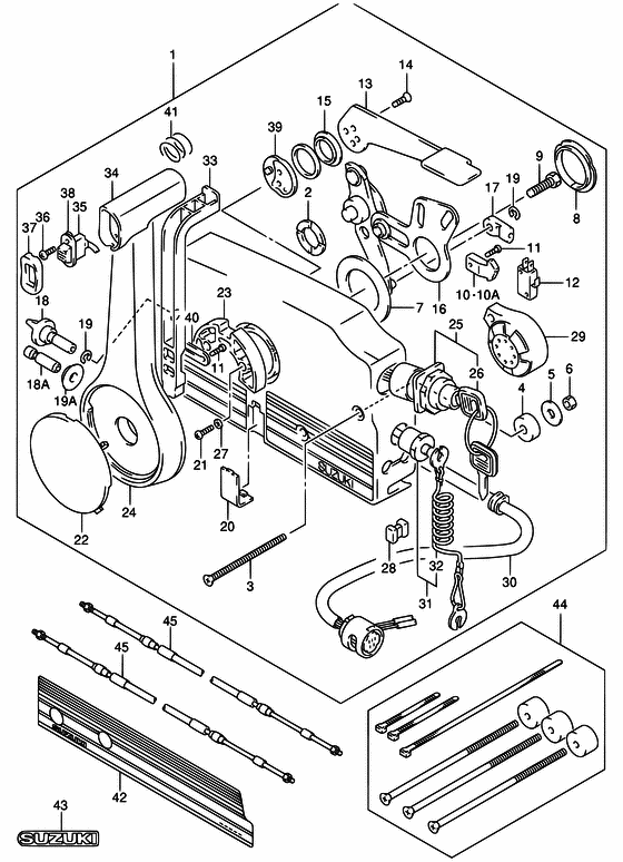
ДЕТАЛИРОВКА ДЛЯ МОДЕЛИ: SUZUKI DF70WTL K4

Дистанционное управление


Год выпуска двигателя: 2004

Номер на
рисунке
АртикулНаименованиеQTYКол-во
на складе
Цена
167200-99E11-0EP

Дистанционное управление в сборе - Remote Control Assy (->7200-99E30-0EP # )

под заказ0 руб.
167200-99E56-000

Дистанционное управление в сборе - Remote Control Assy (REMOTE CONTROL ASSY)

под заказ0 руб.
167200-99E71-000

   (актуальный код замены) Запчасть снята с производства - The Spare Part Is Laid Off

под заказ0 руб.
167200-99E30-0EP

Дистанционное управление в сборе - Remote Control Assy (MODEL:03 # )

под заказ0 руб.
267232-95600-000

Втулка - Bush (Втулка)

под заказ570 руб.
367296-95600-000

Винт - Screw (Болт)

под заказ570 руб.
467294-95600-000

Проставка - Spacer (Кольцо/шайба)

под заказ460 руб.
509160-06104-000

Шайба (6.5x24x2) - Washer (65x24x2) (Шайба)

под заказ220 руб.
609140-06020-000

Гайка - Nut (Гайка)

9 шт150 руб.
767253-95600-000

Шайба - Washer (Шайба)

под заказ460 руб.
867252-95600-000

Втулка - Bush (Втулка)

2 шт480 руб.
909100-08232-000

Болт (8x30) - Bolt (8x30) (Bolt)

6 шт350 руб.
1067214-95600-000

Зубчатый привод - Gear, Drive

под заказ4080 руб.
1067238-87D00-000

   (актуальный код замены) Зубчатый привод - Gear, Drive

1 шт4080 руб.
1067238-87D00-000

Зубчатый привод - Gear, Drive (Ведущая шестерня)

1 шт4080 руб.
1067238-87D00-000

Зубчатый привод - Gear, Drive (Ведущая шестерня)

1 шт4080 руб.
1167296-94300-000

Винт (4x10) - Screw (4x10) (Винт)

под заказ120 руб.
1237721-94600-000

Выключатель нейтрали, в сборе - Switch Assy, Neutral

под заказ3650 руб.
1237721-94601-000

   (актуальный код замены) Выключатель нейтрали, в сборе - Switch Assy, Neutral

1 шт4380 руб.
1237721-94601-000

Выключатель нейтрали, в сборе - Switch Assy, Neutral (Switch assy, neutral)

1 шт4380 руб.
1367241-99E00-000

Рычаг освобождения дросселя (чёрный) - Lever, Free Throttle (black) (Lever, free throttle # ) (Рукоятка дросселя)

под заказ0 руб.
1409126-05003-000

Винт (5x12) - Screw (5x12) (Болт)

под заказ160 руб.
1567243-95600-000

Втулка, Remo-con - Bush, Remo-con (Втулка)

2 шт390 руб.
1667220-95630-000

Пластина в сборе - Plate Assy (Плата 15C)

под заказ8400 руб.
1767275-95600-000

Наконечник кабеля - End, Cable (Наконечник кабеля)

36 шт810 руб.
1867223-95600-000

Ручка регулировки тормоза - Knob, Brake Adjust (FOR 67200-99E11-0EP # ) (Рукоятка тормоза)

под заказ1670 руб.
1867223-99E00-000

Ручка регулировки тормоза - Knob, Brake Adjust (FOR 67200-99E30-0EP # ) (Рукоятка тормоза)

под заказ5480 руб.
1967292-94300-000

Уплотнительное кольцо дистанционного управления - E Ring, Remo-con (FOR 67200-99E11-0EP # ) (E ring)

25 шт120 руб.
1909308-08001-000

Пыльник - Grommet (Grommet # FOR 67200-99E30-0EP # ) (Втулка)

под заказ200 руб.
2067267-95610-000

Крышка проводов - Cover, Wire (Cover, wire (black) # ) (Крышка проводки)

под заказ580 руб.
2167296-95610-000

Винт - Screw (Болт)

2 шт280 руб.
2267257-95610-000

Крышка рычага - Cap, Lever (Крышка рукоятки)

под заказ680 руб.
2367256-95600-000

Держатель блокировки нейтрали - Holder, Neutral Lock (Holder, neut lock # ) (Holder)

2 шт1140 руб.
2467251-99E00-000

Рычаг блокировки - Lever, Handle (Рукоятка)

под заказ9510 руб.
2537110-92E02-000

Выключатель зажигания - Switch Assy, Ignition (<-7110-92E01 # )

под заказ8980 руб.
2537110-99E02-000

   (актуальный код замены) Выключатель зажигания - Switch Assy, Ignition

4 шт8980 руб.
25MP51010

   (не оригинальный аналог) Замок зажигания Suzuki MP51010

под заказ9530 руб.
25SC-SN008

   (не оригинальный аналог) Замок зажигания Suzuki SC-SN008

под заказ4260 руб.
2537110-99E01-000

Выключатель зажигания - Switch Assy, Ignition (Switch assy, ignition)

1 шт8980 руб.
2537110-99E02-000

   (актуальный код замены) Выключатель зажигания - Switch Assy, Ignition

4 шт8980 руб.
25MP51010

   (не оригинальный аналог) Замок зажигания Suzuki MP51010

под заказ9530 руб.
2637141-92E00-000

Ключ (11) - Key (11) (Ключ (11))

под заказ1820 руб.
2637141-92E10-000

Ключ (12) - Key (12) (Ключ (12))

1 шт1820 руб.
2637141-92E20-000

Ключ (13) - Key (13) (Ключ (13))

под заказ1820 руб.
2637141-92E30-000

Ключ (14) - Key (14) (Ключ (14))

под заказ1820 руб.
2637141-92E40-000

Ключ (15) - Key (15) (Ключ (15))

под заказ1820 руб.
2637141-92E50-000

Ключ (16) - Key (16) (Ключ (16))

под заказ1820 руб.
2637141-92E60-000

Ключ (17) - Key (17) (Ключ (17))

под заказ1820 руб.
2637141-92E70-000

Ключ (18) - Key (18) (Ключ (18))

под заказ1820 руб.
2637141-92E80-000

Ключ (19) - Key (19) (Ключ (19))

под заказ1820 руб.
2637141-92E90-000

Ключ (20) - Key (20) (Ключ (20))

под заказ1820 руб.
2767297-95600-000

Шайба - Washer (Шайба)

под заказ280 руб.
2867273-95600-000

Проставка - Spacer (Кольцо/шайба)

под заказ460 руб.
2867273-95601-000

   (актуальный код замены) Проставка - Spacer

3 шт630 руб.
2938500-92E10-000

Предупреждающий зуммер - Buzzer, Warning (FOR 67200-99E30-0EP # ) (Сигнал предупреждающий)

под заказ9800 руб.
2938500-92X50-000

Предупреждающий зуммер - Buzzer Set, Warning (FOR 67200-99E11-0EP # ) (Сигнал предупреждающий)

под заказ10280 руб.
2938500-92X52-000

   (актуальный код замены) Предупреждающий зуммер - Buzzer Set, Warning

под заказ10280 руб.
3036620-92E00-000

Удлинитель провода дистанционного управления (l: 6360) - Wire Assy, Remocon Ext (l:6360) (Wiring harness 9 wires # FOR 67200-99E10-0EP # ) (Проводка дистанционного упраления)

под заказ28560 руб.
3036620-92E10-000

Удлинитель провода дистанционного управления (l: 5050) - Wire Assy, Remocon Ext (l:5050) (FOR 67200-99E11-0EP 67200-99E30-0EP # ) (Жгут проводов)

под заказ26400 руб.
3137820-92E00-000

Аварийный выключатель, в сборе - Switch Assy, Emergency

под заказ4710 руб.
3137820-92E05-000

   (актуальный код замены) Аварийный выключатель, в сборе - Switch Assy, Emergency

1 шт4710 руб.
3137820-92E04-000

Аварийный выключатель, в сборе - Switch Assy, Emergency (SWITCH ASSY, EMERGENCY)

под заказ4710 руб.
3137820-92E05-000

   (актуальный код замены) Аварийный выключатель, в сборе - Switch Assy, Emergency

1 шт4710 руб.
3237823-92E00-000

Пластина блокировки аварийного выключателя - Plate Assy, Emergency Sw Lock

под заказ2570 руб.
3237823-92E02-000

   (актуальный код замены) Пластина блокировки аварийного выключателя - Plate Assy, Emergency Sw Lock

3 шт2770 руб.
3237823-92E01-000

Пластина блокировки аварийного выключателя - Plate Assy, Emergency Sw Lock (Plate)

под заказ2570 руб.
3237823-92E02-000

   (актуальный код замены) Пластина блокировки аварийного выключателя - Plate Assy, Emergency Sw Lock

3 шт2770 руб.
3367255-95600-000

Рукоятка блокировки нейтрали - Arm, Neutral Lock (Arm, neutral lock # ) (Рычаг блокоровки)

под заказ1870 руб.
3467261-95600-000

Рукоятка - Grip (Grip)

под заказ1870 руб.
3537860-94610-000

Переключатель, Trim - Switch, Trim (Переключатель)

под заказ9080 руб.
3609139-02003-000

Винт (2x6) - Screw (2x6) (Болт)

под заказ120 руб.
3767263-95600-000

Колпачок рукоятки - Cap, Grip (Крышка зажима)

под заказ750 руб.
3837869-95590-000

Колпачок, Переключатель трима - Cap, Trim Switch (Cap, trim switch # ) (Крышка перключателя)

под заказ1160 руб.
3967245-95600-000

Барабан освобождения дросселя - Drum, Free Throttle (Drum assy, free throttle # ) (Цилиндр дросселя)

под заказ2480 руб.
4067258-87D00-000

Кронштейн, Neutral Рычаг - Bracket, Neutral Arm (Bracket, neutral arm # ) (Кронштейн нейтральный)

под заказ630 руб.
4167259-87D00-000

Пружина рычага нетрали - Spring, Neutral Arm (Spring, neutral arm # ) (Пружина переключателя)

6 шт550 руб.
4267282-95610-000

Запчасть снята с производства - The Spare Part Is Laid Off (OPT # )

под заказ0 руб.
4368165-16B00-13L

Эмблема, Suzuki - Emblem, Suzuki (Emblem, suzuki (silver) # OPT # ) (Emblem)

под заказ600 руб.
4368165-16B01-13L

   (актуальный код замены) Эмблема, Suzuk - Emblem, Suzuk

1 шт600 руб.
4467140-95600-000

Двойной комплект навесного оборудования Remocon - Attachment Kit, Twin Remocon (Attachment, twin remocon kit # OPT # ) (Фиксация)

под заказ4300 руб.
4467140-95601-000

   (актуальный код замены) Двойной комплект навесного оборудования Remocon - Attachment Kit, Twin Remocon

под заказ4300 руб.
4567320-89J11-000

Тросик дистанционного управления (8f: 2.4m) - Cable Assy, Remocon (8f:24m) (OPT # )

под заказ5760 руб.
4567320-93J00-000

   (актуальный код замены) Тросик дистанционного управления (8f: 2.4m) - Cable Assy, Remocon (8f:2.4m)

под заказ5760 руб.
4567320-93J00-000

Тросик дистанционного управления (8f: 2.4m) - Cable Assy, Remocon (8f:24m) (Кабель дистанционный 8F (2.4M))

под заказ5760 руб.
4567320-89J21-000

Тросик дистанционного управления (10f: 3.1m) - Cable Assy, Remocon (10f:31m) (OPT # )

под заказ6340 руб.
4567320-93J10-000

   (актуальный код замены) Тросик дистанционного управления (10f: 3.1m) - Cable Assy, Remocon (10f:3.1m)

под заказ6340 руб.
4567320-93J10-000

Тросик дистанционного управления (10f: 3.1m) - Cable Assy, Remocon (10f:31m) (Кабель дистанционный 10F (3.1M))

под заказ6340 руб.
4567320-89J31-000

Тросик дистанционного управления (12f: 3.7m) - Cable Assy, Remocon (12f:37m) (OPT # )

под заказ6920 руб.
4567320-93J20-000

   (актуальный код замены) Тросик дистанционного управления (12f: 3.7m) - Cable Assy, Remocon (12f:3.7m)

под заказ6920 руб.
4567320-93J20-000

Тросик дистанционного управления (12f: 3.7m) - Cable Assy, Remocon (12f:37m) (Кабель дистанционный 12F (3.7M))

под заказ6920 руб.
4567320-89J41-000

Тросик дистанционного управления (14f: 4.2m) - Cable Assy, Remocon (14f:42m) (OPT # )

под заказ7490 руб.
4567320-93J30-000

   (актуальный код замены) Тросик дистанционного управления (14f: 4.2m) - Cable Assy, Remocon (14f:4.2m)

3 шт7490 руб.
4567320-93J30-000

Тросик дистанционного управления (14f: 4.2m) - Cable Assy, Remocon (14f:42m) (Кабель дистанционный 14F (4.3M))

3 шт7490 руб.
4567320-89J51-000

Тросик дистанционного управления (16f: 4.8m) - Cable Assy, Remocon (16f:48m) (OPT # )

под заказ8020 руб.
4567320-93J40-000

   (актуальный код замены) Тросик дистанционного управления (16f: 4.8m) - Cable Assy, Remocon (16f:4.8m)

под заказ8020 руб.
4567320-93J40-000

Тросик дистанционного управления (16f: 4.8m) - Cable Assy, Remocon (16f:48m) (Кабель дистанционный 16F (4.9M))

под заказ8020 руб.
4567320-89J61-000

Тросик дистанционного управления (18f: 5.4m) - Cable Assy, Remocon (18f:54m) (OPT # )

под заказ8600 руб.
4567320-93J50-000

   (актуальный код замены) Тросик дистанционного управления (18f: 5.4m) - Cable Assy, Remocon (18f:5.4m)

под заказ8600 руб.
4567320-93J50-000

Тросик дистанционного управления (18f: 5.4m) - Cable Assy, Remocon (18f:54m) (Кабель дистанционный 18F (5.5M))

под заказ8600 руб.
4567320-89J71-000

Тросик дистанционного управления (20f: 6.1m) - Cable Assy, Remocon (20f:61m) (OPT # )

под заказ9170 руб.
4567320-93J60-000

   (актуальный код замены) Тросик дистанционного управления (20f: 6.1m) - Cable Assy, Remocon (20f:6.1m)

под заказ9170 руб.
4567320-93J60-000

Тросик дистанционного управления (20f: 6.1m) - Cable Assy, Remocon (20f:61m) (Кабель дистанционный 20F (6.1M))

под заказ9170 руб.
4567320-89J81-000

Тросик дистанционного управления (22f: 6.7m) - Cable Assy, Remocon (22f:67m) (OPT # )

под заказ9750 руб.
4567320-93J70-000

   (актуальный код замены) Тросик дистанционного управления (22f: 6.7m) - Cable Assy, Remocon (22f:6.7m)

под заказ9750 руб.
4567320-93J70-000

Тросик дистанционного управления (22f: 6.7m) - Cable Assy, Remocon (22f:67m) (Кабель дистанционный 22F (6.7M))

под заказ9750 руб.
4567320-89J90-000

Тросик дистанционного управления (24f: 7.3m) - Cable Assy, Remocon (24f:73m) (OPT # )

под заказ10320 руб.
4567320-93J80-000

   (актуальный код замены) Тросик дистанционного управления (24f: 7.3m) - Cable Assy, Remocon (24f:7.3m)

под заказ10320 руб.
4567320-93J80-000

Тросик дистанционного управления (24f: 7.3m) - Cable Assy, Remocon (24f:73m) (Кабель дистанционный 24F (7.3M))

под заказ10320 руб.


Время выполнения запроса 3.1451559066772 сек.

 
 

данный сайт носит информационный характер и не является публичной офертой

склад запчастей для водомоторной техники