| |
 |
|
 |
Вернуться к выбору узлов мотора
ДЕТАЛИРОВКА ДЛЯ МОДЕЛИ: SUZUKI DF90AT/DF90ATH FROM 09003F-210001~ (E01,E40)
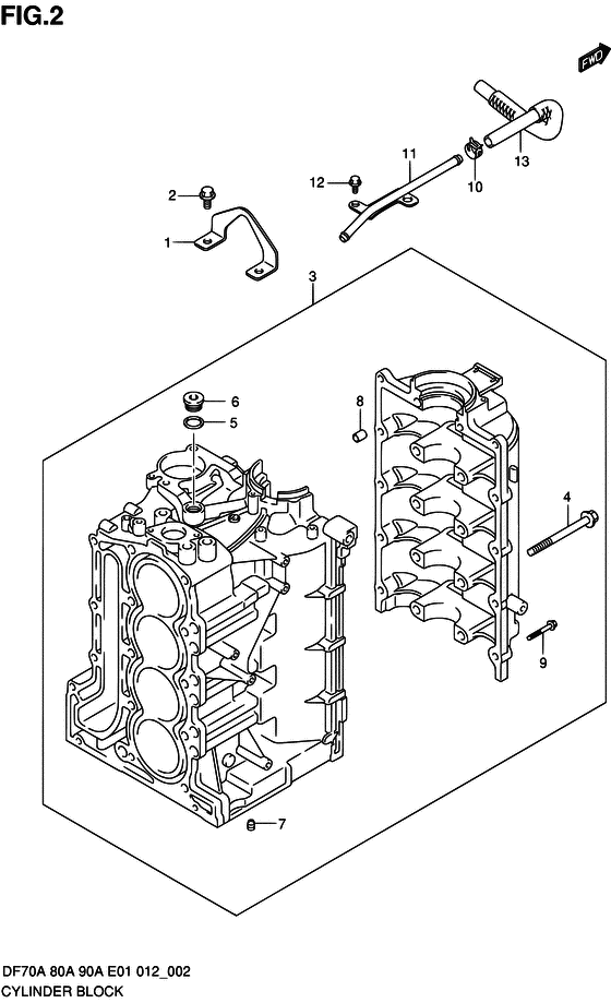
Блок цилиндра
Код модели двигателя: DF90AT(H)L/X
Год выпуска двигателя: 2012
Регион: General Export No.1/Costa Rica ,Код региона: P01/P40
Цвет: Shadow Black Metallic
Номер на рисунке | Артикул | Наименование | QTY | Кол-во на складе | Цена |
| 1 | 11291-87L00-000 | Крюк двигателя - Hook, Engine (Скоба двигателя) | | под заказ | 1460 руб. |
| 2 | 01550-08207-000 | Болт - Bolt (Bolt) | | 10 шт | 240 руб. |
| 3 | 11300-87L00-000 | Блок цилиндра в сборе - Block Assy, Cylinder | | под заказ | 273600 руб. |
| 3 | 11300-87L11-000 | (актуальный код замены) Блок цилиндра в сборе - Block Assy, Cylinder | | под заказ | 273600 руб. |
| 3 | 11300-87L10-000 | Блок цилиндра в сборе - Block Assy, Cylinder (BLOCK ASSY, CYLINDER) | | под заказ | 273600 руб. |
| 3 | 11300-87L11-000 | (актуальный код замены) Блок цилиндра в сборе - Block Assy, Cylinder | | под заказ | 273600 руб. |
| 4 | 11117-90J10-000 | Болт картера двигателя - Bolt, Crankcase (Bolt, crankcase) | | 1 шт | 640 руб. |
| 5 | 11216-77E00-000 | Прокладка, M18 Заглушка - Gasket, M18 Plug (Прокладка) | | под заказ | 280 руб. |
| 6 | 09248-18011-000 | Заглушка, M18 - Plug, M18 (Plug, oil gallery # ) (Plug) | | под заказ | 460 руб. |
| 7 | 11118-98J01-000 | Заглушка - Plug (Plug) | | под заказ | 330 руб. |
| 7 | 11118-98J02-000 | (актуальный код замены) Заглушка - Plug | | под заказ | 330 руб. |
| 8 | 09206-13019-000 | Штифт (10.4x13x16) - Pin (104x13x16) (Стопор) | | под заказ | 180 руб. |
| 9 | 01550-08407-000 | Болт - Bolt (Болт 8 X 40) | | под заказ | 260 руб. |
| 10 | 09401-15414-000 | Зажим - Clip (Зажим шланга) | | под заказ | 170 руб. |
| 11 | 11223-87L00-000 | Трубка сапуна - Pipe, Breather (Трубка сапуна) | | под заказ | 2860 руб. |
| 12 | 01550-06127-000 | Болт - Bolt (Bolt, rect # ) (Bolt) | | 10 шт | 180 руб. |
| 13 | 11224-87L00-000 | Шланг сапуна №2 - Hose, Breather No2 (Hose, breather no.2) | | под заказ | 840 руб. |
Время выполнения запроса 1.0351891517639 сек. |
|