| |
 |
|
 |
Вернуться к выбору узлов мотора
ДЕТАЛИРОВКА ДЛЯ МОДЕЛИ: SUZUKI DF115AT FROM 11503F-410001~
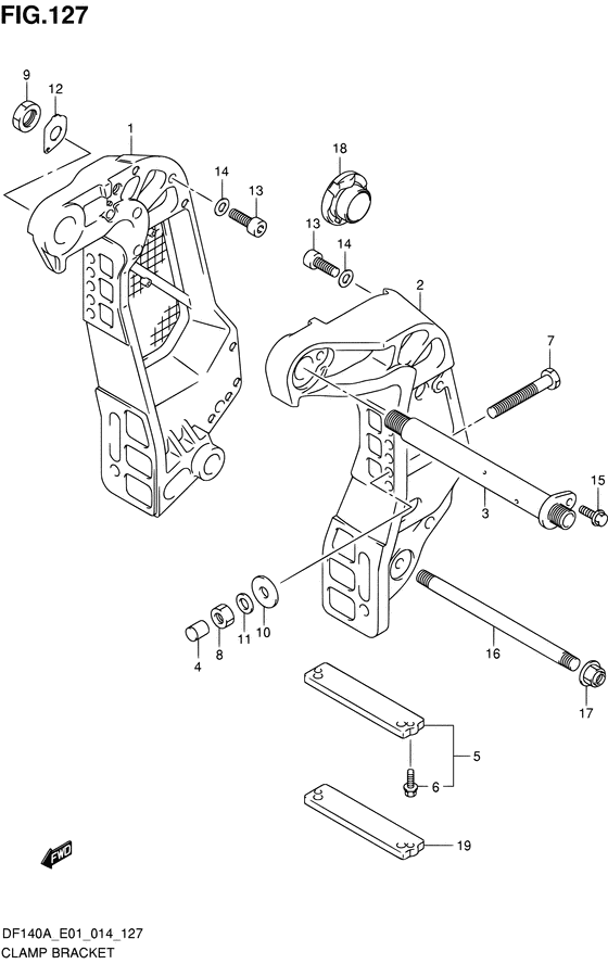
Кронштейн транца
Код модели двигателя: DF115A(Z)TL/X;
Год выпуска двигателя: 2014
Цвет: Shadow Black Metallic
Номер на рисунке | Артикул | Наименование | QTY | Кол-во на складе | Цена |
| 1 | 41111-90J13-0EP | Кронштейн правого зажима - Bracket, Clamp Stbd (Bracket, clamp stbd) | | под заказ | 53280 руб. |
| 2 | 41121-90J20-0EP | Кронштейн левого зажима - Bracket, Clamp Port (Bracket, clamp port) | | под заказ | 53280 руб. |
| 2 | 41121-90J21-0EP | (актуальный код замены) Кронштейн левого зажима - Bracket, Clamp Port | | под заказ | 53280 руб. |
| 3 | 41130-92J30-000 | Труба кронштейна транца - Shaft, Clamp Bracket (Shaft, clamp bracket) | | под заказ | 17040 руб. |
| 4 | 41153-94500-000 | Колпачок транцевого болта - Cap, Transom Bolt (Крышка) | | 2 шт | 370 руб. |
| 5 | 55320-94900-000 | Анод кронштейна транца - Anode Set, Clamp Bracket (Zinc, protection # ) (Комплект анодов) | | 13 шт | 4950 руб. |
| 6 | 09116-06121-000 | Болт (6x25) - Bolt (6x25) (Bolt (6x25) # ) (Bolt) | | 19 шт | 260 руб. |
| 7 | 09100-12090-000 | Болт (12x150) - Bolt (12x150) (OPT # ) (Bolt (12x150, pitch:1.25)) | | 14 шт | 2480 руб. |
| 7 | 09100-12091-000 | Болт (12x115) - Bolt (12x115) (Bolt (12x115, pitch:1.25)) | | 21 шт | 1530 руб. |
| 8 | 09159-12014-000 | Гайка - Nut (Гайка) | | 18 шт | 370 руб. |
| 9 | 09159-22006-000 | Гайка - Nut (Гайка) | | 8 шт | 1950 руб. |
| 10 | 09160-12044-000 | Шайба (12.5x35x3.2) - Washer (125x35x32) (Washer (12.5x35x3.2) # ) (Шайба) | | 12 шт | 260 руб. |
| 11 | 09160-12110-000 | Шайба (12.5x22x3) - Washer (125x22x3) (Шайба) | | 6 шт | 370 руб. |
| 12 | 41135-92J00-000 | Шайба кронштейна вала транца - Washer, Clamp Bracket Shaft (Шайба вала) | | под заказ | 610 руб. |
| 13 | 09106-10065-000 | Болт (10x20) - Bolt (10x20) (Bolt) | | под заказ | 430 руб. |
| 14 | 09160-10082-000 | Шайба (10.5x19x2) - Washer (105x19x2) (Washer # ) (Gasket (10.5x19x2)) | | 19 шт | 120 руб. |
| 15 | 09116-08137-000 | Болт (8x22) - Bolt (8x22) (Bolt (8x22) # ) (Болт (8X22)) | | 10 шт | 690 руб. |
| 16 | 45421-90J00-000 | Штифт блокировки наклона - Pin, Tilt Lock (OPT # ) (Штифт гидроподъемника) | | под заказ | 3820 руб. |
| 17 | 09159-14020-000 | Гайка - Nut (OPT # ) (Гайка 14MM) | | под заказ | 350 руб. |
| 18 | 48140-93J01-000 | Кулачок переключателя ограничителя наклона - Cam Assy, Tilt Limit Switch (OPT # ) (Cam assy, tilt limit switch) | | 2 шт | 1330 руб. |
| 19 | 55321-94910-000 | Анод (магниевый) - Anode (magnesium) (OPT # ) (Анод) | | 13 шт | 5910 руб. |
Время выполнения запроса 1.6673710346222 сек. |
|