| |
 |
|
 |
Вернуться к выбору узлов мотора
ДЕТАЛИРОВКА ДЛЯ МОДЕЛИ: SUZUKI DF115WTK7(E1) K7
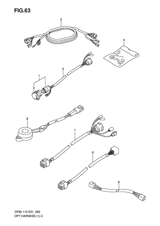
Жгут проводов
Код модели двигателя: DF115TL/X; DF115WTL/X
Год выпуска двигателя: 2007
Регион: General Export No.1 ,Код региона: P01
Цвет: Shadow Black Metallic
Номер на рисунке | Артикул | Наименование | QTY | Кол-во на складе | Цена |
| 1 | 36620-87D20-000 | Удлинитель кабеля дистанционного управления (l: 5000) - Wire, Remocon Extension (l:5000) (Wiring harness, extension # Harness assy, extension (l); L:5000 model:01~04 # ) (Проводка) | | под заказ | 17480 руб. |
| 1 | 36620-95302-000 | Удлинитель кабеля дистанционного управления (l: 2000) - Wire, Remocon Extension (l:2000) (Wiring harness, extension # Harness assy, extension (s); L:2000 model:01~04 # ) (Проводка удляняющая) | | под заказ | 12630 руб. |
| 2 | 36631-94300-000 | Колпачок на дистанционное управление Жгут проводов - Cap, Remote Control Harness (Крышка) | | под заказ | 390 руб. |
| 3 | 36660-94400-000 | Удлинитель провода датчиков (l: 6500) - Wire, Sender Ext (l:6500) (Wire, sender ext l # Wire, sender extension (l); L:6500 model:01~04 # ) (Проводка индикатора) | | под заказ | 0 руб. |
| 3 | 36660-94480-000 | Удлинитель провода датчиков (l: 2000) - Wire, Sender Ext (l:2000) (Wire, sender ext s # Wire, sender extension (s); L:2000 model:01~04 # ) (Проводка) | | под заказ | 7490 руб. |
| 4 | 36990-87D00-000 | Клемма / Гильза Set - Terminal / Sleeve Set (Terminal & sleeve set # Terminal & sleeve set; # ) (Стержень и гильза) | | 1 шт | 1720 руб. |
| 5 | 36620-92E00-000 | Удлинитель провода дистанционного управления (l: 6360) - Wire Assy, Remocon Ext (l:6360) (Wiring harness 9 wires # Wire, remocon ext; Model:01~04 # ) (Проводка дистанционного упраления) | | под заказ | 28560 руб. |
| 6 | 36620-93J10-000 | Удлинитель провода дистанционного управления (l: 2000) - Wire Assy, Remocon Ext (l:2000) (L:2000 model:05~ # ) (Проводка дистанционного упраления) | | под заказ | 12390 руб. |
| 6 | 36620-93J12-000 | (актуальный код замены) Удлинитель провода дистанционного управления (l: 2000) - Wire Assy, Remocon Ext (l:2000) | | под заказ | 13480 руб. |
| 6 | 36620-93J40-000 | Удлинитель провода дистанционного управления (l: 3000) - Wire Assy, Remocon Ext (l:3000) (L:3000 model:05~ # ) (Проводка дистанционного упраления) | | под заказ | 15030 руб. |
| 6 | 36620-93J42-000 | (актуальный код замены) Удлинитель провода дистанционного управления - Wire Assy, Remote Control Ext | | под заказ | 15030 руб. |
| 7 | 36620-93J20-000 | Провод дистанционного управления с адаптером №1 - Wire Assy, R/con Adapter No1 (L:2000 model:04 # ) (Проводка дистанционного упраления) | | под заказ | 19160 руб. |
| 7 | 36620-93J22-000 | (актуальный код замены) Провод дистанционного управления с адаптером №1 - Wire Assy, R/con Adapter No.1 | | под заказ | 19160 руб. |
| 7 | 36620-93J30-000 | Кабель дистанционного управления (l: 2000) - Wire Assy, Remocon (l:2000) (L:2000 model:05~ # ) (Проводка дистанционного упраления) | | под заказ | 13010 руб. |
| 7 | 36620-93J32-000 | (актуальный код замены) Кабель дистанционного управления (l: 2000) - Wire Assy, Remocon (l:2000) | | под заказ | 13010 руб. |
| 8 | 38500-93J00-000 | Предупреждающий зуммер, в сборе - Buzzer Assy, Warning (Buzzer assy, warning # Buzzer assy, warning; Model:05~ # ) (Звуковой бузер) | | под заказ | 3890 руб. |
| 8 | 38500-93J90-000 | (актуальный код замены) Предупреждающий зуммер - Buzzer, Warning | | под заказ | 3890 руб. |
| 9 | 36682-92E00-000 | Провод указателя трима (l: 6500) - Wire, Trim Meter Ext (l:6500) (Wire, trim gauge ext # Wire, monitor gauge extension; L:6400 model:05~07 # ) (Проводка) | | 2 шт | 10800 руб. |
Время выполнения запроса 0.91331386566162 сек. |
|