| |
 |
|
 |
Вернуться к выбору узлов мотора
ДЕТАЛИРОВКА ДЛЯ МОДЕЛИ: SUZUKI DF140Z FROM 14002Z-210001~
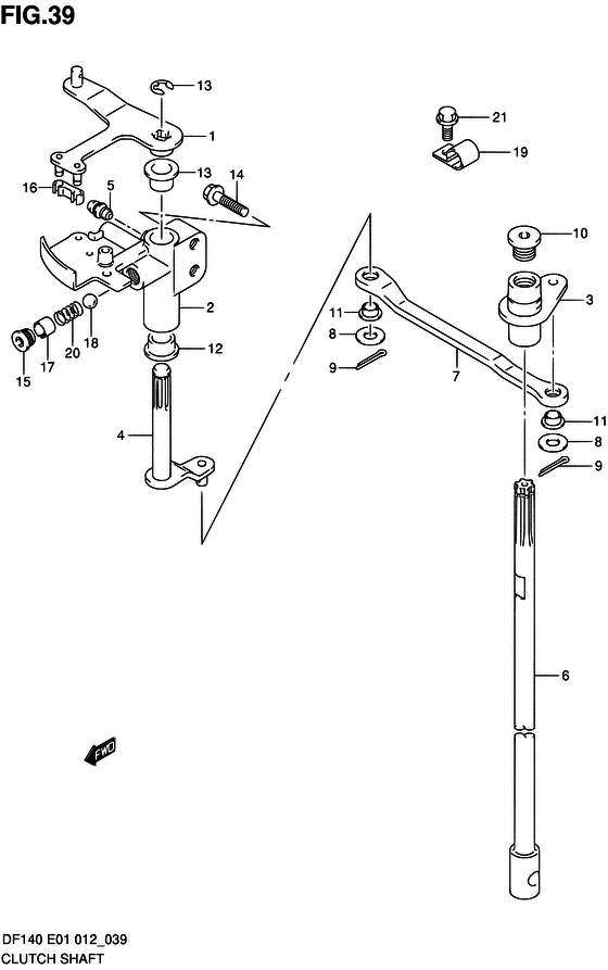
Сцепление Вал
Код модели двигателя: DF140(Z)TL/X; DF140W(Z)TL/X
Год выпуска двигателя: 2012
Регион: General Export No.1 ,Код региона: P01
Цвет: Shadow Black Metallic
Номер на рисунке | Артикул | Наименование | QTY | Кол-во на складе | Цена |
| 1 | 21110-92J00-000 | Рычаг сцепления - Lever, Clutch (Рукоятка муфты) | | 1 шт | 5720 руб. |
| 2 | 21151-92J00-000 | Держатель рычага сцепления - Holder, Clutch Lever (держатель рычага выключения сцепления) | | под заказ | 4730 руб. |
| 3 | 21210-92J00-000 | Сцепление Вал - Shaft, Clutch (Вал сцепления) | | под заказ | 4900 руб. |
| 4 | 21230-92J00-000 | Рычаг Comp, Сцепление Вал - Arm Comp, Clutch Shaft | | под заказ | 5280 руб. |
| 4 | 21230-92J02-000 | (актуальный код замены) Рычаг Comp, Сцепление Вал - Arm Comp, Clutch Shaft | | под заказ | 5280 руб. |
| 4 | 21230-92J01-000 | Рычаг Comp, Сцепление Вал - Arm Comp, Clutch Shaft (ARM COMP, CLUTCH SHAFT) | | 1 шт | 5280 руб. |
| 4 | 21230-92J02-000 | (актуальный код замены) Рычаг Comp, Сцепление Вал - Arm Comp, Clutch Shaft | | под заказ | 5280 руб. |
| 5 | 22511-99011-000 | Ниппель смазки - Nipple, Grease (Ниппель) | | 9 шт | 400 руб. |
| 6 | 23111-90J02-000 | Тяга сцепления (l) - Rod, Clutch (l) (W/TRANSOM (L) # ) (Штанга муфты) | | 2 шт | 7990 руб. |
| 6 | 23111-90J12-000 | Тяга сцепления (x) - Rod, Clutch (x) (W/TRANSOM (X) # ) (Штанга муфты) | | под заказ | 7400 руб. |
| 7 | 23115-92J00-000 | Тяга рычага сцепления - Link, Clutch Lever (Сустав муфты) | | под заказ | 1050 руб. |
| 8 | 09160-06094-000 | Шайба (6.5x15x1.0) - Washer (65x15x10) (Washer (6.5x15x1.5) # ) (Шайба 6.5X15X1) | | 5 шт | 120 руб. |
| 9 | 09204-01006-000 | Штифт - Pin (Pin, cotter # ) (Pin) | | 14 шт | 150 руб. |
| 10 | 09248-12011-000 | Заглушка (12x9) - Plug (12x9) (Plug) | | под заказ | 430 руб. |
| 11 | 09306-06004-000 | Втулка - Bush (Втулка ручки сцепления) | | 2 шт | 110 руб. |
| 12 | 09306-10001-000 | Втулка - Bush (Bush, clutch lever # ) (Втулка) | | 10 шт | 360 руб. |
| 13 | 09383-08004-000 | Уплотнительное кольцо - E Ring (E ring) | | 10 шт | 100 руб. |
| 14 | 01550-06307-000 | Болт - Bolt (Bolt (chrome)) | | 8 шт | 250 руб. |
| 15 | 11118-95J00-000 | Заглушка паза пружины - Plug, Notch Spring (пробка пружины) | | под заказ | 610 руб. |
| 16 | 21131-93J00-000 | Втулка рычага сцепления - Bush, Clutch Lever (Втулка ручки сцепления) | | 30 шт | 250 руб. |
| 17 | 09205-10006-000 | Стопор пружины (10.2x10) - Pin, Spring (102x10) (Pin, clutch notch spring # ) (Pin) | | под заказ | 390 руб. |
| 18 | 09260-10005-000 | Шарик - Ball (Steel ball # ) (Ball) | | 4 шт | 210 руб. |
| 19 | 09403-13408-000 | Струбцина - Clamp (Clamp) | | под заказ | 490 руб. |
| 19 | 09403-13413-000 | (актуальный код замены) Струбцина - Clamp | | под заказ | 490 руб. |
| 20 | 09440-07071-000 | Пружина - Spring (Spring, clutch notch # ) (Пружина) | | 8 шт | 450 руб. |
| 21 | 01550-06127-000 | Болт - Bolt (Bolt, rect # ) (Bolt) | | 10 шт | 180 руб. |
Время выполнения запроса 0.77502298355103 сек. |
|