| |
 |
|
 |
Вернуться к выбору узлов мотора
ДЕТАЛИРОВКА ДЛЯ МОДЕЛИ: SUZUKI DF140T(E01) PRD
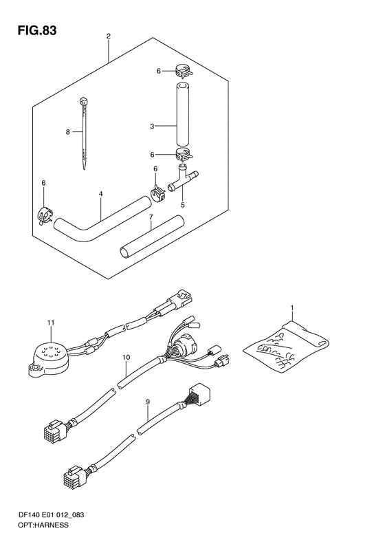
Жгут проводов
Код модели двигателя: DF140(Z)TL/X; DF140W(Z)TL/X
Год выпуска двигателя: 2011
Регион: General Export No.1 ,Код региона: P01
Цвет: Shadow Black Metallic
Номер на рисунке | Артикул | Наименование | QTY | Кол-во на складе | Цена |
| 1 | 36990-87D00-000 | Клемма / Гильза Set - Terminal / Sleeve Set (Terminal & sleeve set # Terminal & sleeve set; # ) (Стержень и гильза) | | 1 шт | 1720 руб. |
| 2 | 34660-90J02-000 | Измеритель давления воды, установочный комплект Sub - Kit, Water Press Gauge Sub (Kit, water press gauge sub) | | под заказ | 1270 руб. |
| 2 | 34660-90J04-000 | (актуальный код замены) Измеритель давления воды, установочный комплект Sub - Kit, Water Press Gauge Sub | | под заказ | 1270 руб. |
| 3 | 09352-50903-600 | Шланг (5x9x600) - Hose (5x9x600) (L:600->160 # ) (Шланг 5X9X600) | | под заказ | 570 руб. |
| 3 | 09352-50006-600 | (актуальный код замены) Шланг (5x9x600) - Hose (5x9x600) | | 1 шт | 570 руб. |
| 4 | 09352-50903-600 | Шланг (5x9x600) - Hose (5x9x600) (L:600->210 # ) (Шланг 5X9X600) | | под заказ | 570 руб. |
| 4 | 09352-50006-600 | (актуальный код замены) Шланг (5x9x600) - Hose (5x9x600) | | 1 шт | 570 руб. |
| 5 | 09367-06006-000 | Тройник - 3 Way (Направляющая трубки) | | под заказ | 300 руб. |
| 6 | 09401-08413-000 | Зажим - Clip (Clip) | | под заказ | 190 руб. |
| 7 | 18498-99EA0-000 | Защита (l: 80) - Protector (l:80) (Protector (l:80); # ) (Protecto (l:80)) | | под заказ | 210 руб. |
| 7 | 18498-99EA1-000 | (актуальный код замены) Защита (9.5x11.5x80) - Protector (9.5x11.5x80) | | под заказ | 210 руб. |
| 8 | 09407-25402-000 | Струбцина (l: 250) - Clamp (l:250) (Clamp, tilt sw # Clamp; # ) (Clamp) | | под заказ | 350 руб. |
| 9 | 36620-93J10-000 | Удлинитель провода дистанционного управления (l: 2000) - Wire Assy, Remocon Ext (l:2000) (L:2000 # ) (Проводка дистанционного упраления) | | под заказ | 12390 руб. |
| 9 | 36620-93J12-000 | (актуальный код замены) Удлинитель провода дистанционного управления (l: 2000) - Wire Assy, Remocon Ext (l:2000) | | под заказ | 13480 руб. |
| 9 | 36620-93J40-000 | Удлинитель провода дистанционного управления (l: 3000) - Wire Assy, Remocon Ext (l:3000) (L:3000 # ) (Проводка дистанционного упраления) | | под заказ | 15030 руб. |
| 9 | 36620-93J42-000 | (актуальный код замены) Удлинитель провода дистанционного управления - Wire Assy, Remote Control Ext | | под заказ | 15030 руб. |
| 10 | 36620-93J30-000 | Кабель дистанционного управления (l: 2000) - Wire Assy, Remocon (l:2000) (L:2000 # ) (Проводка дистанционного упраления) | | под заказ | 13010 руб. |
| 10 | 36620-93J32-000 | (актуальный код замены) Кабель дистанционного управления (l: 2000) - Wire Assy, Remocon (l:2000) | | под заказ | 13010 руб. |
| 11 | 38500-93J00-000 | Предупреждающий зуммер, в сборе - Buzzer Assy, Warning (Buzzer assy, warning # Buzzer assy, warning; # ) (Звуковой бузер) | | под заказ | 3890 руб. |
| 11 | 38500-93J90-000 | (актуальный код замены) Предупреждающий зуммер - Buzzer, Warning | | под заказ | 3890 руб. |
Время выполнения запроса 0.79682397842407 сек. |
|