Оригинальные запчасти на подвесной двигатель SUZUKI DF175(Z)TL/X модель 2012 года - Engine holder
вконтакте

Контактный телефон: +7 (981) 121-46-93, +7 (800) 200-90-76 , Email: parts-katalog@yandex.ru, где купить

 
 

  Логин:

Пароль:

Регистрация

www.partskatalog.ru Все каталоги Запчасти Mercury Запчасти Suzuki Запчасти Tohatsu Запчасти Honda Контакты



УВАЖАЕМЫЕ КЛИЕНТЫ!
C 19 ДЕКАБРЯ 2025 ПО 02 МАРТА 2026 ГОДА ОТДЕЛ ЗАПЧАСТЕЙ И СЕРВИС РАБОТАТЬ НЕ БУДУТ
ПРОДАЖА ЛОДОЧНЫХ МОТОРОВ В ШТАТНОМ РЕЖИМЕ
ОБ ИЗМЕНЕНИЯХ В ГРАФИКЕ РАБОТЫ ЧИТАЙТЕ НА САЙТА



назад Раздел:   вперёд

Вернуться к выбору узлов мотора


ДЕТАЛИРОВКА ДЛЯ МОДЕЛИ: SUZUKI DF175T FROM 17502F-210001~

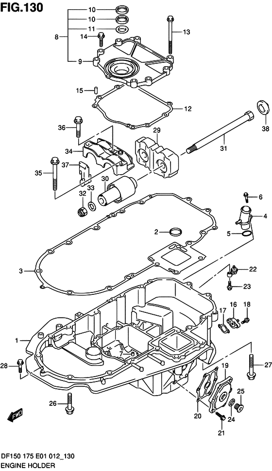
Основание двигателя


Код модели двигателя: DF175(Z)TL/X

Год выпуска двигателя: 2012

Цвет: Shadow Black Metallic

Номер на
рисунке
АртикулНаименованиеQTYКол-во
на складе
Цена
151111-96J00-0EP

Держатель двигателя (чёрный) - Holder, Engine (black) (Holder, Engine (black))

под заказ0 руб.
216519-93J00-000

Сальник основания двигателя Oil - Seal, Engine Holder Oil (Seal, Engine Holder Oil)

8 шт550 руб.
351211-96J00-000

Прокладка основания двигателя - Gasket, Engine Holder (Gasket, Engine Holder)

7 шт7230 руб.
451115-90J00-000

Модуль возврата воды - Union, Water Return (DF150T UP TO VIN.210739 DF150Z UP TO VIN.210065 DF175T UP TO VIN.210424 DF175Z UP TO VIN.210023 ) (Union, Water Return)

2 шт1100 руб.
451115-90J10-000

Модуль возврата воды - Union, Water Return (DF150T FROM VIN.210740 DF150Z FROM VIN.210066 DF175T FROM VIN.210425 DF175Z FROM VIN.210024 ) (Union, Water Return)

1 шт1100 руб.
509280-26006-000

Уплотнительное кольцо (d: 3.1, Id: 26.4) - O Ring (d:31, Id:264) (O Ring (d:3.1, Id:26.4))

2 шт220 руб.
601550-06257-000

Болт - Bolt (Bolt)

под заказ180 руб.
709206-08001-000

Штифт (8x11) - Pin (8x11) (Pin (8x11))

9 шт130 руб.
851120-96J00-000

Крышка крепления сальника - Cover, Mount Oil Seal (Cover, Mount Oil Seal)

под заказ14450 руб.
851120-96J02-000

   (актуальный код замены) Крышка крепления сальника - Cover, Mount Oil Seal

под заказ14450 руб.
851120-96J02-000

Крышка крепления сальника - Cover, Mount Oil Seal (Cover, Mount Oil Seal)

под заказ14450 руб.
951122-96J01-000

Крышка крепления сальника - Cover, Mount Oil Seal (Cover, Mount Oil Seal)

под заказ14450 руб.
951120-96J02-000

   (актуальный код замены) Крышка крепления сальника - Cover, Mount Oil Seal

под заказ14450 руб.
1051124-93J00-000

Сальник - Seal, Oil (Seal, Oil)

под заказ760 руб.
1051124-93J01-000

   (актуальный код замены) Сальник - Seal, Oil

24 шт890 руб.
1051124-93J01-000

Сальник - Seal, Oil (Seal, Oil)

24 шт890 руб.
1151125-93J00-000

Scraper - Scraper (Scraper)

под заказ1190 руб.
1251123-96J01-000

Прокладка крепления крышки сальника - Gasket, Mount Oil Cover (Gasket, Mount Oil Cover)

1 шт950 руб.
1251123-96J02-000

   (актуальный код замены) Прокладка крепления крышки сальника - Gasket, Mount Oil Cover

5 шт850 руб.
1309103-08109-000

Болт (8x120) - Bolt (8x120) (Bolt, mount oil seal cover (8x120) ) (Bolt (8x120))

под заказ240 руб.
1401550-0830A-000

Болт - Bolt (Bolt, mount oil seal cover ) (Bolt)

под заказ230 руб.
1509206-08001-000

Штифт (8x11) - Pin (8x11) (Pin (8x11))

9 шт130 руб.
1651140-96J00-000

Крышка основания двигателя - Cover, Engine Holder (Cover, Engine Holder)

под заказ5280 руб.
1751142-96J00-000

Прокладка крышки основания двигателя - Gasket, Engine Holder Cover (Gasket, Engine Holder Cover)

2 шт370 руб.
1801550-06207-000

Болт - Bolt (Bolt)

17 шт220 руб.
1951161-96J00-0EP

Крышка держателя водяной рубашки охлаждения двигателя - Cover, Engine Holder Water Jkt (Cover, Engine Holder Water Jkt)

под заказ5960 руб.
1951161-96J01-000

   (актуальный код замены) Крышка держателя водяной рубашки охлаждения двигателя - Cover, Engine Holder Water Jkt

под заказ5960 руб.
1951161-96J01-000

Крышка держателя водяной рубашки охлаждения двигателя - Cover, Engine Holder Water Jkt (Cover, Engine Holder Water Jkt)

под заказ5960 руб.
1951161-96J01-000

Крышка держателя водяной рубашки охлаждения двигателя - Cover, Engine Holder Water Jkt (Cover, Engine Holder Water Jkt)

под заказ5960 руб.
2051162-96J00-000

Прокладка крышки держателя водяной рубашки охлаждения двигателя - Gasket, Eng Hldr Water Jkt Cov (Gasket, Eng Hldr Water Jkt Cov)

под заказ730 руб.
2109103-06093-000

Болт (6x20) - Bolt (6x20) (Bolt (6x20))

под заказ130 руб.
2251170-96J00-000

Кронштейн индикаторной струи - Bracket, Water Indicator (Bracket, Water Indicator)

под заказ990 руб.
2251170-96J01-000

   (актуальный код замены) Кронштейн индикаторной струи - Bracket, Water Indicator

1 шт990 руб.
2251170-96J01-000

Кронштейн индикаторной струи - Bracket, Water Indicator (Bracket, Water Indicator)

1 шт990 руб.
2309116-06121-000

Болт (6x25) - Bolt (6x25) (Bolt (6x25) ) (Bolt (6x25))

19 шт260 руб.
2409160-18031-000

Шайба (18.5x28x2.6) - Washer (185x28x26) (Washer (18.5x28x2.6))

12 шт190 руб.
2509248-18010-000

Заглушка (18x15) - Plug (18x15) (Plug (18x15))

под заказ610 руб.
2609116-10136-000

Болт (10x50) - Bolt (10x50) (Bolt (10x50))

под заказ680 руб.
2609116-10175-000

   (актуальный код замены) Болт (10x50) - Bolt (10x50)

под заказ680 руб.
2609116-10175-000

Болт (10x50) - Bolt (10x50) (Bolt (10x50))

под заказ680 руб.
2709116-10137-000

Болт (10x70) - Bolt (10x70) (Bolt, eng set (10x70) ) (Bolt (10x70))

5 шт790 руб.
2801550-08307-000

Болт - Bolt (Bolt)

21 шт320 руб.
2954121-96J01-000

Крепление верхнего упора - Mount, Upr Thrust (Mount, Upr Thrust)

под заказ11040 руб.
3054130-96J01-000

Крепление, вышеr - Mount, Upr (Mount, Upr)

под заказ8210 руб.
3054130-96J02-000

   (актуальный код замены) Крепление, вышеr - Mount, Upr

под заказ8210 руб.
3154112-96J01-000

Болт, вышеr Крепление - Bolt, Upr Mount (Bolt, Upr Mount)

под заказ6000 руб.
3154112-96J02-000

   (актуальный код замены) Болт верхнего крепежа - Bolt, Upper Mount

под заказ6000 руб.
3209159-14026-000

Гайка - Nut (Nut, upper mount bolt (m14) ) (Nut)

под заказ1410 руб.
3229159-93J00-000

   (актуальный код замены) Гайка (m14) - Nut (m14)

2 шт1410 руб.
3309160-15051-000

Шайба (15x24x3) - Washer (15x24x3) (Washer, upper mount bolt (15x24x3) ) (Washer (15x24x3))

18 шт190 руб.
3454137-93J02-000

Крышка, вышеr Крепление - Cover, Upr Mount (Cover, Upr Mount)

под заказ7300 руб.
3509116-10135-000

Болт (10x95) - Bolt (10x95) (Bolt, upr mount cover (10x95) ) (Bolt (10x95))

под заказ910 руб.
3609116-10136-000

Болт (10x50) - Bolt (10x50) (Bolt (10x50))

под заказ680 руб.
3609116-10175-000

   (актуальный код замены) Болт (10x50) - Bolt (10x50)

под заказ680 руб.
3609116-10175-000

Болт (10x50) - Bolt (10x50) (Bolt (10x50))

под заказ680 руб.
3754127-96J00-000

Крепление верхней стороны - Mount, Upr Side (Mount, Upr Side)

под заказ710 руб.
3754127-96J01-000

   (актуальный код замены) Крепление верхней стороны - Mount, Upr Side

под заказ710 руб.
3854122-96J00-000

Проставка верхней опорыt Thrust - Spacer, Upper Mount Thrust (Spacer, Upper Mount Thrust)

под заказ460 руб.
3854122-96J01-000

   (актуальный код замены) Проставка верхней опорыt Thrust - Spacer, Upper Mount Thrust

под заказ460 руб.


Время выполнения запроса 3.3534638881683 сек.

 
 

данный сайт носит информационный характер и не является публичной офертой

склад запчастей для водомоторной техники