| |
 |
|
 |
Вернуться к выбору узлов мотора
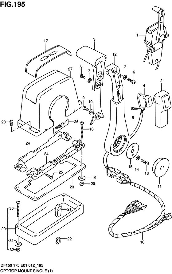
ДЕТАЛИРОВКА ДЛЯ МОДЕЛИ: SUZUKI DF175T FROM 17502F-210001~
Опции: одинарное, монтаж сверху
Код модели двигателя: DF175(Z)TL/X
Год выпуска двигателя: 2012
Цвет: Shadow Black Metallic
Номер на рисунке | Артикул | Наименование | QTY | Кол-во на складе | Цена |
| 1 | 67200-93J13-000 | Одинарное дистанционное управление в сборе - Remote Control Assy, Single (Remote Control Assy, Single) | | под заказ | 60000 руб. |
| 1 | 67200-88L01-000 | (актуальный код замены) Одинарное дистанционное управление в сборе - Remote Control Assy, Single | | 1 шт | 60000 руб. |
| 1 | SK67200-93J13 | (не оригинальный аналог) Пульт ДУ Skipper для Suzuki DF9.9-250 горизонтального крепления, с кнопкой гидроподъема | | 0 шт | 18650 руб. |
| 2 | 67261-93J00-000 | Рукоятка, №1 - Grip, No1 (Grip, No.1) | | под заказ | 1200 руб. |
| 3 | 67263-93J00-000 | Рукоятка, №2 - Grip, No2 (Grip, No.2) | | под заказ | 1720 руб. |
| 4 | 37850-93J10-000 | Переключатель управления гидроподъёмом двигателя - Switch Assy, Ptt (Switch Assy, Ptt) | | под заказ | 10900 руб. |
| 5 | 67295-92E10-000 | Винт - Screw (Screw) | | под заказ | 240 руб. |
| 6 | 67296-88D10-000 | Винт (5x16) - Screw (5x16) (Screw (5x16)) | | под заказ | 230 руб. |
| 7 | 67288-92E20-000 | Шайба - Washer (Washer) | | под заказ | 240 руб. |
| 8 | 67295-92E00-000 | Винт - Screw (Screw) | | под заказ | 260 руб. |
| 9 | 67296-92E70-000 | Винт - Screw (Screw) | | под заказ | 260 руб. |
| 10 | 67288-92E40-000 | Шайба - Washer (Washer) | | под заказ | 260 руб. |
| 11 | 67257-92E00-000 | Крышка рычага - Cap, Lever (Cap, Lever) | | под заказ | 900 руб. |
| 12 | 67251-93J00-000 | Рычаг блокировки - Lever, Handle (Lever, Handle) | | под заказ | 10900 руб. |
| 13 | 67296-92E60-000 | Винт - Screw (Screw) | | под заказ | 300 руб. |
| 14 | 67288-92E30-000 | Шайба - Washer (Washer) | | под заказ | 260 руб. |
| 15 | 67253-92E00-000 | Шайба - Washer (Washer) | | под заказ | 500 руб. |
| 16 | 36890-93J00-000 | Жгут проводов нейтрали и переключателя гидроподъема - Wire, Neutral & Ptt Sw (Wire, Neutral & Ptt Sw) | | под заказ | 7160 руб. |
| 16 | 36890-93J01-000 | (актуальный код замены) Жгут проводов нейтрали и переключателя гидроподъема - Wire, Neutral & Ptt Sw | | под заказ | 7160 руб. |
| 17 | 67281-93J00-000 | Наклейка - Decal (Decal) | | под заказ | 1200 руб. |
| 18 | 67296-92E30-000 | Винт - Screw (Screw) | | под заказ | 300 руб. |
| 19 | 09160-05024-000 | Шайба (5.5x16x1.5) - Washer (55x16x15) (Washer (5.5x16x1.5)) | | под заказ | 120 руб. |
| 20 | 67287-92E00-000 | Гайка - Nut (Nut) | | под заказ | 240 руб. |
| 21 | 67275-95600-000 | Наконечник кабеля - End, Cable (End, Cable) | | 36 шт | 810 руб. |
| 22 | 67273-95600-000 | Проставка - Spacer (Spacer) | | под заказ | 460 руб. |
| 22 | 67273-95601-000 | (актуальный код замены) Проставка - Spacer | | 3 шт | 630 руб. |
| 23 | 67273-92E00-000 | Пыльник - Grommet (Grommet) | | под заказ | 1380 руб. |
| 24 | 67274-92E00-000 | Фланец - Flange (Flange) | | под заказ | 3820 руб. |
| 25 | 67296-95610-000 | Винт - Screw (Screw) | | 2 шт | 280 руб. |
| 26 | 67271-92E00-000 | Крышка - Cover (Cover) | | под заказ | 710 руб. |
| 27 | 67211-93J00-000 | Чехол двигателя - Cover, Body (Cover, Body) | | под заказ | 4590 руб. |
| 28 | 67296-92E70-000 | Винт - Screw (Screw) | | под заказ | 260 руб. |
| 29 | 67500-93J00-000 | Комплект проставок одинарного дистанционного управления - Kit, R/con Spacer Single (Kit, R/con Spacer Single) | | под заказ | 2120 руб. |
| 30 | 09125-05135-000 | Винт (5x65) - Screw (5x65) (Screw (5x65)) | | под заказ | 230 руб. |
| 31 | 09160-05029-000 | Шайба (5.5x12x0.8) - Washer (55x12x08) (Washer (5.5x12x0.8)) | | 14 шт | 130 руб. |
| 32 | 09140-05005-000 | Гайка - Nut (Nut) | | 10 шт | 270 руб. |
Время выполнения запроса 1.7101202011108 сек. |
|