Подобрать запчасти на подвесной лодочный мотор Suzuki - DriveВал - Driveshaft
вконтакте

Контактный телефон: +7 (981) 121-46-93, +7 (800) 200-90-76 , Email: parts-katalog@yandex.ru, где купить

 
 

  Логин:

Пароль:

Регистрация

www.partskatalog.ru Все каталоги Запчасти Mercury Запчасти Suzuki Запчасти Tohatsu Запчасти Honda Контакты



УВАЖАЕМЫЕ КЛИЕНТЫ!
C 19 ДЕКАБРЯ 2025 ПО 02 МАРТА 2026 ГОДА ОТДЕЛ ЗАПЧАСТЕЙ И СЕРВИС РАБОТАТЬ НЕ БУДУТ
ПРОДАЖА ЛОДОЧНЫХ МОТОРОВ В ШТАТНОМ РЕЖИМЕ
ОБ ИЗМЕНЕНИЯХ В ГРАФИКЕ РАБОТЫ ЧИТАЙТЕ НА САЙТА



назад Раздел:   вперёд

Вернуться к выбору узлов мотора


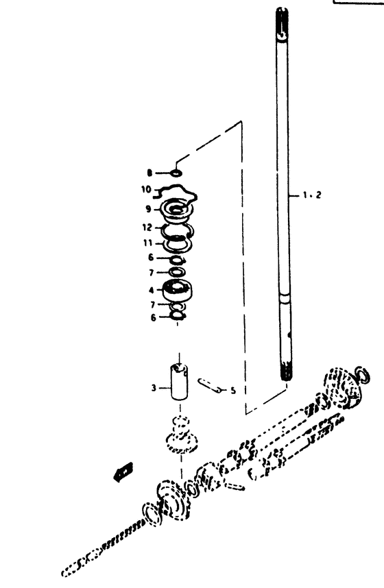
ДЕТАЛИРОВКА ДЛЯ МОДЕЛИ: SUZUKI DT7.5F F

DriveВал


Год выпуска двигателя: 1985

Регион: Japan

Номер на
рисунке
АртикулНаименованиеQTYКол-во
на складе
Цена
157110-96701-000

Запчасть снята с производства - The Spare Part Is Laid Off (S type, l:686) (The Spare Part Is Laid Off)

под заказ0 руб.
257110-96101-000

Запчасть снята с производства - The Spare Part Is Laid Off (L type, l:839) (The Spare Part Is Laid Off)

под заказ0 руб.
357117-96100-000

Запчасть снята с производства - The Spare Part Is Laid Off (The Spare Part Is Laid Off)

под заказ0 руб.
408113-62020-000

Подшипник - Bearing (Bearing)

под заказ1340 руб.
408113-62027-000

   (актуальный код замены) Подшипник - Bearing

под заказ1340 руб.
408113-62027-000

Подшипник - Bearing (Bearing, rh ) (Bearing)

под заказ1340 руб.
509205-04001-000

Стопор пружины (4.5x22) - Pin, Spring (45x22) (Pin, Spring (4.5x22))

под заказ120 руб.
608331-31159-000

Стопорное кольцо - Circlip (Circlip)

под заказ150 руб.
608331-3115A-000

   (актуальный код замены) Стопорное кольцо - Circlip

9 шт150 руб.
608331-3115A-000

Стопорное кольцо - Circlip (Circlip)

9 шт150 руб.
708211-15222-000

Регулировочная шайба (15x22x1.5) - Shim (15x22x15) (Shim (15x22x1.5))

под заказ190 руб.
709181-15156-000

   (актуальный код замены) Регулировочная шайба (15x22x1.5) - Shim (15x22x1.5)

5 шт240 руб.
709181-15156-000

Регулировочная шайба (15x22x1.5) - Shim (15x22x15) (Washer (t:1.5) ) (Shim (15x22x1.5))

5 шт240 руб.
809280-12004-000

Уплотнительное кольцо (d: 1.9, Id: 11.8) - O Ring (d:19, Id:118) (O ring, driveshaft ) (O Ring (d:1.9, Id:11.8))

под заказ310 руб.
909289-15003-000

Сальник (15x35x11) - Seal, Oil (15x35x11) (To 09289-15006) (Seal, Oil (15x35x11))

под заказ0 руб.
909289-15006-000

   (актуальный код замены) Запчасть снята с производства - The Spare Part Is Laid Off

1 шт0 руб.
909289-15006-000

Сальник (15x35x11) - Seal, Oil (15x35x11) (Seal, Oil (15x35x11))

1 шт0 руб.
1055131-96100-000

Запчасть снята с производства - The Spare Part Is Laid Off (The Spare Part Is Laid Off)

под заказ0 руб.
1108211-28353-000

Запчасть снята с производства - The Spare Part Is Laid Off (The Spare Part Is Laid Off)

под заказ0 руб.
1208331-21358-000

Стопорное кольцо - Circlip (Circlip)

под заказ170 руб.
1208331-41359-000

   (актуальный код замены) Стопорное кольцо - Circlip

7 шт200 руб.
1208331-41359-000

Стопорное кольцо - Circlip (Circlip)

7 шт200 руб.


Время выполнения запроса 0.67657589912415 сек.

 
 

данный сайт носит информационный характер и не является публичной офертой

склад запчастей для водомоторной техники