Подобрать оригинальные запчасти на подвесной двигатель Suzuki модель года - Fuel pump
вконтакте

Контактный телефон: +7 (981) 121-46-93, +7 (800) 200-90-76 , Email: parts-katalog@yandex.ru, где купить

 
 

  Логин:

Пароль:

Регистрация

www.partskatalog.ru Все каталоги Запчасти Mercury Запчасти Suzuki Запчасти Tohatsu Запчасти Honda Контакты



УВАЖАЕМЫЕ КЛИЕНТЫ!
C 19 ДЕКАБРЯ 2025 ПО 02 МАРТА 2026 ГОДА ОТДЕЛ ЗАПЧАСТЕЙ И СЕРВИС РАБОТАТЬ НЕ БУДУТ
ПРОДАЖА ЛОДОЧНЫХ МОТОРОВ В ШТАТНОМ РЕЖИМЕ
ОБ ИЗМЕНЕНИЯХ В ГРАФИКЕ РАБОТЫ ЧИТАЙТЕ НА САЙТА



назад Раздел:   вперёд

Вернуться к выбору узлов мотора


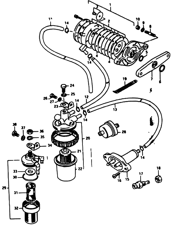
ДЕТАЛИРОВКА ДЛЯ МОДЕЛИ: SUZUKI DT9.9 D

Топливный насос


Номер на
рисунке
АртикулНаименованиеQTYКол-во
на складе
Цена
115100-93310-000

Запчасть снята с производства - The Spare Part Is Laid Off (The Spare Part Is Laid Off)

под заказ0 руб.
115100-93410-000

Запчасть снята с производства - The Spare Part Is Laid Off (The Spare Part Is Laid Off)

под заказ0 руб.
115100-93420-000

   (актуальный код замены) Запчасть снята с производства - The Spare Part Is Laid Off

под заказ0 руб.
215170-93810-000

Диафрагма Set, Топливный насос - Diaphragm Set, Fuel Pump (Diaphragm Set, Fuel Pump)

под заказ12000 руб.
215170-93420-000

   (актуальный код замены) Диафрагма Set, Топливный насос - Diaphragm Set, Fuel Pump

под заказ12000 руб.
215170-93420-000

Диафрагма Set, Топливный насос - Diaphragm Set, Fuel Pump (Diaphragm Set, Fuel Pump)

под заказ12000 руб.
315180-93810-000

Запчасть снята с производства - The Spare Part Is Laid Off (The Spare Part Is Laid Off)

под заказ0 руб.
315180-93400-000

   (актуальный код замены) Запчасть снята с производства - The Spare Part Is Laid Off

под заказ0 руб.
415162-93010-000

Запчасть снята с производства - The Spare Part Is Laid Off (The Spare Part Is Laid Off)

под заказ0 руб.
515165-93010-000

Уплотнительное кольцо, Топливный насос - O Ring, Fuel Pump (O ring ) (O Ring, Fuel Pump)

под заказ460 руб.
609280-12002-000

Уплотнительное кольцо, D: 2.4, Id: 11.8 - O Ring, D:24, Id:118 (O ring, fuel pump # D:2.4, ID:11.8 ) (O Ring, D:2.4, Id:11.8)

под заказ120 руб.
715322-93000-000

Изолятор, Fuel, Помпа - Insulator, Fuel, Pump (Insulator ) (Insulator, Fuel, Pump)

под заказ0 руб.
801421-06258-000

Болт под шпильку - Bolt, Stud (Bolt, Stud)

под заказ190 руб.
801421-06257-000

   (актуальный код замены) Болт под шпильку - Bolt, Stud

под заказ190 руб.
801421-06257-000

Болт под шпильку - Bolt, Stud (Stud bolt ) (Bolt, Stud)

под заказ190 руб.
908321-21068-000

Шайба с блокировкой - Washer, Lock (Washer, Lock)

под заказ140 руб.
908321-01067-000

   (актуальный код замены) Шайба с блокировкой - Washer, Lock

под заказ140 руб.
908321-01067-000

Шайба с блокировкой - Washer, Lock (Washer, Lock)

под заказ140 руб.
1008310-11068-000

Гайка - Nut (Nut)

под заказ140 руб.
1008310-00067-000

   (актуальный код замены) Гайка - Nut

под заказ140 руб.
1008310-00067-000

Гайка - Nut (Nut)

под заказ140 руб.
1109343-05137-000

Шланг (5x9x600) - Hose (5x9x600) (L:500->270 L:500->350) (Hose (5x9x600))

под заказ570 руб.
1109352-50006-600

   (актуальный код замены) Шланг (5x9x600) - Hose (5x9x600)

1 шт570 руб.
1109352-50903-600

Шланг (5x9x600) - Hose (5x9x600) (Hose (5x9x600))

под заказ570 руб.
1109352-50006-600

   (актуальный код замены) Шланг (5x9x600) - Hose (5x9x600)

1 шт570 руб.
1109343-05143-000

Запчасть снята с производства - The Spare Part Is Laid Off (TO 09343-05137, L:270) (The Spare Part Is Laid Off)

под заказ0 руб.
1209343-05137-000

Шланг (5x9x600) - Hose (5x9x600) (L:500->240 L:500->110 L:500->135 (E13)) (Hose (5x9x600))

под заказ570 руб.
1209352-50006-600

   (актуальный код замены) Шланг (5x9x600) - Hose (5x9x600)

1 шт570 руб.
1209352-50903-600

Шланг (5x9x600) - Hose (5x9x600) (Hose (5x9x600))

под заказ570 руб.
1209352-50006-600

   (актуальный код замены) Шланг (5x9x600) - Hose (5x9x600)

1 шт570 руб.
1309343-05137-000

Шланг (5x9x600) - Hose (5x9x600) (L:500 L:500->270 L:500 (E13)) (Hose (5x9x600))

под заказ570 руб.
1309352-50006-600

   (актуальный код замены) Шланг (5x9x600) - Hose (5x9x600)

1 шт570 руб.
1309352-50903-600

Шланг (5x9x600) - Hose (5x9x600) (Hose (5x9x600))

под заказ570 руб.
1309352-50006-600

   (актуальный код замены) Шланг (5x9x600) - Hose (5x9x600)

1 шт570 руб.
1409401-08401-000

Зажим - Clip (Clip, fuel hose ) (Clip)

под заказ120 руб.
1409401-09402-000

Зажим - Clip (Clip)

под заказ130 руб.
1409401-08410-000

   (актуальный код замены) Зажим - Clip

под заказ130 руб.
1409401-08410-000

Зажим - Clip (Clip)

под заказ130 руб.
1565700-96811-01J

Запчасть снята с производства - The Spare Part Is Laid Off (The Spare Part Is Laid Off)

под заказ0 руб.
1565700-96811-0ED

   (актуальный код замены) Запчасть снята с производства - The Spare Part Is Laid Off

под заказ0 руб.
1602112-05168-000

Винт - Screw (TO 09125-05029) (Screw)

под заказ150 руб.
1602112-05167-000

   (актуальный код замены) Винт - Screw

под заказ150 руб.
1602112-05167-000

Винт - Screw (Screw)

под заказ150 руб.
1609125-05029-000

Винт (5x16) - Screw (5x16) (Screw (5x16))

под заказ0 руб.
1609125-05074-000

   (актуальный код замены) Запчасть снята с производства - The Spare Part Is Laid Off

под заказ0 руб.
1609125-05074-000

Винт (5x16) - Screw (5x16) (Screw (5x16))

под заказ0 руб.
1765720-98500-000

Разъем топливного коннектора - Plug, Fuel Connector (TO 65720-98501) (Plug, Fuel Connector)

под заказ3170 руб.
1765720-985L1-000

   (актуальный код замены) Разъем топливного коннектора - Plug, Fuel Connector

5 шт3950 руб.
17SF80210-1

   (не оригинальный аналог) Адаптер топливный SUNFINE тип Suzuki, 7.5мм, 6720-98521

под заказ1270 руб.
1765720-985L1-000

Разъем топливного коннектора - Plug, Fuel Connector (Plug, Fuel Connector)

5 шт3950 руб.
1808310-22108-000

Гайка - Nut (Nut)

под заказ170 руб.
1808310-00107-000

   (актуальный код замены) Гайка - Nut

под заказ170 руб.
1808310-00107-000

Гайка - Nut (Nut)

под заказ170 руб.
1909404-06415-000

Струбцина (l: 80) - Clamp (l:80) (Clamp (l:80))

под заказ230 руб.
1909404-06436-000

   (актуальный код замены) Струбцина (l: 80) - Clamp (l:80)

под заказ230 руб.
1909404-06433-000

Струбцина (l: 80) - Clamp (l:80) (Clamp (l:80) ) (Clamp (l:80))

под заказ230 руб.
1909404-06436-000

   (актуальный код замены) Струбцина (l: 80) - Clamp (l:80)

под заказ230 руб.
2015410-96100-000

Запчасть снята с производства - The Spare Part Is Laid Off (The Spare Part Is Laid Off)

под заказ0 руб.
2115412-96100-000

Сетчатый фильтр - Strainer (Strainer)

под заказ0 руб.
2215413-96100-000

Запчасть снята с производства - The Spare Part Is Laid Off (The Spare Part Is Laid Off)

под заказ0 руб.
2315421-93300-000

Запчасть снята с производства - The Spare Part Is Laid Off (TO 15421-93301) (The Spare Part Is Laid Off)

под заказ0 руб.
2315421-93302-000

   (актуальный код замены) Запчасть снята с производства - The Spare Part Is Laid Off

под заказ0 руб.
2315421-93301-000

Запчасть снята с производства - The Spare Part Is Laid Off (The Spare Part Is Laid Off)

под заказ0 руб.
2315421-93302-000

   (актуальный код замены) Запчасть снята с производства - The Spare Part Is Laid Off

под заказ0 руб.
2401107-08128-000

Болт - Bolt (Bolt)

под заказ190 руб.
2401500-08127-000

   (актуальный код замены) Болт - Bolt

под заказ190 руб.
2401500-08127-000

Болт - Bolt (Bolt)

под заказ190 руб.
2508321-21088-000

Шайба с блокировкой - Washer, Lock (Washer, Lock)

под заказ140 руб.
2508321-01087-000

   (актуальный код замены) Шайба с блокировкой - Washer, Lock

под заказ140 руб.
2508321-01087-000

Шайба с блокировкой - Washer, Lock (Washer, lock ) (Washer, Lock)

под заказ140 руб.
2601107-06128-000

Болт - Bolt (Bolt)

под заказ150 руб.
2601500-06127-000

   (актуальный код замены) Болт - Bolt

под заказ150 руб.
2601500-06127-000

Болт - Bolt (Bolt)

под заказ150 руб.
2708321-21068-000

Шайба с блокировкой - Washer, Lock (Washer, Lock)

под заказ140 руб.
2708321-01067-000

   (актуальный код замены) Шайба с блокировкой - Washer, Lock

под заказ140 руб.
2708321-01067-000

Шайба с блокировкой - Washer, Lock (Washer, Lock)

под заказ140 руб.
2815410-98500-000

Топливный фильтр - Filter, Fuel (Filter assy, fuel ) (Filter, Fuel)

40 шт1600 руб.
2815410-98500

   (не оригинальный аналог) Топливный фильтр Suzuki 15410-98500

под заказ590 руб.
2915410-93400-000

Топливный фильтр в сборе - Filter Assy, Fuel (DT20, DT25, E13) (Filter Assy, Fuel)

под заказ2280 руб.
2915410-94401-000

   (актуальный код замены) Топливный фильтр в сборе - Filter Assy, Fuel

32 шт2280 руб.
2915410-94400-000

Топливный фильтр в сборе - Filter Assy, Fuel (Filter Assy, Fuel)

3 шт2280 руб.
2915410-94401-000

   (актуальный код замены) Топливный фильтр в сборе - Filter Assy, Fuel

32 шт2280 руб.
3015415-93400-000

Уплотнительное кольцо - O Ring (O ring # DT20, DT25, E13 ) (O Ring)

под заказ290 руб.
3115412-93400-000

Фильтр Set - Filter Set (DT20, DT25, E13) (Filter Set)

под заказ1360 руб.
3115430-93412-000

   (актуальный код замены) Фильтр Set - Filter Set

под заказ1360 руб.
3115430-93410-000

Фильтр Set - Filter Set (Strainer set ) (Filter Set)

под заказ1360 руб.
3115430-93412-000

   (актуальный код замены) Фильтр Set - Filter Set

под заказ1360 руб.
3215413-93400-000

Cвыше - Cup (Cup # DT20, DT25, E13 ) (Cup)

под заказ0 руб.
3315416-93400-000

Запчасть снята с производства - The Spare Part Is Laid Off (DT20, DT25, E13) (The Spare Part Is Laid Off)

под заказ0 руб.
3415421-93301-000

Запчасть снята с производства - The Spare Part Is Laid Off (DT20, DT25, E13) (The Spare Part Is Laid Off)

под заказ0 руб.
3415421-93302-000

   (актуальный код замены) Запчасть снята с производства - The Spare Part Is Laid Off

под заказ0 руб.
3508321-21088-000

Шайба с блокировкой - Washer, Lock (DT20, DT25, E13) (Washer, Lock)

под заказ140 руб.
3508321-01087-000

   (актуальный код замены) Шайба с блокировкой - Washer, Lock

под заказ140 руб.
3508321-01087-000

Шайба с блокировкой - Washer, Lock (Washer, lock ) (Washer, Lock)

под заказ140 руб.
3608310-22088-000

Гайка - Nut (DT20, DT25, E13) (Nut)

под заказ140 руб.
3608310-00087-000

   (актуальный код замены) Гайка - Nut

под заказ140 руб.
3608310-00087-000

Гайка - Nut (Nut)

под заказ140 руб.
3708321-21068-000

Шайба с блокировкой - Washer, Lock (DT20, DT25, E13) (Washer, Lock)

под заказ140 руб.
3708321-01067-000

   (актуальный код замены) Шайба с блокировкой - Washer, Lock

под заказ140 руб.
3708321-01067-000

Шайба с блокировкой - Washer, Lock (Washer, Lock)

под заказ140 руб.
3801107-06128-000

Болт - Bolt (DT20, DT25, E13) (Bolt)

под заказ150 руб.
3801500-06127-000

   (актуальный код замены) Болт - Bolt

под заказ150 руб.
3801500-06127-000

Болт - Bolt (Bolt)

под заказ150 руб.


Время выполнения запроса 3.2077338695526 сек.

 
 

данный сайт носит информационный характер и не является публичной офертой

склад запчастей для водомоторной техники