Оригинальные запчасти на лодочный мотор Сузуки модель 1995 года - Swivel bracket
вконтакте

Контактный телефон: +7 (981) 121-46-93, +7 (800) 200-90-76 , Email: parts-katalog@yandex.ru, где купить

 
 

  Логин:

Пароль:

Регистрация

www.partskatalog.ru Все каталоги Запчасти Mercury Запчасти Suzuki Запчасти Tohatsu Запчасти Honda Контакты



УВАЖАЕМЫЕ КЛИЕНТЫ!
C 19 ДЕКАБРЯ 2025 ПО 02 МАРТА 2026 ГОДА ОТДЕЛ ЗАПЧАСТЕЙ И СЕРВИС РАБОТАТЬ НЕ БУДУТ
ПРОДАЖА ЛОДОЧНЫХ МОТОРОВ В ШТАТНОМ РЕЖИМЕ
ОБ ИЗМЕНЕНИЯХ В ГРАФИКЕ РАБОТЫ ЧИТАЙТЕ НА САЙТА



назад Раздел:   вперёд

Вернуться к выбору узлов мотора


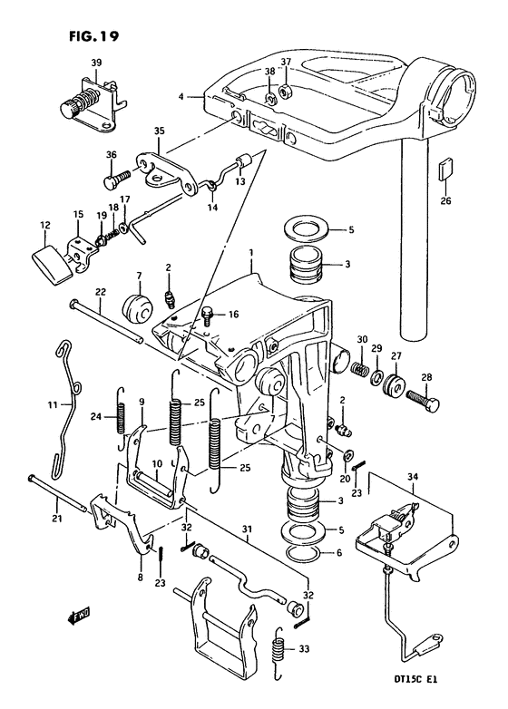
ДЕТАЛИРОВКА ДЛЯ МОДЕЛИ: SUZUKI DT15CEVS(E1) S

Поворотный кронштейн


Год выпуска двигателя: 1995

Регион: General Export No.1 ,Код региона: P01

Цвет: California Gray Metallic

Номер на
рисунке
АртикулНаименованиеQTYКол-во
на складе
Цена
143111-93923-0ED

Поворотный кронштейн - Bracket, Swivel (43111-93914-0ed ) (Bracket, Swivel)

под заказ0 руб.
222511-99010-000

Ниппель смазки - Nipple, Grease (Nipple; -22511-99003) (Nipple, Grease)

под заказ340 руб.
222511-99011-000

   (актуальный код замены) Ниппель смазки - Nipple, Grease

9 шт400 руб.
222511-99011-000

Ниппель смазки - Nipple, Grease (Nipple, Grease)

9 шт400 руб.
343711-93901-000

Втулка рулевой системы - Bush, Steering (Bush, Steering)

под заказ350 руб.
343711-99J00-000

   (актуальный код замены) Втулка рулевой системы - Bush, Steering

15 шт370 руб.
343711-99J00-000

Втулка рулевой системы - Bush, Steering (Bush, Steering)

15 шт370 руб.
443750-93E00-0ED

Кронштейн рулевого управления (gray) - Bracket, Steering (gray) (-43750-89e00-0edd) (Bracket, Steering (gray))

под заказ0 руб.
443750-93E02-0ED

   (актуальный код замены) Запчасть снята с производства - The Spare Part Is Laid Off

под заказ0 руб.
443750-93E02-0ED

Кронштейн рулевого управления (gray) - Bracket, Steering (gray) (Bracket, Steering (gray))

под заказ0 руб.
509160-27009-000

Шайба (27.5x47x2) - Washer (275x47x2) (Washer (27.5x47x2))

под заказ320 руб.
509160-27013-000

   (актуальный код замены) Шайба (27.5x47x2) - Washer (27.5x47x2)

9 шт350 руб.
509160-27013-000

Шайба (27.5x47x2) - Washer (275x47x2) (Washer (27.5x47x2))

9 шт350 руб.
609280-27004-000

Уплотнительное кольцо (d: 3.1, Id: 26.2) - O Ring (d:31, Id:262) (O Ring (d:3.1, Id:26.2))

25 шт150 руб.
709306-10012-000

Запчасть снята с производства - The Spare Part Is Laid Off (Bush, swivel bracket;) (The Spare Part Is Laid Off)

под заказ0 руб.
845231-93902-000

Рычаг блокировки реверса - Arm, Reverse Lock (Arm, Reverse Lock)

под заказ790 руб.
845231-90L00-000

   (актуальный код замены) Рычаг блокировки реверса - Arm, Reverse Lock

под заказ990 руб.
845231-90L00-000

Рычаг блокировки реверса - Arm, Reverse Lock (Arm, Reverse Lock)

под заказ990 руб.
945241-93901-000

Тяга рычага блокировки реверса - Link, Reverse Lock Arm (Link, reverse lock arm;) (Link, Reverse Lock Arm)

под заказ790 руб.
945241-90L00-000

   (актуальный код замены) Тяга рычага блокировки реверса - Link, Reverse Lock Arm

1 шт790 руб.
945241-90L00-000

Тяга рычага блокировки реверса - Link, Reverse Lock Arm (Link, Reverse Lock Arm)

1 шт790 руб.
1045246-93902-000

Проставка, Рычаг блокировки задней передачи - Spacer, Reverse Lock Arm (Spacer, reverse lock arm ) (Spacer, Reverse Lock Arm)

под заказ0 руб.
1145252-93901-000

Тяга рычага блокировки - Link, Release Lever (Link, release lever # Link, release lever; ) (Link, Release Lever)

под заказ740 руб.
1245255-96302-000

Ручка освобождающего рычага - Knob, Release Lever (Knob, release lever # -45255-96301 ) (Knob, Release Lever)

под заказ610 руб.
1345257-93900-000

Втулка рычага блокировки - Bush, Release Lever (Bush, release lever ) (Bush, Release Lever)

под заказ0 руб.
1445260-96300-000

Освобождающий рычаг - Lever, Release (Lever, Release)

под заказ570 руб.
1545311-93900-0ED

Кронштейн, Release Рычаг - Bracket, Release Lever (Bracket, release lever ) (Bracket, Release Lever)

под заказ0 руб.
1609116-05010-000

Болт (5x12) - Bolt (5x12) (Bolt, trim sender cam (5x12) ) (Bolt (5x12))

7 шт220 руб.
1709160-04012-000

Шайба (4.2x10x1) - Washer (42x10x1) (Washer (4.2x10x1) ) (Washer (4.2x10x1))

под заказ120 руб.
1809440-04021-000

Пружина - Spring (Spring)

под заказ120 руб.
1909319-04001-000

Втулка - Bush (Bush)

под заказ160 руб.
2009160-06082-000

Шайба (6.5x13x1.0) - Washer (65x13x10) (Washer (6.5x13x1.0))

7 шт150 руб.
2109200-05014-000

Штифт - Pin (Pin)

7 шт370 руб.
2209200-06061-000

Штифт - Pin (Pin)

9 шт780 руб.
2309204-01001-000

под заказнет сведений
2309204-01002-000

Штифт - Pin (Cotter pin ) (Pin)

24 шт140 руб.
2409443-05013-000

Пружина - Spring (Spring)

10 шт350 руб.
2509443-11019-000

Пружина рычага блокировки задней передачи - Spring, Reverse Lock Arm (Spring, Reverse Lock Arm)

под заказ560 руб.
2545212-94J01-000

   (актуальный код замены) Пружина рычага блокировки задней передачи - Spring, Reverse Lock Arm

под заказ560 руб.
2545212-94J01-000

Пружина рычага блокировки задней передачи - Spring, Reverse Lock Arm (Spring, Reverse Lock Arm)

под заказ560 руб.
2545212-94J01-000

Пружина рычага блокировки задней передачи - Spring, Reverse Lock Arm (Spring, Reverse Lock Arm)

под заказ560 руб.
2545212-94J01-000

Пружина рычага блокировки задней передачи - Spring, Reverse Lock Arm (Spring, Reverse Lock Arm)

под заказ560 руб.
2545212-94J01-000

Пружина рычага блокировки задней передачи - Spring, Reverse Lock Arm (Spring, Reverse Lock Arm)

под заказ560 руб.
2545212-94J01-000

Пружина рычага блокировки задней передачи - Spring, Reverse Lock Arm (Spring, Reverse Lock Arm)

под заказ560 руб.
2545212-94J01-000

Пружина рычага блокировки задней передачи - Spring, Reverse Lock Arm (Spring, Reverse Lock Arm)

под заказ560 руб.
2545212-94J01-000

Пружина рычага блокировки задней передачи - Spring, Reverse Lock Arm (Spring, Reverse Lock Arm)

под заказ560 руб.
2545212-94J01-000

Пружина рычага блокировки задней передачи - Spring, Reverse Lock Arm (Spring, Reverse Lock Arm)

под заказ560 руб.
2643411-93900-000

Пластина рулевого управления Регулятор - Plate, Steering Adjuster (Plate, steering adjuster;) (Plate, Steering Adjuster)

под заказ170 руб.
2643411-939L0-000

   (актуальный код замены) Пластина рулевого управления Регулятор - Plate, Steering Adjuster

6 шт200 руб.
2643411-939L0-000

Пластина рулевого управления Регулятор - Plate, Steering Adjuster (Plate, Steering Adjuster)

6 шт200 руб.
2743412-93900-000

Крышка регулировки рулевой системыer - Cover, Steering Adjuster (Cover, steering adjust # Cover, steering adjuster; ) (Cover, Steering Adjuster)

под заказ340 руб.
2743412-93901-000

   (актуальный код замены) Крышка регулировки рулевой системыer - Cover, Steering Adjuster

под заказ340 руб.
2809100-08232-000

Болт (8x30) - Bolt (8x30) (Bolt (8x30))

6 шт350 руб.
2909160-08082-000

Шайба (8.5x16x1.2) - Washer (85x16x12) (Washer (8.5x16x1.2))

13 шт120 руб.
3009440-11022-000

Пружина - Spring (Spring)

под заказ160 руб.
3145700-93911-000

Shallow Drive в сборе - Shallow Drive Assy (Shallow water drive assy; -45700-93900) (Shallow Drive Assy)

под заказ6870 руб.
3145700-93E01-000

   (актуальный код замены) Shallow Drive в сборе - Shallow Drive Assy

под заказ6870 руб.
3145700-93E01-000

Shallow Drive в сборе - Shallow Drive Assy (Shallow Drive Assy)

под заказ6870 руб.
3209204-01001-000

(Pin, shallow drive;)

под заказнет сведений
3209204-01002-000

Штифт - Pin (Cotter pin ) (Pin)

24 шт140 руб.
3309443-08031-000

Пружина - Spring (Spring, shallow drive; ) (Spring)

под заказ520 руб.
3445200-93901-000

Запчасть снята с производства - The Spare Part Is Laid Off (Opt) (The Spare Part Is Laid Off)

под заказ0 руб.
3543755-93900-000

Соединитель кронштейна рулевой системы - Attachment, Steering Bracket (Attchment, bracket # Attachment, steering bracket; Opt ) (Attachment, Steering Bracket)

под заказ0 руб.
3609100-08224-000

Болт (8x35) - Bolt (8x35) (Opt) (Bolt (8x35))

под заказ470 руб.
3609100-08224-XC0

   (актуальный код замены) Болт (8x35) - Bolt (8x35)

40 шт470 руб.
3609100-08224-XC0

Болт (8x35) - Bolt (8x35) (Bolt (8x35))

40 шт470 руб.
3709140-08016-000

Гайка - Nut (Opt) (Nut)

под заказ190 руб.
3709140-08023-XC0

Гайка - Nut (Nut)

14 шт190 руб.
3809162-08007-000

Шайба с блокировкой - Washer, Lock (Lock washer # Washer; Opt ) (Washer, Lock)

под заказ160 руб.
3967100-99700-000

Соединитель Set, Strg Шнур End - Attachment Set, Strg Rope End (Opt) (Attachment Set, Strg Rope End)

под заказ15220 руб.
3967110-99710-000

   (актуальный код замены) Соединитель Set, Strg Шнур End - Attachment Set, Strg Rope End

под заказ15220 руб.
3967110-99710-000

Соединитель Set, Strg Шнур End - Attachment Set, Strg Rope End (Attachment Set, Strg Rope End)

под заказ15220 руб.


Время выполнения запроса 1.6983680725098 сек.

 
 

данный сайт носит информационный характер и не является публичной офертой

склад запчастей для водомоторной техники