Найти запчасти на подвесной двигатель SUZUKI - Cylinder / Цилиндр
вконтакте

Контактный телефон: +7 (981) 121-46-93, +7 (800) 200-90-76 , Email: parts-katalog@yandex.ru, где купить

 
 

  Логин:

Пароль:

Регистрация

www.partskatalog.ru Все каталоги Запчасти Mercury Запчасти Suzuki Запчасти Tohatsu Запчасти Honda Контакты



УВАЖАЕМЫЕ КЛИЕНТЫ!
C 31 ОКТЯБРЯ 2025 ПО 10 НОЯБРЯ 2025 ГОДА РАБОТАТЬ НЕ БУДЕМ



Раздел:   вперёд

Вернуться к выбору узлов мотора


ДЕТАЛИРОВКА ДЛЯ МОДЕЛИ: SUZUKI DT16 J

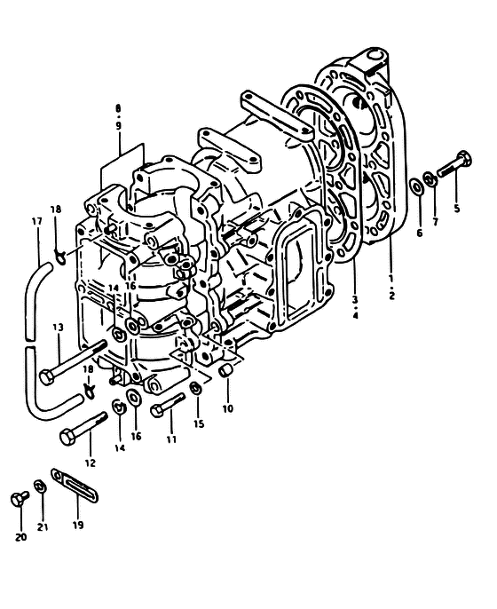
Цилиндр


Год выпуска двигателя: 1981

Номер на
рисунке
АртикулНаименованиеQTYКол-во
на складе
Цена
111110-93202-01J

(MODEL J, VZ)

под заказ0 руб.
111110-93202-02M

   (актуальный код замены) Запчасть снята с производства - The Spare Part Is Laid Off

под заказ0 руб.
211110-93102-01J

(MODEL J, VZ)

под заказ0 руб.
211110-93102-02M

   (актуальный код замены) Запчасть снята с производства - The Spare Part Is Laid Off

под заказ0 руб.
311141-93630-000

(DT9.9)

под заказ0 руб.
311141-93660-000

   (актуальный код замены) Запчасть снята с производства - The Spare Part Is Laid Off

под заказ0 руб.
411141-93151-000

Прокладка головки блока цилиндра - Gasket, Cylinder Head (DT16) (Gasket, Cylinder Head)

под заказ0 руб.
411141-93151-H17

   (актуальный код замены) Запчасть снята с производства - The Spare Part Is Laid Off

под заказ0 руб.
411141-93151-H17

Прокладка головки блока цилиндра - Gasket, Cylinder Head (Gasket, Cylinder Head)

под заказ0 руб.
501907-08358-000

Болт - Bolt (MODEL VZ, TO 01107-08358) (Bolt)

под заказ230 руб.
501500-0835B-000

   (актуальный код замены) Болт - Bolt

под заказ230 руб.
501500-0835B-000

Болт - Bolt (Bolt, muffler support ) (Bolt)

под заказ230 руб.
501107-08358-000

Болт - Bolt (MODEL G, J) (Bolt)

под заказ230 руб.
501500-0835B-000

   (актуальный код замены) Болт - Bolt

под заказ230 руб.
501500-0835B-000

Болт - Bolt (Bolt, muffler support ) (Bolt)

под заказ230 руб.
608322-11088-000

Шайба - Washer (Washer)

под заказ140 руб.
608322-01087-000

   (актуальный код замены) Шайба - Washer

под заказ140 руб.
608322-01087-000

Шайба - Washer (Lock washer ) (Washer)

под заказ140 руб.
708321-21088-000

Шайба с блокировкой - Washer, Lock (Washer, Lock)

под заказ140 руб.
708321-01087-000

   (актуальный код замены) Шайба с блокировкой - Washer, Lock

под заказ140 руб.
708321-01087-000

Шайба с блокировкой - Washer, Lock (Washer, lock ) (Washer, Lock)

под заказ140 руб.
811301-93522-01J

(MODEL J, DT9.9)

под заказ0 руб.
811301-93523-01J

(MODEL VZ, DT9.9)

под заказ0 руб.
811301-93524-01J

   (актуальный код замены) Запчасть снята с производства - The Spare Part Is Laid Off

под заказ0 руб.
811300-93521-01J

(DT9.9, MODEL G)

под заказ0 руб.
801500-06167-000

Болт - Bolt (Bolt, fuel cooler ) (Bolt)

под заказ150 руб.
801500-06167-000

Болт - Bolt (Bolt, fuel cooler ) (Bolt)

под заказ150 руб.
911301-93503-01J

(MODEL J, DT16 TO 11300-93502-01J)

под заказ0 руб.
911301-93504-01J

(MODEL VZ, DT16 TO 11300-93502-01J)

под заказ0 руб.
911301-93505-01J

   (актуальный код замены) Запчасть снята с производства - The Spare Part Is Laid Off

под заказ0 руб.
911300-93501-01J

(DT16 TO 11300-93502-01J, MODEL G)

под заказ0 руб.
901500-06167-000

Болт - Bolt (Bolt, fuel cooler ) (Bolt)

под заказ150 руб.
901500-06167-000

Болт - Bolt (Bolt, fuel cooler ) (Bolt)

под заказ150 руб.
911300-93502-01J

(DT16 TO 11300-93502-01J, MODEL G)

под заказ0 руб.
901500-06167-000

Болт - Bolt (Bolt, fuel cooler ) (Bolt)

под заказ150 руб.
901500-06167-000

Болт - Bolt (Bolt, fuel cooler ) (Bolt)

под заказ150 руб.
1004211-09109-000

Штифт - Pin (Knock pin ) (Pin)

под заказ120 руб.
1101107-06408-000

Болт - Bolt (Bolt)

под заказ190 руб.
1101500-0640B-000

   (актуальный код замены) Болт - Bolt

под заказ190 руб.
1101500-0640B-000

Болт - Bolt (Bolt)

под заказ190 руб.
1101907-06408-000

Болт - Bolt (TO 01107-06408, MODEL VZ) (Bolt)

под заказ190 руб.
1101500-0640B-000

   (актуальный код замены) Болт - Bolt

под заказ190 руб.
1101500-0640B-000

Болт - Bolt (Bolt)

под заказ190 руб.
1201907-08558-000

Болт - Bolt (MODEL VZ) (Bolt)

под заказ230 руб.
1201500-08557-000

   (актуальный код замены) Болт - Bolt

под заказ230 руб.
1201500-08557-000

Болт - Bolt (Bolt)

под заказ230 руб.
1201107-08558-000

Болт - Bolt (Bolt)

под заказ230 руб.
1201500-08557-000

   (актуальный код замены) Болт - Bolt

под заказ230 руб.
1201500-08557-000

Болт - Bolt (Bolt)

под заказ230 руб.
1301907-08908-000

Болт - Bolt (TO 01107-08908, MODEL VZ) (Bolt)

под заказ290 руб.
1301500-0890B-000

   (актуальный код замены) Болт - Bolt

под заказ290 руб.
1301500-0890B-000

Болт - Bolt (Bolt)

под заказ290 руб.
1301500-0890B-000

Болт - Bolt (Bolt)

под заказ290 руб.
1301107-08908-000

Болт - Bolt (Bolt)

под заказ290 руб.
1301500-0890B-000

   (актуальный код замены) Болт - Bolt

под заказ290 руб.
1301500-0890B-000

Болт - Bolt (Bolt)

под заказ290 руб.
1301500-0890B-000

Болт - Bolt (Bolt)

под заказ290 руб.
1408321-21088-000

Шайба с блокировкой - Washer, Lock (Washer, Lock)

под заказ140 руб.
1408321-01087-000

   (актуальный код замены) Шайба с блокировкой - Washer, Lock

под заказ140 руб.
1408321-01087-000

Шайба с блокировкой - Washer, Lock (Washer, lock ) (Washer, Lock)

под заказ140 руб.
1508321-21068-000

Шайба с блокировкой - Washer, Lock (Washer, Lock)

под заказ140 руб.
1508321-01067-000

   (актуальный код замены) Шайба с блокировкой - Washer, Lock

под заказ140 руб.
1508321-01067-000

Шайба с блокировкой - Washer, Lock (Washer, Lock)

под заказ140 руб.
1608322-11088-000

Шайба - Washer (Washer)

под заказ140 руб.
1608322-01087-000

   (актуальный код замены) Шайба - Washer

под заказ140 руб.
1608322-01087-000

Шайба - Washer (Lock washer ) (Washer)

под заказ140 руб.
1709343-03016-000

Шланг (3x7x600) - Hose (3x7x600) (Hose (3x7x600))

под заказ870 руб.
1709355-30001-600

   (актуальный код замены) Шланг (7.4x3.2x135) - Hose (7.4x3.2x135)

под заказ870 руб.
1709355-30705-600

Шланг (3x7x600) - Hose (3x7x600) (Hose, lubrication no.1 ) (Hose (3x7x600))

под заказ870 руб.
1709355-30001-600

   (актуальный код замены) Шланг (7.4x3.2x135) - Hose (7.4x3.2x135)

под заказ870 руб.
1809401-06403-000

Зажим - Clip (Clip)

под заказ160 руб.
1809401-06101-000

   (актуальный код замены) Зажим - Clip

под заказ160 руб.
1809401-06101-000

Зажим - Clip (Clip)

под заказ160 руб.
1909404-06401-000

Струбцина (l: 45) - Clamp (l:45) (Clamp (l:45))

под заказ170 руб.
1909404-06031-000

   (актуальный код замены) Струбцина, Rsvr Tank Ovfl Шланг - Clamp, Rsvr Tank Ovfl Hose

под заказ170 руб.
1909404-06206-000

Струбцина (l: 45) - Clamp (l:45) (Clamp (l:45))

под заказ170 руб.
1909404-06031-000

   (актуальный код замены) Струбцина, Rsvr Tank Ovfl Шланг - Clamp, Rsvr Tank Ovfl Hose

под заказ170 руб.
2001107-06128-000

Болт - Bolt (MODEL G, J) (Bolt)

под заказ150 руб.
2001500-06127-000

   (актуальный код замены) Болт - Bolt

под заказ150 руб.
2001500-06127-000

Болт - Bolt (Bolt)

под заказ150 руб.
2001907-06128-000

Болт - Bolt (MODEL VZ, TO 01107-06128) (Bolt)

под заказ150 руб.
2001500-06127-000

   (актуальный код замены) Болт - Bolt

под заказ150 руб.
2001500-06127-000

Болт - Bolt (Bolt)

под заказ150 руб.
2108321-21068-000

Шайба с блокировкой - Washer, Lock (Washer, Lock)

под заказ140 руб.
2108321-01067-000

   (актуальный код замены) Шайба с блокировкой - Washer, Lock

под заказ140 руб.
2108321-01067-000

Шайба с блокировкой - Washer, Lock (Washer, Lock)

под заказ140 руб.


Время выполнения запроса 2.9790658950806 сек.

 
 

данный сайт носит информационный характер и не является публичной офертой

склад запчастей для водомоторной техники