Подобрать запчасти на подвесной двигатель SUZUKI - Электрика
вконтакте

Контактный телефон: +7 (981) 121-46-93, +7 (800) 200-90-76 , Email: parts-katalog@yandex.ru, где купить

 
 

  Логин:

Пароль:

Регистрация

www.partskatalog.ru Все каталоги Запчасти Mercury Запчасти Suzuki Запчасти Tohatsu Запчасти Honda Контакты



УВАЖАЕМЫЕ КЛИЕНТЫ!
C 19 ДЕКАБРЯ 2025 ПО 02 МАРТА 2026 ГОДА ОТДЕЛ ЗАПЧАСТЕЙ И СЕРВИС РАБОТАТЬ НЕ БУДУТ
ПРОДАЖА ЛОДОЧНЫХ МОТОРОВ В ШТАТНОМ РЕЖИМЕ
ОБ ИЗМЕНЕНИЯХ В ГРАФИКЕ РАБОТЫ ЧИТАЙТЕ НА САЙТА



назад Раздел:   вперёд

Вернуться к выбору узлов мотора


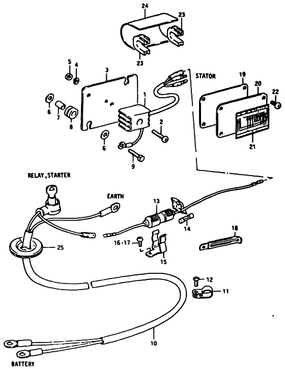
ДЕТАЛИРОВКА ДЛЯ МОДЕЛИ: SUZUKI DT25 G

Электрика


Год выпуска двигателя: 1980

Номер на
рисунке
АртикулНаименованиеQTYКол-во
на складе
Цена
132800-95720-000

Выпрямитель в сборе - Rectifier Assy (ELECTRIC STARTER) (Rectifier Assy)

под заказ10760 руб.
132800-95D02-000

   (актуальный код замены) Выпрямитель в сборе - Rectifier Assy

1 шт10760 руб.
132800-95D01-000

Выпрямитель в сборе - Rectifier Assy (Rectifier Assy)

под заказ10760 руб.
132800-95D02-000

   (актуальный код замены) Выпрямитель в сборе - Rectifier Assy

1 шт10760 руб.
202112-05258-000

Винт - Screw (ELECTRIC STARTER) (Screw)

под заказ120 руб.
202112-05257-000

   (актуальный код замены) Винт - Screw

под заказ120 руб.
202112-05257-000

Винт - Screw (Screw)

под заказ120 руб.
332890-93300-000

(ELECTRIC STARTER)

под заказ0 руб.
332890-93301-000

   (актуальный код замены) Запчасть снята с производства - The Spare Part Is Laid Off

под заказ0 руб.
332890-93301-000

(FROM 32890-93300, ELECTRIC STARTER)

под заказ0 руб.
408321-21058-000

Шайба с блокировкой - Washer, Lock (ELECTRIC STARTER) (Washer, Lock)

под заказ140 руб.
408321-0105A-000

   (актуальный код замены) Шайба с блокировкой - Washer, Lock

под заказ140 руб.
408321-0105A-000

Шайба с блокировкой - Washer, Lock (Washer, Lock)

под заказ140 руб.
508310-11058-000

Гайка - Nut (ELECTRIC STARTER) (Nut)

под заказ140 руб.
508310-00057-000

   (актуальный код замены) Гайка - Nut

под заказ140 руб.
508310-00057-000

Гайка - Nut (Nut)

под заказ140 руб.
609160-06052-000

Шайба (6.5x16x1.2) - Washer (65x16x12) (Washer (6.5x16x1.2) # ELECTRIC STARTER ) (Washer (6.5x16x1.2))

под заказ160 руб.
709180-06035-000

Проставка (6.1x8x12) - Spacer (61x8x12) (ELECTRIC STARTER) (Spacer (6.1x8x12))

под заказ160 руб.
709180-06249-000

   (актуальный код замены) Проставка (6.1x8x12) - Spacer (6.1x8x12)

под заказ160 руб.
709180-06249-000

Проставка (6.1x8x12) - Spacer (61x8x12) (Spacer (6.1x8x12) ) (Spacer (6.1x8x12))

под заказ160 руб.
809320-08015-000

Подушка - Cushion (Cushion # ELECTRIC STARTER ) (Cushion)

под заказ290 руб.
901107-06258-000

Болт - Bolt (ELECTRIC STARTER) (Bolt)

под заказ150 руб.
901500-06257-000

   (актуальный код замены) Болт - Bolt

под заказ150 руб.
901500-06257-000

Болт - Bolt (Bolt)

под заказ150 руб.
1136659-93300-000

(ELECTRIC STARTER)

под заказ0 руб.
1202142-04127-000

Винт - Screw (ELECTRIC STARTER ) (Screw)

под заказ110 руб.
1336740-95251-000

Корпус предохранителя - Case Assy, Fuse (TO 36740-95252, ELECTRIC STARTER) (Case Assy, Fuse)

под заказ1720 руб.
1336740-95253-000

   (актуальный код замены) Корпус предохранителя - Case Assy, Fuse

1 шт1720 руб.
1336740-95253-000

Корпус предохранителя - Case Assy, Fuse (Case Assy, Fuse)

1 шт1720 руб.
1336740-95252-000

Корпус предохранителя - Case Assy, Fuse (ELECTRIC STARTER) (Case Assy, Fuse)

под заказ1720 руб.
1336740-95253-000

   (актуальный код замены) Корпус предохранителя - Case Assy, Fuse

1 шт1720 руб.
1336740-95253-000

Корпус предохранителя - Case Assy, Fuse (Case Assy, Fuse)

1 шт1720 руб.
1409481-20001-000

Предохранитель (20a) - Fuse (20a) (ELECTRIC STARTER ) (Fuse (20a))

30 шт180 руб.
1536791-95200-000

Держатель, Предохранитель Case - Holder, Fuse Case (Holder, fuse # ELECTRIC STARTER ) (Holder, Fuse Case)

под заказ340 руб.
1609125-06020-000

Винт (6x16) - Screw (6x16) (ELECTRIC STARTER) (Screw (6x16))

под заказ220 руб.
1609125-06053-000

   (актуальный код замены) Винт (6x16) - Screw (6x16)

под заказ220 руб.
1609125-06053-000

Винт (6x16) - Screw (6x16) (Screw, tiller handle cover ) (Screw (6x16))

под заказ220 руб.
1709125-06020-000

Винт (6x16) - Screw (6x16) (MANUAL STARTER) (Screw (6x16))

под заказ220 руб.
1709125-06053-000

   (актуальный код замены) Винт (6x16) - Screw (6x16)

под заказ220 руб.
1709125-06053-000

Винт (6x16) - Screw (6x16) (Screw, tiller handle cover ) (Screw (6x16))

под заказ220 руб.
1809404-06412-000

Струбцина (l: 65) - Clamp (l:65) (Clamp (l:65))

под заказ170 руб.
1809404-06039-000

   (актуальный код замены) Струбцина (l: 65) - Clamp (l:65)

под заказ170 руб.
1809404-06432-000

Струбцина (l: 65) - Clamp (l:65) (Clamp (l:80) ) (Clamp (l:65))

8 шт170 руб.
1809404-06039-000

   (актуальный код замены) Струбцина (l: 65) - Clamp (l:65)

под заказ170 руб.
1936651-93300-000

под заказ0 руб.
2036650-93300-000

под заказ0 руб.
2136652-93302-000

под заказ0 руб.
2209125-05025-000

Винт (5x12) - Screw (5x12) (Screw (5x12))

под заказ150 руб.
2209125-05046-000

   (актуальный код замены) Винт (5x12) - Screw (5x12)

под заказ150 руб.
2209125-05046-000

Винт (5x12) - Screw (5x12) (Screw (5x12) ) (Screw (5x12))

под заказ150 руб.
2336654-93300-000

под заказ0 руб.
2436658-93300-000

под заказ0 руб.
2536656-93300-000

под заказ0 руб.


Время выполнения запроса 1.1960558891296 сек.

 
 

данный сайт носит информационный характер и не является публичной офертой

склад запчастей для водомоторной техники