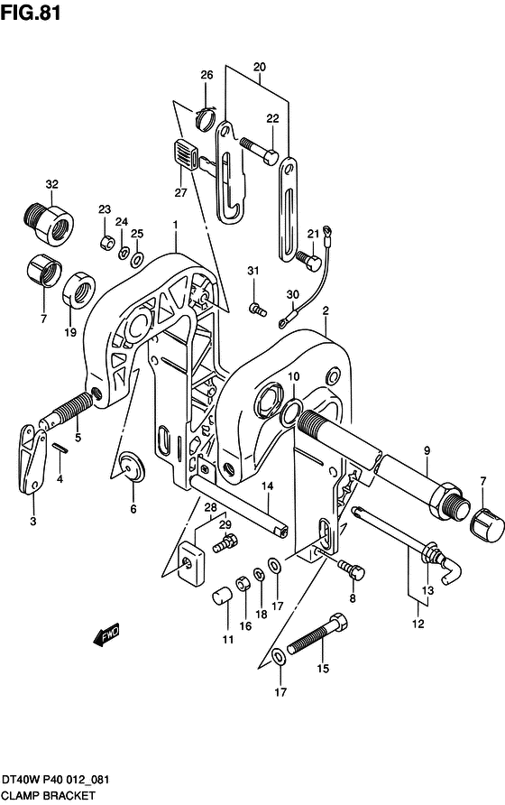
Подобрать запчасти на лодочный мотор SUZUKI DT40W(R)S/L/LL/L2/XL;DT40KW(R)S/L/LL/L2/XL модель 2012 года - Clamp bracket / Кронштейн транца
вконтакте

Контактный телефон: +7 (981) 121-46-93, +7 (800) 200-90-76 , Email: parts-katalog@yandex.ru, где купить

 
 

  Логин:

Пароль:

Регистрация

www.partskatalog.ru Все каталоги Запчасти Mercury Запчасти Suzuki Запчасти Tohatsu Запчасти Honda Контакты



УВАЖАЕМЫЕ КЛИЕНТЫ!
C 19 ДЕКАБРЯ 2025 ПО 02 МАРТА 2026 ГОДА ОТДЕЛ ЗАПЧАСТЕЙ И СЕРВИС РАБОТАТЬ НЕ БУДУТ
ПРОДАЖА ЛОДОЧНЫХ МОТОРОВ В ШТАТНОМ РЕЖИМЕ
ОБ ИЗМЕНЕНИЯХ В ГРАФИКЕ РАБОТЫ ЧИТАЙТЕ НА САЙТА



назад Раздел:   вперёд

Вернуться к выбору узлов мотора


ДЕТАЛИРОВКА ДЛЯ МОДЕЛИ: SUZUKI DT40WK FROM 04005K-210001~

Кронштейн транца


Код модели двигателя: DT40W(R)S/L/LL/L2/XL;DT40KW(R)S/L/LL/L2/XL

Год выпуска двигателя: 2012

Цвет: Shadow Black Metallic

Номер на
рисунке
АртикулНаименованиеQTYКол-во
на складе
Цена
141111-92L10-0EP

Кронштейн правого зажима - Bracket, Clamp Stbd (OPT ) (Bracket, Clamp Stbd)

под заказ23910 руб.
241121-92L10-0EP

Кронштейн левого зажима - Bracket, Clamp Port (OPT ) (Bracket, Clamp Port)

под заказ19490 руб.
341212-91L00-0EP

Струбцина румпеля (чёрный) - Handle, Clamp (black) (Handle, Clamp (black))

под заказ3000 руб.
409205-06007-000

Стопор пружины (6x25) - Pin, Spring (6x25) (Pin (6x27) ) (Pin, Spring (6x25))

13 шт170 руб.
541211-94302-000

Винт зажима - Screw, Clamp (Screw, Clamp)

под заказ2020 руб.
641213-98100-000

Пластина струбцины - Plate, Clamp (Plate, Clamp)

под заказ390 руб.
641213-94J01-000

   (актуальный код замены) Пластина струбцины - Plate, Clamp

под заказ420 руб.
641213-94J01-000

Пластина струбцины - Plate, Clamp (Plate, Clamp)

под заказ420 руб.
741151-94500-000

Колпачок кронштейна транца Вал - Cap, Clamp Bracket Shaft (Cap, Clamp Bracket Shaft)

под заказ280 руб.
809117-08071-000

Болт (8x35) - Bolt (8x35) (Bolt (8x35))

под заказ570 руб.
941130-94422-000

Труба кронштейна транца - Shaft, Clamp Bracket (Shaft, Clamp Bracket)

под заказ18390 руб.
941130-92L00-000

   (актуальный код замены) Труба кронштейна транца - Shaft, Clamp Bracket

под заказ18390 руб.
1009160-22033-000

Шайба (22.5x38x1) - Washer (225x38x1) (Washer (22.5x38x1))

под заказ290 руб.
1141153-96300-000

Колпачок транцевого болта - Cap, Transom Bolt (Cap, Transom Bolt)

под заказ370 руб.
1245420-94311-000

Штифт в сборе, Tilt Lock - Pin Assy, Tilt Lock (Pin Assy, Tilt Lock)

под заказ3100 руб.
1245420-92L00-000

   (актуальный код замены) Штифт в сборе, Tilt Lock - Pin Assy, Tilt Lock

под заказ3100 руб.
1245420-92L00-000

Штифт в сборе, Tilt Lock - Pin Assy, Tilt Lock (Pin Assy, Tilt Lock)

под заказ3100 руб.
1309441-17002-000

Пружина - Spring (Spring ) (Spring)

под заказ180 руб.
1441310-94400-000

Тяга, Кронштейн транца Lwr - Rod, Clamp Bracket Lwr (Rod, clamp bracket lower ) (Rod, Clamp Bracket Lwr)

под заказ2480 руб.
1509100-08239-000

Болт (8x90) - Bolt (8x90) (Bolt (8x90))

под заказ420 руб.
1509100-08311-000

   (актуальный код замены) Болт (8x90) - Bolt (8x90)

8 шт420 руб.
1509100-08311-000

Болт (8x90) - Bolt (8x90) (Bolt (8x90))

8 шт420 руб.
1609140-08023-XC0

Гайка - Nut (Nut)

14 шт190 руб.
1709160-08081-000

Шайба (8.5x23x1.5) - Washer (85x23x15) (Washer, clutch lever ) (Washer (8.5x23x1.5))

4 шт210 руб.
1829162-93J10-000

Шайба (8.2x21.5x3) - Washer (82x215x3) (Lock washer (8.2x15.4x2.0) ) (Washer (8.2x21.5x3))

4 шт130 руб.
1909159-22006-000

Гайка - Nut (Nut)

8 шт1950 руб.
2041200-94400-000

Рычаг наклона - Arm Assy, Tilt (Arm Assy, Tilt)

под заказ4470 руб.
2041200-92L00-000

   (актуальный код замены) Рычаг наклона - Arm Assy, Tilt

под заказ4470 руб.
2041200-92L00-000

Рычаг наклона - Arm Assy, Tilt (Arm Assy, Tilt)

под заказ4470 руб.
2109111-10032-000

Болт (10x20.5) - Bolt (10x205) (Bolt (10x20.5))

под заказ400 руб.
2109111-10067-000

   (актуальный код замены) Болт (10x20.5) - Bolt (10x20.5)

2 шт430 руб.
2109111-10067-000

Болт (10x20.5) - Bolt (10x205) (Bolt (10x20.5))

2 шт430 руб.
2209111-10033-000

Болт (10x54.5) - Bolt (10x545) (Bolt (10x54.5))

под заказ1580 руб.
2209111-10069-000

   (актуальный код замены) Болт (10x54.5) - Bolt (10x54.5)

под заказ1580 руб.
2209111-10069-000

Болт (10x54.5) - Bolt (10x545) (Bolt (10x54.5))

под заказ1580 руб.
2329141-93J20-000

Гайка - Nut (Nut)

под заказ160 руб.
2309140-10031-000

   (актуальный код замены) Гайка - Nut

10 шт160 руб.
2309140-10031-000

Гайка - Nut (Nut)

10 шт160 руб.
2409162-10005-000

Шайба с блокировкой - Washer, Lock (Lock washer ) (Washer, Lock)

под заказ130 руб.
2509160-10082-000

Шайба (10.5x19x2) - Washer (105x19x2) (Washer ) (Washer (10.5x19x2))

19 шт120 руб.
2609448-29009-000

Пружина - Spring (Spring)

под заказ390 руб.
2741225-94400-000

Резинка блокировки наклона Рычаг - Rubber, Tilt Lock Arm (Rubber, tilt lock lever ) (Rubber, Tilt Lock Arm)

под заказ340 руб.
2855320-95311-000

Защитный цинковый анод - Zinc Set, Protection (Zinc Set, Protection)

16 шт1320 руб.
2909116-06094-000

Болт (6x15) - Bolt (6x15) (Bolt (6x15))

20 шт270 руб.
3036894-95201-000

Lead (l: 165) - Lead (l:165) (Lead (l:165))

под заказ1170 руб.
3129125-93J10-000

Винт - Screw (Screw (5x8) ) (Screw)

под заказ150 руб.
3109125-05050-000

   (актуальный код замены) Винт (5x8) - Screw (5x8)

под заказ150 руб.
3241141-94301-000

Соединитель рулевой системы Регулятор - Attachment, Steering Adjuster (OPT ) (Attachment, Steering Adjuster)

под заказ6920 руб.


Время выполнения запроса 1.6036510467529 сек.

 
 

данный сайт носит информационный характер и не является публичной офертой

склад запчастей для водомоторной техники