Комплектующие на подвесной двигатель Suzuki DT40(R)S/L/LL/L2/UL; - Starting motor - Двигатель электростартера
вконтакте

Контактный телефон: +7 (981) 121-46-93, +7 (800) 200-90-76 , Email: parts-katalog@yandex.ru, где купить

 
 

  Логин:

Пароль:

Регистрация

www.partskatalog.ru Все каталоги Запчасти Mercury Запчасти Suzuki Запчасти Tohatsu Запчасти Honda Контакты



УВАЖАЕМЫЕ КЛИЕНТЫ!
C 31 ОКТЯБРЯ 2025 ПО 10 НОЯБРЯ 2025 ГОДА РАБОТАТЬ НЕ БУДЕМ



назад Раздел:   вперёд

Вернуться к выбору узлов мотора


ДЕТАЛИРОВКА ДЛЯ МОДЕЛИ: SUZUKI DT40VZ(G/J/VZ) Z

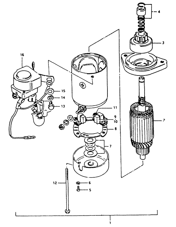
Двигатель электростартера


Код модели двигателя: DT40(R)S/L/LL/L2/UL;

Год выпуска двигателя: 1982

Номер на
рисунке
АртикулНаименованиеQTYКол-во
на складе
Цена
131100-93341-000

Запчасть снята с производства - The Spare Part Is Laid Off (Electric starter) (The Spare Part Is Laid Off)

под заказ0 руб.
231310-93340-000

Запчасть снята с производства - The Spare Part Is Laid Off (Electric starter) (The Spare Part Is Laid Off)

под заказ0 руб.
331320-95240-000

Запчасть снята с производства - The Spare Part Is Laid Off (Pinion assy; Electric starter) (The Spare Part Is Laid Off)

под заказ0 руб.
431312-95520-000

Запчасть снята с производства - The Spare Part Is Laid Off (Electric starter) (The Spare Part Is Laid Off)

под заказ0 руб.
502112-04128-000

Винт - Screw (Electric starter) (Screw)

под заказ100 руб.
502112-0412A-000

   (актуальный код замены) Винт - Screw

под заказ100 руб.
502112-0412A-000

Винт - Screw (Screw)

под заказ100 руб.
608321-21048-000

Шайба с блокировкой - Washer, Lock (Electric starter) (Washer, Lock)

под заказ140 руб.
608321-0104A-000

   (актуальный код замены) Шайба с блокировкой - Washer, Lock

под заказ140 руб.
608321-0104A-000

Шайба с блокировкой - Washer, Lock (Washer, Lock)

под заказ140 руб.
731360-93340-000

Запчасть снята с производства - The Spare Part Is Laid Off (Electric starter) (The Spare Part Is Laid Off)

под заказ0 руб.
831173-93340-000

Запчасть снята с производства - The Spare Part Is Laid Off (Electric starter) (The Spare Part Is Laid Off)

под заказ0 руб.
931131-93340-000

Запчасть снята с производства - The Spare Part Is Laid Off (Brush, (+); Electric starter) (The Spare Part Is Laid Off)

под заказ0 руб.
1031132-93340-000

Запчасть снята с производства - The Spare Part Is Laid Off (Brush, (-); Electric starter) (The Spare Part Is Laid Off)

под заказ0 руб.
1031131-93340-000

   (актуальный код замены) Запчасть снята с производства - The Spare Part Is Laid Off

под заказ0 руб.
1131135-93340-000

Запчасть снята с производства - The Spare Part Is Laid Off (Electric starter) (The Spare Part Is Laid Off)

под заказ0 руб.
1231281-93340-000

Сквозной болт - Bolt, Through (Bolt, starter housing # Electric starter ) (Bolt, Through)

под заказ410 руб.
1309100-06011-000

Болт (6x8) - Bolt (6x8) (Bolt (6x8) # Bolt (6x8); Electric starter ) (Bolt (6x8))

под заказ160 руб.
1408321-21068-000

Шайба с блокировкой - Washer, Lock (Electric starter) (Washer, Lock)

под заказ140 руб.
1408321-01067-000

   (актуальный код замены) Шайба с блокировкой - Washer, Lock

под заказ140 руб.
1408321-01067-000

Шайба с блокировкой - Washer, Lock (Washer, Lock)

под заказ140 руб.
1508322-21068-000

Шайба - Washer (Electric starter) (Washer)

под заказ140 руб.
1508322-01067-000

   (актуальный код замены) Шайба - Washer

10 шт160 руб.
1508322-01067-000

Шайба - Washer (Washer)

10 шт160 руб.
1631800-95241-000

Реле в сборе, Двигатель электростартера - Relay Assy, Starting Motor (Relay assy # Electric starter ) (Relay Assy, Starting Motor)

под заказ36720 руб.


Время выполнения запроса 1.5550169944763 сек.

 
 

данный сайт носит информационный характер и не является публичной офертой

склад запчастей для водомоторной техники