Подобрать оригинальные запчасти на подвесной мотор SUZUKI DT40(R)S/L/LL/L2/UL; - Ignition
вконтакте

Контактный телефон: +7 (981) 121-46-93, +7 (800) 200-90-76 , Email: parts-katalog@yandex.ru, где купить

 
 

  Логин:

Пароль:

Регистрация

www.partskatalog.ru Все каталоги Запчасти Mercury Запчасти Suzuki Запчасти Tohatsu Запчасти Honda Контакты



УВАЖАЕМЫЕ КЛИЕНТЫ!
C 19 ДЕКАБРЯ 2025 ПО 02 МАРТА 2026 ГОДА ОТДЕЛ ЗАПЧАСТЕЙ И СЕРВИС РАБОТАТЬ НЕ БУДУТ
ПРОДАЖА ЛОДОЧНЫХ МОТОРОВ В ШТАТНОМ РЕЖИМЕ
ОБ ИЗМЕНЕНИЯХ В ГРАФИКЕ РАБОТЫ ЧИТАЙТЕ НА САЙТА



назад Раздел:   вперёд

Вернуться к выбору узлов мотора


ДЕТАЛИРОВКА ДЛЯ МОДЕЛИ: SUZUKI DT40VZ(G/J/VZ) Z

Ignition


Код модели двигателя: DT40(R)S/L/LL/L2/UL;

Год выпуска двигателя: 1982

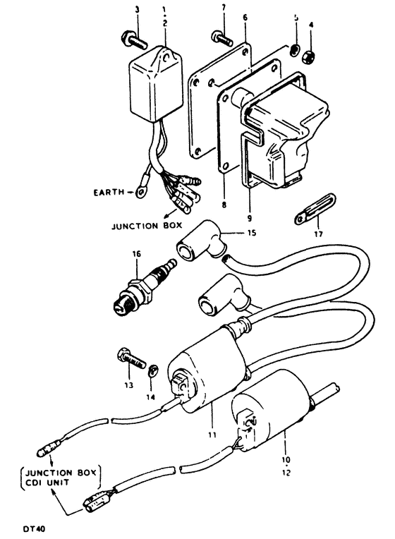
Номер на
рисунке
АртикулНаименованиеQTYКол-во
на складе
Цена
132900-94310-000

Запчасть снята с производства - The Spare Part Is Laid Off (The Spare Part Is Laid Off)

под заказ0 руб.
132900-94311-000

   (актуальный код замены) Запчасть снята с производства - The Spare Part Is Laid Off

под заказ0 руб.
132900-94311-000

Запчасть снята с производства - The Spare Part Is Laid Off (The Spare Part Is Laid Off)

под заказ0 руб.
232900-94300-000

Запчасть снята с производства - The Spare Part Is Laid Off (G (e9, e13), j (e9, e13), va (e13, e40)) (The Spare Part Is Laid Off)

под заказ0 руб.
232900-94301-000

   (актуальный код замены) Запчасть снята с производства - The Spare Part Is Laid Off

под заказ0 руб.
232900-94301-000

Запчасть снята с производства - The Spare Part Is Laid Off (The Spare Part Is Laid Off)

под заказ0 руб.
301517-06168-000

Болт - Bolt (Bolt)

под заказ180 руб.
301550-06167-000

   (актуальный код замены) Болт - Bolt

9 шт210 руб.
301550-06167-000

Болт - Bolt (Bolt)

9 шт210 руб.
408310-11068-000

Гайка - Nut (Nut)

под заказ140 руб.
408310-00067-000

   (актуальный код замены) Гайка - Nut

под заказ140 руб.
408310-00067-000

Гайка - Nut (Nut)

под заказ140 руб.
508321-21068-000

Шайба с блокировкой - Washer, Lock (Washer, Lock)

под заказ140 руб.
508321-01067-000

   (актуальный код замены) Шайба с блокировкой - Washer, Lock

под заказ140 руб.
508321-01067-000

Шайба с блокировкой - Washer, Lock (Washer, Lock)

под заказ140 руб.
636650-94301-000

Запчасть снята с производства - The Spare Part Is Laid Off (Model g, j) (The Spare Part Is Laid Off)

под заказ0 руб.
636650-94302-000

   (актуальный код замены) Запчасть снята с производства - The Spare Part Is Laid Off

под заказ0 руб.
636650-94302-000

Запчасть снята с производства - The Spare Part Is Laid Off (Model vz) (The Spare Part Is Laid Off)

под заказ0 руб.
709125-06020-000

Винт (6x16) - Screw (6x16) (Screw (6x16))

под заказ220 руб.
709125-06053-000

   (актуальный код замены) Винт (6x16) - Screw (6x16)

под заказ220 руб.
709125-06053-000

Винт (6x16) - Screw (6x16) (Screw, tiller handle cover ) (Screw (6x16))

под заказ220 руб.
836651-94300-000

Запчасть снята с производства - The Spare Part Is Laid Off (The Spare Part Is Laid Off)

под заказ0 руб.
936653-94301-000

Запчасть снята с производства - The Spare Part Is Laid Off (The Spare Part Is Laid Off)

под заказ0 руб.
1033410-94310-000

Катушка зажигания в сборе вышеr - Coil Assy, Ignition Upr (Coil Assy, Ignition Upr)

под заказ0 руб.
1033410-95310-000

   (актуальный код замены) Запчасть снята с производства - The Spare Part Is Laid Off

под заказ0 руб.
1033410-95310-000

Катушка зажигания в сборе вышеr - Coil Assy, Ignition Upr (Coil Assy, Ignition Upr)

под заказ0 руб.
1133410-94300-000

Катушка зажигания - Coil, Ignition (Coil assy, ignition upper # G (e9, e13), j (e9, e13), vz (e13, e40) ) (Coil, Ignition)

под заказ0 руб.
1233420-94310-000

Запчасть снята с производства - The Spare Part Is Laid Off (The Spare Part Is Laid Off)

под заказ0 руб.
1233420-943V0-000

   (актуальный код замены) Запчасть снята с производства - The Spare Part Is Laid Off

под заказ0 руб.
1301107-06208-000

Болт - Bolt (Bolt)

под заказ150 руб.
1301500-06207-000

   (актуальный код замены) Болт - Bolt

под заказ150 руб.
1301500-06207-000

Болт - Bolt (Bolt)

под заказ150 руб.
1408321-21068-000

Шайба с блокировкой - Washer, Lock (Washer, Lock)

под заказ140 руб.
1408321-01067-000

   (актуальный код замены) Шайба с блокировкой - Washer, Lock

под заказ140 руб.
1408321-01067-000

Шайба с блокировкой - Washer, Lock (Washer, Lock)

под заказ140 руб.
1533510-95510-000

Колпачок свечи зажигания - Cap, Spark Plug (Cap, Spark Plug)

под заказ1800 руб.
1533510-95520-000

   (актуальный код замены) Колпачок свечи зажигания - Cap, Spark Plug

1 шт2100 руб.
1533510-95520-000

Колпачок свечи зажигания - Cap, Spark Plug (Cap, spark plug ) (Cap, Spark Plug)

1 шт2100 руб.
1609482-00150-000

Свеча зажигания (br8hs) - Plug, Spark (br8hs) (Model g, to 09482-00230) (Plug, Spark (br8hs))

под заказ860 руб.
1609482-00230-000

   (актуальный код замены) Свеча зажигания (br8hs) - Plug, Spark (br8hs)

2 шт860 руб.
1609482-00230-000

Свеча зажигания (br8hs) - Plug, Spark (br8hs) (Spark plug (br8hs) ) (Plug, Spark (br8hs))

2 шт860 руб.
1609482-00230-000

Свеча зажигания (br8hs) - Plug, Spark (br8hs) (Spark plug (br8hs) # Spark plug (ngk, br8hs) (gap:0.9) (gap:0.9); Model j, dt35 ) (Plug, Spark (br8hs))

2 шт860 руб.
1709404-06401-000

Струбцина (l: 45) - Clamp (l:45) (Clamp (l:45))

под заказ170 руб.
1709404-06031-000

   (актуальный код замены) Струбцина, Rsvr Tank Ovfl Шланг - Clamp, Rsvr Tank Ovfl Hose

под заказ170 руб.
1709404-06206-000

Струбцина (l: 45) - Clamp (l:45) (Clamp (l:45))

под заказ170 руб.
1709404-06031-000

   (актуальный код замены) Струбцина, Rsvr Tank Ovfl Шланг - Clamp, Rsvr Tank Ovfl Hose

под заказ170 руб.


Время выполнения запроса 3.4751031398773 сек.

 
 

данный сайт носит информационный характер и не является публичной офертой

склад запчастей для водомоторной техники