| |
 |
|
 |
Вернуться к выбору узлов мотора
ДЕТАЛИРОВКА ДЛЯ МОДЕЛИ: SUZUKI DT40C VG
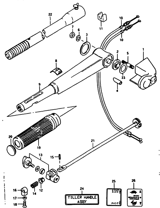
Румпель
Код модели двигателя: DT40CS/L/L2
Год выпуска двигателя: 1986
Регион: General Export No.1 ,Код региона: P01
Номер на рисунке | Артикул | Наименование | QTY | Кол-во на складе | Цена |
| 1 | 63121-96302-0ED | Крышка румпеля - Cover, Tiller Handle (Cover, tiller handle (gray) # <-63121-96302-02M <-63121-96302-01T ) (Cover, Tiller Handle) | | под заказ | 0 руб. |
| 2 | 63114-94300-000 | Прокладка крышки румпеля - Spacer, Handle Cover (Spacer, handle cover ) (Spacer, Handle Cover) | | под заказ | 680 руб. |
| 2 | 63114-95L00-000 | (актуальный код замены) Прокладка крышки румпеля - Spacer, Handle Cover | | 7 шт | 800 руб. |
| 3 | 63115-96310-000 | Прокладка внутри крышки румпеля - Spacer, Handle Cover Inside (Spacer, handle cover inside # <-63115-96301 ) (Spacer, Handle Cover Inside) | | 5 шт | 690 руб. |
| 4 | 63117-96300-000 | Крышка, Stop Переключатель Провод - Cover, Stop Switch Wire (Cover, Stop Switch Wire) | | под заказ | 480 руб. |
| 4 | 63117-96302-000 | (актуальный код замены) Крышка, Stop Переключатель Провод - Cover, Stop Switch Wire | | под заказ | 480 руб. |
| 4 | 63117-96301-000 | Крышка, Stop Переключатель Провод - Cover, Stop Switch Wire (Cover, stop switch wire ) (Cover, Stop Switch Wire) | | под заказ | 480 руб. |
| 4 | 63117-96302-000 | (актуальный код замены) Крышка, Stop Переключатель Провод - Cover, Stop Switch Wire | | под заказ | 480 руб. |
| 5 | 09108-08147-000 | Болт под шпильку - Bolt, Stud (Stud bolt ) (Bolt, Stud) | | под заказ | 3840 руб. |
| 6 | 09162-08007-000 | Шайба с блокировкой - Washer, Lock (Lock washer ) (Washer, Lock) | | под заказ | 160 руб. |
| 7 | 09140-08016-000 | Гайка - Nut (Nut) | | под заказ | 190 руб. |
| 7 | 09140-08023-XC0 | Гайка - Nut (Nut) | | 14 шт | 190 руб. |
| 8 | 63215-93400-000 | Маркировка ручки румпеля - Mark, Handle Grip (Mark, handle grip ) (Mark, Handle Grip) | | 1 шт | 290 руб. |
| 9 | 63111-96313-0ED | Ручка румпеля (gray) - Handle, Tiller (gray) (<-63111-96312-0ED <-63111-96312-02M) (Handle, Tiller (gray)) | | под заказ | 0 руб. |
| 9 | 63111-96332-0ED | (актуальный код замены) Запчасть снята с производства - The Spare Part Is Laid Off | | под заказ | 0 руб. |
| 9 | 63111-96332-0ED | Ручка румпеля (gray) - Handle, Tiller (gray) (Handle, Tiller (gray)) | | под заказ | 0 руб. |
| 10 | 63610-94402-000 | Тросик дросселя, в сборе - Cable Assy, Throttle (<-63610-94401) (Cable Assy, Throttle) | | под заказ | 1950 руб. |
| 10 | 63610-92L00-000 | (актуальный код замены) Тросик дросселя, в сборе - Cable Assy, Throttle | | 5 шт | 1950 руб. |
| 10 | SK63610-94402 | (не оригинальный аналог) Трос румпеля Skipper для Suzuki DT40 | | 0 шт | 398 руб. |
| 10 | SC-CB025 | (не оригинальный аналог) Трос газа Suzuki SC-CB025 | | под заказ | 590 руб. |
| 10 | 63610-92L00-000 | Тросик дросселя, в сборе - Cable Assy, Throttle (Cable Assy, Throttle) | | 5 шт | 1950 руб. |
| 11 | 63627-94400-000 | Направляющая, Тросик дросселя - Guide, Throttle Cable (Guide, throttle cable ) (Guide, Throttle Cable) | | под заказ | 460 руб. |
| 12 | 63225-93200-000 | Втулка тяги румпеля - Bush, Handle Rod (Bush, handle rod ) (Bush, Handle Rod) | | 14 шт | 480 руб. |
| 13 | 63240-96300-000 | Регулировка румпеля (комплект) Рукоятка - Adjuster Set, Handle Grip (Adjuster, handle grip ) (Adjuster Set, Handle Grip) | | 3 шт | 2490 руб. |
| 14 | 09440-12027-000 | Пружина - Spring (Spring) | | 12 шт | 170 руб. |
| 15 | 63227-93200-000 | Штифт, Handle Тяга - Pin, Handle Rod (Pin, handle rod ) (Pin, Handle Rod) | | под заказ | 220 руб. |
| 16 | 63223-89E00-000 | Стопор тяги румпеля - Stopper, Handle Rod (DT40WK ) (Stopper, Handle Rod) | | под заказ | 470 руб. |
| 16 | 63223-92D00-000 | Стопор тяги румпеля - Stopper, Handle Rod (Stopper, handle rod # DT40C ) (Stopper, Handle Rod) | | под заказ | 430 руб. |
| 17 | 09163-06001-000 | Шайба с блокировкой - Washer, Lock (Washer, Lock) | | 13 шт | 120 руб. |
| 18 | 09126-06006-000 | Винт (6x20) - Screw (6x20) (Screw (6x20)) | | под заказ | 150 руб. |
| 19 | 63210-93E00-000 | Рукоятка румпеля - Grip, Handle (<-63210-93901) (Grip, Handle) | | под заказ | 3390 руб. |
| 19 | 63210-93E30-000 | (актуальный код замены) Рукоятка румпеля - Grip, Handle | | 1 шт | 3390 руб. |
| 19 | 63210-93E30-000 | Рукоятка румпеля - Grip, Handle (Grip, handle ) (Grip, Handle) | | 1 шт | 3390 руб. |
| 20 | 63213-94400-000 | Колпачок, Stop Переключатель - Cap, Stop Switch (Cap, Stop Switch) | | под заказ | 910 руб. |
| 21 | 63220-96301-000 | Тяга румпеля - Rod, Handle (<-63220-96300) (Rod, Handle) | | под заказ | 2980 руб. |
| 21 | 63220-96302-000 | (актуальный код замены) Тяга румпеля - Rod, Handle | | под заказ | 2980 руб. |
| 21 | 63220-96302-000 | Тяга румпеля - Rod, Handle (Rod, Handle) | | под заказ | 2980 руб. |
| 21 | SK63220-96302 | (не оригинальный аналог) Вал румпеля Skipper для Suzuki DT9,9-DT40 | | 0 шт | 1247 руб. |
| 22 | 63300-93900-000 | Запчасть снята с производства - The Spare Part Is Laid Off (OPT) (The Spare Part Is Laid Off) | | под заказ | 0 руб. |
| 23 | 63118-94300-000 | Регулировочная шайба (0.3) - Shim (03) (Shim (13.2x31x0.3) ) (Shim (0.3)) | | 4 шт | 370 руб. |
| 23 | 63118-94310-000 | Регулировочная шайба (0.5) - Shim (05) (Shim (0.5) # OPT ) (Shim (0.5)) | | 14 шт | 570 руб. |
| 24 | 63001-94411-01T | (OPT, NOT SHOWN, MODEL:86, 87) | | под заказ | 0 руб. |
| 24 | 63001-94411-02M | Запчасть снята с производства - The Spare Part Is Laid Off (OPT, NOT SHOWN, MODEL:86, 87) (The Spare Part Is Laid Off) | | под заказ | 0 руб. |
| 24 | 63001-94431-0ED | Запчасть снята с производства - The Spare Part Is Laid Off (OPT NOT SHOWN DT40C/MODEL:88~92) (The Spare Part Is Laid Off) | | под заказ | 0 руб. |
| 24 | 63001-94451-0ED | Запчасть снята с производства - The Spare Part Is Laid Off (OPT NOT SHOWN DT40W DT40WK MODEL:88~92 <-63001-94450-0ED) (The Spare Part Is Laid Off) | | под заказ | 0 руб. |
| 25 | 63215-93450-000 | Маркировка, Handle - Mark, Handle (DT40WK ) (Mark, Handle) | | под заказ | 240 руб. |
| 26 | 63215-93401-000 | Маркировка, Handle - Mark, Handle (DT40W ) (Mark, Handle) | | под заказ | 240 руб. |
Время выполнения запроса 1.9006741046906 сек. |
|