Найти запчасти на лодочный подвесной мотор Suzuki модель 1982 года - Двигатель электростартера
вконтакте

Контактный телефон: +7 (981) 121-46-93, +7 (800) 200-90-76 , Email: parts-katalog@yandex.ru, где купить

 
 

  Логин:

Пароль:

Регистрация

www.partskatalog.ru Все каталоги Запчасти Mercury Запчасти Suzuki Запчасти Tohatsu Запчасти Honda Контакты



УВАЖАЕМЫЕ КЛИЕНТЫ!
C 19 ДЕКАБРЯ 2025 ПО 02 МАРТА 2026 ГОДА ОТДЕЛ ЗАПЧАСТЕЙ И СЕРВИС РАБОТАТЬ НЕ БУДУТ
ПРОДАЖА ЛОДОЧНЫХ МОТОРОВ В ШТАТНОМ РЕЖИМЕ
ОБ ИЗМЕНЕНИЯХ В ГРАФИКЕ РАБОТЫ ЧИТАЙТЕ НА САЙТА



назад Раздел:   вперёд

Вернуться к выбору узлов мотора


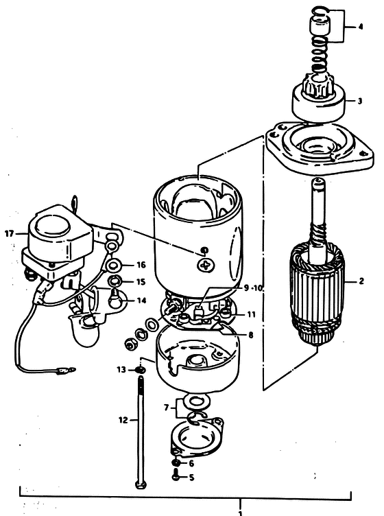
ДЕТАЛИРОВКА ДЛЯ МОДЕЛИ: SUZUKI DT50 VZ/DT50T VZ

Двигатель электростартера


Год выпуска двигателя: 1982

Номер на
рисунке
АртикулНаименованиеQTYКол-во
на складе
Цена
131100-95242-000

Запчасть снята с производства - The Spare Part Is Laid Off (FROM 31100-95241) (The Spare Part Is Laid Off)

под заказ0 руб.
131100-95244-000

   (актуальный код замены) Запчасть снята с производства - The Spare Part Is Laid Off

под заказ0 руб.
231311-95240-000

Запчасть снята с производства - The Spare Part Is Laid Off (The Spare Part Is Laid Off)

под заказ0 руб.
331320-95240-000

Запчасть снята с производства - The Spare Part Is Laid Off (The Spare Part Is Laid Off)

под заказ0 руб.
431312-95241-000

Комплект стопора шестерни - Stopper Set, Pinion (Stopper Set, Pinion)

под заказ1280 руб.
431312-94601-000

   (актуальный код замены) Комплект стопора шестерни - Stopper Set, Pinion

под заказ1280 руб.
431312-94601-000

Комплект стопора шестерни - Stopper Set, Pinion (Stopper set, pinion ) (Stopper Set, Pinion)

под заказ1280 руб.
502112-04128-000

Винт - Screw (Screw)

под заказ100 руб.
502112-0412A-000

   (актуальный код замены) Винт - Screw

под заказ100 руб.
502112-0412A-000

Винт - Screw (Screw)

под заказ100 руб.
608321-21048-000

Шайба с блокировкой - Washer, Lock (Washer, Lock)

под заказ140 руб.
608321-0104A-000

   (актуальный код замены) Шайба с блокировкой - Washer, Lock

под заказ140 руб.
608321-0104A-000

Шайба с блокировкой - Washer, Lock (Washer, Lock)

под заказ140 руб.
731361-95240-000

Запчасть снята с производства - The Spare Part Is Laid Off (The Spare Part Is Laid Off)

под заказ0 руб.
831173-95241-000

Запчасть снята с производства - The Spare Part Is Laid Off (MODEL G) (The Spare Part Is Laid Off)

под заказ0 руб.
831173-95242-000

Запчасть снята с производства - The Spare Part Is Laid Off (The Spare Part Is Laid Off)

под заказ0 руб.
831173-95244-000

   (актуальный код замены) Запчасть снята с производства - The Spare Part Is Laid Off

под заказ0 руб.
931131-95240-000

Щётка - Brush (MODEL G) (Brush)

под заказ0 руб.
931131-95241-000

   (актуальный код замены) Запчасть снята с производства - The Spare Part Is Laid Off

под заказ0 руб.
931131-95241-000

Щётка - Brush (Brush (-) ) (Brush)

под заказ0 руб.
931131-95241-000

Щётка - Brush (Brush (-) # FROM 31131-95240 ) (Brush)

под заказ0 руб.
1031132-95241-000

Щётка - Brush (MODEL G FROM 31132-95240) (Brush)

под заказ0 руб.
1031131-95241-000

   (актуальный код замены) Запчасть снята с производства - The Spare Part Is Laid Off

под заказ0 руб.
1031131-95241-000

Щётка - Brush (Brush (-) ) (Brush)

под заказ0 руб.
1031132-95242-000

Щётка - Brush (Brush)

под заказ0 руб.
1031131-95241-000

   (актуальный код замены) Запчасть снята с производства - The Spare Part Is Laid Off

под заказ0 руб.
1031131-95241-000

Щётка - Brush (Brush (-) ) (Brush)

под заказ0 руб.
1131135-95240-000

Запчасть снята с производства - The Spare Part Is Laid Off (The Spare Part Is Laid Off)

под заказ0 руб.
1131135-95310-000

   (актуальный код замены) Запчасть снята с производства - The Spare Part Is Laid Off

под заказ0 руб.
1131135-95310-000

Запчасть снята с производства - The Spare Part Is Laid Off (The Spare Part Is Laid Off)

под заказ0 руб.
1231281-95240-000

Запчасть снята с производства - The Spare Part Is Laid Off (The Spare Part Is Laid Off)

под заказ0 руб.
1308321-21058-000

Шайба с блокировкой - Washer, Lock (Washer, Lock)

под заказ140 руб.
1308321-0105A-000

   (актуальный код замены) Шайба с блокировкой - Washer, Lock

под заказ140 руб.
1308321-0105A-000

Шайба с блокировкой - Washer, Lock (Washer, Lock)

под заказ140 руб.
1401107-06108-000

Болт - Bolt (Bolt)

под заказ150 руб.
1401500-06107-000

   (актуальный код замены) Болт - Bolt

под заказ150 руб.
1401500-06107-000

Болт - Bolt (Bolt)

под заказ150 руб.
1508321-21068-000

Шайба с блокировкой - Washer, Lock (Washer, Lock)

под заказ140 руб.
1508321-01067-000

   (актуальный код замены) Шайба с блокировкой - Washer, Lock

под заказ140 руб.
1508321-01067-000

Шайба с блокировкой - Washer, Lock (Washer, Lock)

под заказ140 руб.
1608322-21068-000

Шайба - Washer (Washer)

под заказ140 руб.
1608322-01067-000

   (актуальный код замены) Шайба - Washer

10 шт160 руб.
1608322-01067-000

Шайба - Washer (Washer)

10 шт160 руб.
1731800-95241-000

Реле в сборе, Двигатель электростартера - Relay Assy, Starting Motor (Relay assy # FROM 31800-95240 ) (Relay Assy, Starting Motor)

под заказ36720 руб.


Время выполнения запроса 1.0458168983459 сек.

 
 

данный сайт носит информационный характер и не является публичной офертой

склад запчастей для водомоторной техники