Подобрать запчасти на лодочный мотор Suzuki DT50KS/L/LL/UL - Opt:electrical - Опции: электрика
вконтакте

Контактный телефон: +7 (981) 121-46-93, +7 (800) 200-90-76 , Email: parts-katalog@yandex.ru, где купить

 
 

  Логин:

Пароль:

Регистрация

www.partskatalog.ru Все каталоги Запчасти Mercury Запчасти Suzuki Запчасти Tohatsu Запчасти Honda Контакты



УВАЖАЕМЫЕ КЛИЕНТЫ!
C 19 ДЕКАБРЯ 2025 ПО 02 МАРТА 2026 ГОДА ОТДЕЛ ЗАПЧАСТЕЙ И СЕРВИС РАБОТАТЬ НЕ БУДУТ
ПРОДАЖА ЛОДОЧНЫХ МОТОРОВ В ШТАТНОМ РЕЖИМЕ
ОБ ИЗМЕНЕНИЯХ В ГРАФИКЕ РАБОТЫ ЧИТАЙТЕ НА САЙТА



назад Раздел:   вперёд

Вернуться к выбору узлов мотора


ДЕТАЛИРОВКА ДЛЯ МОДЕЛИ: SUZUKI DT50KTR VG/DT50KR VG/DT50KH VG

Опции: электрика


Код модели двигателя: DT50KS/L/LL/UL

Год выпуска двигателя: 1986

Регион: General Export No.1 ,Код региона: P01

Цвет: Francois Whte №2Arctic Silver

Номер на
рисунке
АртикулНаименованиеQTYКол-во
на складе
Цена
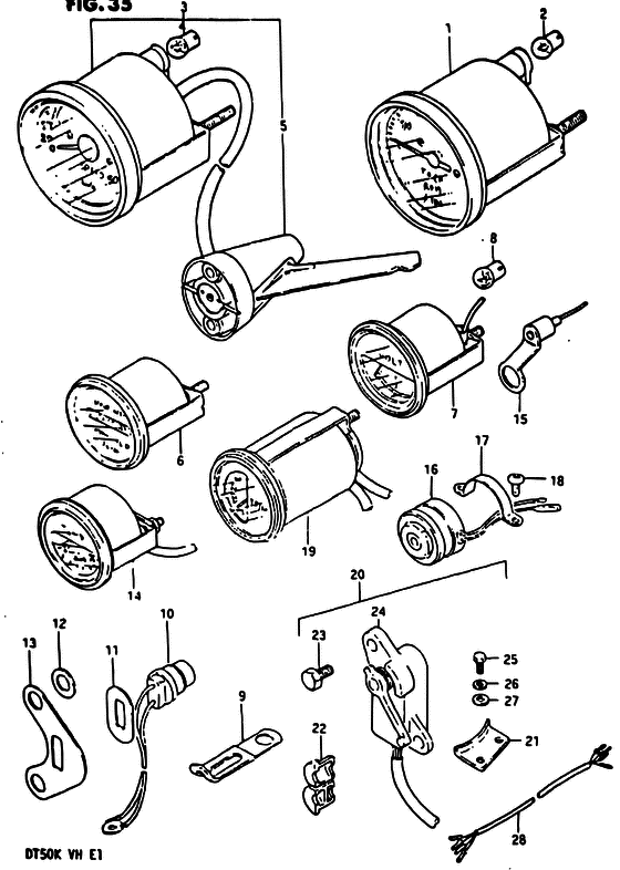
134200-95512-000

Тахометр в сборе - Tachometer Assy (Tachometer Assy)

под заказ30240 руб.
134200-92E02-000

   (актуальный код замены) Тахометр в сборе - Tachometer Assy

под заказ30240 руб.
134200-92E02-000

Тахометр в сборе - Tachometer Assy (Tachometer Assy)

под заказ30240 руб.
209471-12001-000

Лампочка (12v3.4w, Stanley, A72a) - Bulb (12v34w, Stanley, A72a) (Bulb (12v, 3.4w) ) (Bulb (12v3.4w, Stanley, A72a))

под заказ210 руб.
334100-95502-000

Спидометр в сборе - Speedometer Assy (Speedometer Assy)

под заказ0 руб.
409471-12001-000

Лампочка (12v3.4w, Stanley, A72a) - Bulb (12v34w, Stanley, A72a) (Bulb (12v, 3.4w) ) (Bulb (12v3.4w, Stanley, A72a))

под заказ210 руб.
534190-95500-000

Датчик спидометра - Sender, Speedometer (Sender, Speedometer)

под заказ8260 руб.
634500-95502-000

Запчасть снята с производства - The Spare Part Is Laid Off (The Spare Part Is Laid Off)

под заказ0 руб.
634500-95510-000

Запчасть снята с производства - The Spare Part Is Laid Off (The Spare Part Is Laid Off)

под заказ0 руб.
634500-95511-000

   (актуальный код замены) Запчасть снята с производства - The Spare Part Is Laid Off

под заказ0 руб.
734600-95504-000

Запчасть снята с производства - The Spare Part Is Laid Off (The Spare Part Is Laid Off)

под заказ0 руб.
809471-12001-000

Лампочка (12v3.4w, Stanley, A72a) - Bulb (12v34w, Stanley, A72a) (Bulb (12v, 3.4w) ) (Bulb (12v3.4w, Stanley, A72a))

под заказ210 руб.
909404-10201-000

Струбцина (l: 62) - Clamp (l:62) (STD) (Clamp (l:62))

под заказ250 руб.
909404-10206-000

   (актуальный код замены) Струбцина (l: 62) - Clamp (l:62)

под заказ250 руб.
909404-10204-000

Струбцина (l: 62) - Clamp (l:62) (Clamp (l:62))

под заказ250 руб.
909404-10206-000

   (актуальный код замены) Струбцина (l: 62) - Clamp (l:62)

под заказ250 руб.
1034850-95510-000

Переключатель, Heat - Switch, Heat (Heat switch # STD ) (Switch, Heat)

под заказ0 руб.
1134854-95300-000

Запчасть снята с производства - The Spare Part Is Laid Off (The Spare Part Is Laid Off)

под заказ0 руб.
1209160-10098-000

Шайба (10x18x1) - Washer (10x18x1) (Washer, handle brkt ) (Washer (10x18x1))

под заказ170 руб.
1334853-94500-000

Sвышеporter, Датчик температуры двигателя - Supporter, Engine Temp Sensor (STD) (Supporter, Engine Temp Sensor)

под заказ460 руб.
1334853-94600-000

   (актуальный код замены) Sвышеporter, Датчик температуры двигателя - Supporter, Engine Temp Sensor

под заказ460 руб.
1334853-94600-000

Sвышеporter, Датчик температуры двигателя - Supporter, Engine Temp Sensor (Suport, engine temp sensor ) (Supporter, Engine Temp Sensor)

под заказ460 руб.
1434400-95723-000

Запчасть снята с производства - The Spare Part Is Laid Off (The Spare Part Is Laid Off)

под заказ0 руб.
1534840-95701-000

Запчасть снята с производства - The Spare Part Is Laid Off (The Spare Part Is Laid Off)

под заказ0 руб.
1638500-95503-000

Предупреждающий зуммер, в сборе - Buzzer Assy, Warning (Buzzer Assy, Warning)

под заказ0 руб.
1638500-95202-000

   (актуальный код замены) Запчасть снята с производства - The Spare Part Is Laid Off

под заказ0 руб.
1638500-95202-000

Предупреждающий зуммер, в сборе - Buzzer Assy, Warning (Buzzer Assy, Warning)

под заказ0 руб.
1738501-95500-000

Ремешок, Warning Buzzer - Band, Warning Buzzer (Band, warning buzzer ) (Band, Warning Buzzer)

под заказ680 руб.
1802112-05088-000

Винт - Screw (Screw)

под заказ120 руб.
1802112-05087-000

   (актуальный код замены) Винт - Screw

под заказ120 руб.
1802112-05087-000

Винт - Screw (Screw)

под заказ120 руб.
1934800-87D00-000

Запчасть снята с производства - The Spare Part Is Laid Off (MODEL VH) (The Spare Part Is Laid Off)

под заказ0 руб.
1934800-87D10-000

   (актуальный код замены) Запчасть снята с производства - The Spare Part Is Laid Off

под заказ0 руб.
1934800-95521-000

Запчасть снята с производства - The Spare Part Is Laid Off (MODEL VF/VG) (The Spare Part Is Laid Off)

под заказ0 руб.
1934800-87D10-000

   (актуальный код замены) Запчасть снята с производства - The Spare Part Is Laid Off

под заказ0 руб.
2034801-95300-000

Запчасть снята с производства - The Spare Part Is Laid Off (The Spare Part Is Laid Off)

под заказ0 руб.
2034801-95310-000

   (актуальный код замены) Запчасть снята с производства - The Spare Part Is Laid Off

под заказ0 руб.
2034801-95310-000

Запчасть снята с производства - The Spare Part Is Laid Off (The Spare Part Is Laid Off)

под заказ0 руб.
2134802-95301-000

Соединитель, Ptt - Attachment, Ptt (Attachment, Ptt)

под заказ0 руб.
2134802-95302-000

   (актуальный код замены) Запчасть снята с производства - The Spare Part Is Laid Off

под заказ0 руб.
2134802-95302-000

Соединитель, Ptt - Attachment, Ptt (Attachment, trim sender ) (Attachment, Ptt)

под заказ0 руб.
2234803-94500-000

Пыльник, Датчик трима Reed - Grommet, Trim Sender Reed (Grommet, sender lead ) (Grommet, Trim Sender Reed)

под заказ0 руб.
2309100-06113-000

Болт (6x16) - Bolt (6x16) (Bolt (6x16))

под заказ140 руб.
2434801-95210-000

Запчасть снята с производства - The Spare Part Is Laid Off (The Spare Part Is Laid Off)

под заказ0 руб.
2434801-95310-000

   (актуальный код замены) Запчасть снята с производства - The Spare Part Is Laid Off

под заказ0 руб.
2434801-95310-000

Запчасть снята с производства - The Spare Part Is Laid Off (The Spare Part Is Laid Off)

под заказ0 руб.
2509100-06131-000

Болт (6x12) - Bolt (6x12) (Bolt (6x12))

под заказ160 руб.
2609162-06006-000

Шайба с блокировкой - Washer, Lock (Lock washer ) (Washer, Lock)

под заказ160 руб.
2709160-06082-000

Шайба (6.5x13x1.0) - Washer (65x13x10) (Washer (6.5x13x1.0))

7 шт150 руб.
2836680-94600-000

Удлинитель провода датчиков (l: 2000) - Wire, Sender Ext (l:2000) (L:2000 ) (Wire, Sender Ext (l:2000))

под заказ0 руб.
2836680-94610-000

Запчасть снята с производства - The Spare Part Is Laid Off (L:5000) (The Spare Part Is Laid Off)

под заказ0 руб.


Время выполнения запроса 2.5280380249023 сек.

 
 

данный сайт носит информационный характер и не является публичной офертой

склад запчастей для водомоторной техники